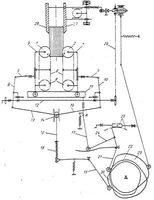
Книжный блок в зажимах конвейера перемещается в позицию кругления и останавливается. Кинематическая схема секции кругления корешков блоков в агрегате БКО представлена на рис. 109. Круглильные валики 1 и 2, сближаясь, зажимают блок. Движение валиков в горизонтальном направлении осуществляется кулаком 20, двуплечим рычагом 19, упругим звеном толкателя 16 с пружиной 18 и симметричной рычажной системой, работающей от ползуна 14 и состоящей из звеньев 5, 7, 8, 10, 13 и 15.

Рис. 109. Кинематическая схема секции кругления корешков блоков в агрегате БКО
Зажимы конвейера 27 и 28, управляемые кулаком 23, освобождают блок. Затем начинает работать механизм вертикального подъема от кулака 22 через двуплечий рычаг 21, толкатель 17 и рамку 11. Вертикальные кронштейны 3 и 4, на которых закреплены валики 1 и 2 и противоположные им звездочки 9, начинают подниматься. Две цепи 6, охватывающие звездочки 9 и звездочки на валиках 1 и 2, прикреплены к неподвижным направляющим. Вследствие этого валики, поднимаясь, начинают вращаться навстречу друг другу и круглить блок. Поскольку линейная скорость вращения будет равна скорости подъема центров валиков, блоки смещаться не будут.
Регулировка высоты подъема валиков 1 и 2, а следовательно, и величины кругления, производится поворотом червяка 25 и зубчатого сектора, сцепленного с ним. При этом звено 24 передвигает ролик толкателя 17 ближе или дальше от центра качания рычага 21. В связи с этим меняется высота подъема рамки 11.
Для регулировки исходного положения валиков 1 и 2 в зависимости от толщины блоков служит винт 12, имеющий встречные резьбы, по которым перемещаются центры коромысел 8 и 10. Цепь 26 одновременно с этим регулирует величину открывания зажимов.






