1. Если пассивной базы нет (рис. 10.7).
|
| Рис. 10.7. База транзистора |
Эмиттер должен «вкладываться» в область базы, причем расстояние от края эмиттера до края базы не должно быть меньше, чем две длины базы, 2
.
Минимальное расстояние от эмиттера до контакта к базе и минимальное расстояние между двумя эмиттерами (если транзистор многоэмиттерный) тоже примем равным L” =2
.

где
– взяты из задания на КП.
Номинальный размер базы с учетом случайных ошибок и боковой диффузии:

Максимальный размер:

Размер окна для диффузии примеси в область базы на фотошаблоне:
Если пассивная база есть (рис. 10.6).
Минимальный размер пассивной базы ограничен необходимостью обеспечения попадания контакта в эту область, но, поскольку L ПБ=1мкм> L Э=0,4 мкм надо будет брать W ПБ ФШ= N. Тогда:


Минимальное расстояние от эмиттера до пассивной базы можно взять равным
.
Так как пассивная база тоже «вкладывается» в область активной базы, то размер активной базы:

Помимо перечисленных выше соображений необходимо учесть, что расстояние на фотошаблоне между краями металлизации над контактами к эмиттеру и базе не может быть меньше технологической нормы. Если расстояние получается меньшим, необходимо увеличить размер базы.
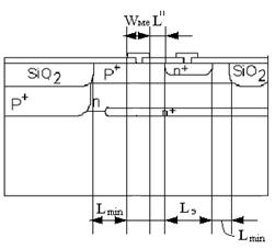
2. Если структура изолирована диэлектрическими областями (щелевая или изопланарная изоляция) (рис. 10.8).
|
| Рис. 10.8. Изопланар |
Если структура изолирована диэлектрическими областями, то край окна для создания пассивной базы совпадают с краем изолирующей области, т.е. отступ между эмиттером и базой будет только в одну сторону. Боковая диффузия базы в сторону канавки идти не будет, ошибки совмещения и все погрешности тоже считаются только в одну сторону, где рассчитываемая область не ограничена диэлектриком.


При отсутствии пассивной базы (рис. 10.7):
Поскольку активная база в этом случае будет ограничена диэлектриком со всех сторон, то ее границы на фотошаблоне должны совпадать с краями изолирующих областей. Минимальное расстояние от эмиттера до пассивной базы можно взять равным
.
Размер окна активной базы будет равен:
Так как окисел не даст расползаться примеси, размер активной базы на структуре будет равен:
мкм.
Размер активной базы на фотошаблоне будет равен:
мкм.






