Разрядные лампы высокого давления
В эту группу ИС входят ртутные лампы высокого давления (ДРЛ), металлогалогенные лампы (ДРИ), натриевые лампы (ДНаТ), ксеноновые лампы (ДКсТ, ДКсШ).
Электрический разряд в парах ртути сопровождается электромагнитными излучениями в видимой области спектра и в области ближнего ультрафиолета не только при низких давлениях паров (что используется в ЛЛ), но и при достаточно высоких давлениях – около 105 Па. Такой разряд используется в дуговых ртутных лампах высокого и сверхвысокого давления, которые часто называют лампами высокой интенсивности.
Ртутные лампы высокого и сверхвысокого давления долгое время являлись самой распространенной и многочисленной группой ИС среди РЛ высокого и сверхвысокого давления. Это связано с тем, что при помощи ртутного разряда удается создавать весьма эффективные источники в ультрафиолетовой, видимой и близкой к видимой инфракрасной областях спектра. Эти ИС имеют широкий диапазон номинальных мощностей, продолжительность горения десятки тысяч часов, достаточно компактны, обладают при необходимости весьма высокими яркостями.
|
|
|
Исходя из конструктивных особенностей ртутные лампы высокого (РЛВД) и сверхвысокого давления (РЛСВД) подразделяются на следующие группы:
– РЛВД (типа ДРТ);
– РЛВД с исправленной цветностью (типа ДРЛ и ДРВЭ);
– трубчатые РЛСВД с естественным охлаждением;
– капиллярные РЛСВД с принудительным (воздушным или водяным) охлаждением;
– шаровые РЛСВД с естественным охлаждением.
Большинство типов РЛВД и РЛСВД имеют специфическое применение, и для целей освещения не используется. Так, РЛВД, являясь эффективными источниками ультрафиолетового излучения, применяются в медицине, сельском хозяйстве, измерительной и светокопировальной технике. Областью применения РЛСВД являются лучевые осциллографы, фотолитография, проекционные системы, люминесцентный анализ, т.е. те случаи, когда требуются источники высокой яркости в видимой и близкой к ней ультрафиолетовой областях спектра.
Характерной особенностью разряда в парах ртути под высоким давлением является практически полное отсутствие излучений в красноволновой области спектра. Разряд имеет линейчатый спектр и содержит всего 4 линии в видимой области. Поэтому возникает задача исправления цветности разряда ртутной лампы. Эта задача может быть решена одним из следующих способов:
– использование люминофоров – такие лампы получили название ДРЛ (дуговая ртутная люминесцентная);
– добавление в разрядную трубку излучающих добавок – галогенидов (металлогалогенные лампы типа ДРИ);
– сочетание люминофора с излучающей добавкой (лампы ДРИЛ);
|
|
|
– объединение ртутной лампы с лампой накаливания (лампа ДРВЭ – дуговая ртутно-вольфрамовая эритемная).
Ртутно-вольфрамовые лампы, в которых наряду с ртутной горелкой имеется вольфрамовая спираль, попутно исполняющая роль активного балласта, применяются в облучательных установках для эритемного (покраснение кожи, которое сменяется пигментацией – загаром) освещения людей (например, в соляриях) и животных.
Дуговые ртутные люминесцентные лампы (ДРЛ)
Лампы ДРЛ (рис. 57) представляют собой трубку (горелку) 7 из прозрачного кварцевого стекла, рассчитанную на рабочую температуру около 800 °С и закреплённую при помощи траверсы 3 внутри внешней эллипсообразной колбы 2 (эта форма обеспечивает равномерное распределение температуры). Внутрь трубки после тщательного удаления посторонних газов вводится строго дозированное количество ртути и аргон при давлении 1,5…3 кПа. Аргон служит для облегчения разряда и защиты электродов от распыления в начальной стадии разгорания лампы, так как при комнатной температуре давление паров ртути очень низкое.
По концам горелки впаяны два активированных (покрытых слоем окислов щёлочно-земельных металлов) самокалящихся вольфрамовых электрода 4 и рядом с каждым из них по одному дополнительному – зажигающему электроду 5 длиной 2 мм. Такие лампы называются четырёхэлектродными, в отличие от прежде выпускавшихся двухэлектродных, не имевших зажигающих электродов. Наличие зажигающих электродов обеспечивает зажигание не разогретых ламп при напряжении не ниже 90 % номинального, так как первоначальный разряд возникает между соседними рабочим и зажигающим электродами. Напряжение на электроды подаётся через резьбовой цоколь 1. После возникновения разряда в лампе зажигающие электроды на её работу влияния не оказывают, потому что в их цепь включено токоограничивающее сопротивление 6.
Внешняя колба покрыта изнутри люминофором и заполняется смесью аргона и азота для предотвращения окисления и отвода тепла от горелки. Люминофор преобразует ультрафиолетовое излучение ртутного разряда высокого давления, составляющее 40 % всего потока излучения, в недостающее излучение в красной части спектра. Качество исправления цветопередачи ламп типа ДРЛ определяется её «красным отношением», т.е. долей светового потока в красной области спектра (600…780 нм) в общем световом потоке лампы. В целом лампы ДРЛ даже с самым большим значением «красного отношения» существенно уступают ЛЛ по цветопередаче. Индекс цветопередачи этих ламп один из самых низких – 40…45.
Лампы ДРЛ включаются в сеть последовательно с балластным дросселем (рис. 58), потери мощности в котором составляют примерно 10 % мощности лампы. Только при низких температурах окружающей среды (ниже –30 °С) необходимо применять импульсное зажигающее устройство (ИЗУ), которое обеспечивает её зажигание при температурах до – 45 °С.
Для зажигания ламп ДРЛ характерно наличие периода разгорания, достигающего пяти-семи минут (рис. 59). В течение этого периода основные характеристики лампы претерпевают изменение вследствие изменения давления паров ртути в горелке – у ламп мощностью 80 Вт давление повышается до 106 Па, у ламп 1000 Вт – до 2,5·105 Па. В частности, пусковой ток лампы в два раза превышает номинальный.
По той причине, что после отключения лампы ДРЛ давление паров остаётся высоким, зажечь её повторно можно только после остывания через 5…10 минут. Поэтому в сетях аварийного освещения лампы ДРЛ не используются.
Если питающее напряжение исчезнет на полпериода или снизится ниже 90 % от номинального на два периода, лампа погаснет и зажжется вновь, когда остынет.
Пульсация светового потока этих ламп весьма значительна (коэффициент пульсации составляет 63…74 %).
|
|
|
Оптимальным положением лампы является вертикальное. При горизонтальном положении световой поток уменьшается на 2…5 %.
Лампы ДРЛ выпускаются мощностью от 50 до 2000 Вт. Их световая отдача составляет от 40 до 60 лм/Вт.
Средняя продолжительность горения – до 20 000 часов. К концу срока службы световой проток снижается до 60 % от номинального (через 100 часов горения). При изменениях подводимого напряжения в пределах от 90 до 110 % продолжительность горения меняется от 140 до 70 %, а световой поток – от 65 до 130 %.
Важно подчеркнуть, что в последнее время лампы ДРЛ вытесняются другими РЛ, так как уступают им по важнейшим характеристикам.
В условном обозначении ламп типа ДРЛ указывается их мощность, красное отношение (в скобках) и номер разработки, например, ДРЛ400(6)-4, где 6 – доля лучей в красноволновой области спектра.
Дуговые ртутные лампы с излучающими добавками (мгл)
Металлогалогенные лампы (МГЛ) появились в 60-е годы ХХ в. и благодаря своей высокой световой отдаче, приемлемому спектру излучения и достаточно большой мощности являются одним из самых перспективных источников света.
Исправление цветности излучения МГЛ основано на том, что внутрь разрядной трубки вводятся химические соединения, которые позволяют исправить спектральный состав излучения собственно ртутного разряда без использования люминофора. Этому способствует то, что галогениды многих металлов испаряются легче чем сами металлы и не разрушают кварцевое стекло. Поэтому внутрь разрядных колб МГЛ кроме ртути и аргона, как в РЛВД, дополнительно вводятся в виде галоидных соединений (соединений с йодом, бромом, хлором) щелочные (натрий, литий, цезий) и другие агрессивные металлы (кадмий, цинк), которые в чистом виде вызывают весьма быстрое разрушение кварцевого стекла. После зажигания разряда, когда достигается рабочая температура колбы, галогениды частично переходят в парообразное состояние. Попадая в центральную зону разряда с температурой несколько тысяч градусов Кельвина, молекулы галогенидов диссоциируют на галоген и металл. Атомы металла возбуждаются и излучают характерные для них спектры. Диффундируя за пределы разрядного канала и попадая в зону с более низкой температурой вблизи стенок колбы, они воссоединяются в галогениды, которые вновь испаряются. Применение галогенидов резко увеличило число химических элементов вводимых в разрядную трубку и, как итог, позволило создать МГЛ с разнообразными спектрами.
|
|
|
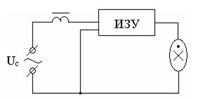
Большинство МГЛ выпускается только с двумя рабочими электродами и не имеет (или имеют один) поджигающих электродов. По этой причине они включаются в сеть через импульсное зажигающее устройство (ИЗУ) и зажигаются импульсом повышенного напряжения, близкого к 2 кВ (рис. 60).
В зависимости от применения различают:
1) МГЛ общего назначения (типа ДРИ);
2) трубчатые и шаровые (типа ДРИШ) МГЛ с улучшенным качеством цветопередачи, применяемые для цветных теле- и киносъёмок;
3) МГЛ для многочисленных специальных применений, в основном технологических, например, для облучения растений.
Металлогалогенные лампы для общего освещения типа ДРИ
Лампы типа ДРИ по конструкции подобны лампам типа ДРЛ с горелками. Внешняя колба в отличие от ламп ДРЛ у большинства типов ламп ДРИ не покрыта люминофором, но иногда применяют стандартные колбы ламп ДРЛ с люминофорным покрытием (типа ДРИЛ).
Положение горения значительно влияет на параметры ламп ДРИ, поэтому некоторые типы МГЛ выпускают в различных модификациях, рассчитанных на разное положение горения (вертикальное и горизонтальное).
Пульсация светового потока ламп ДРИ существенно ниже чем у ламп типа ДРЛ и составляет около 30 %.
Температура окружающей среды оказывает незначительное влияние на процесс зажигания и на работу ламп ДРИ.
При изменении питающего напряжения характеристики ламп ДРИ меняются более заметно, чем у ламп типа ДРЛ: изменение напряжения на каждый процент приводит к изменению светового потока примерно на 2,5 %.
Лампы ДРИ выпускаются мощностью от 125 до 3500 Вт и, учитывая их малый объем, имеют высокую удельную мощность. Световая отдача ламп ДРИ сопоставима со световой отдачей лучших ЛЛ – более 100 лм/Вт и в перспективе должна достичь 120 лм/Вт. Средняя продолжительность горения – 10000…12000 ч. Индекс цветопередачи невысокий, но превышающий аналогичный у ламп ДРЛ – от 45 до 65. В лампах с галогенидами олова и йодидами диспрозия индекс цветопередачи – от 80 до 90.
Часть ламп ДРИ (типа ДРИЗ) выпускается в зеркальных отражающих колбах.
По стоимости лампы ДРИ существенно уступают другим РЛ большой мощности. Цена (2006 г.) ДРИ250 составляет 900 руб., против 115 руб. у ДРЛ250 и 325 руб. у ДНаТ250.






