Частотноцифровая измерительная головка УИП-8

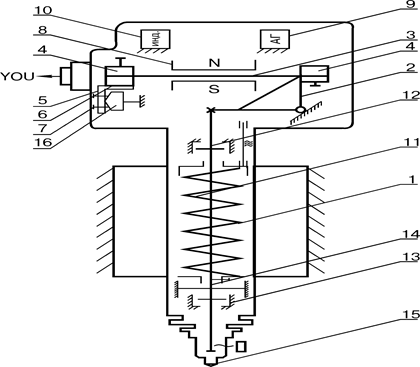
Рис. 2. Частотно-цифровая измерительная головка УИП-8
1 -измерительный стержень
2 - рычаг
3 - плоская струна (длина не больше 15мм)
4- зажимы
5 - держатель, состоящий из магнитопровода
6 - основание
7 – штифты
8 – постоянный магнит
9 - автогенератор
10 – плата индикатора с четырехзначным табло
11 – винтовая пружина
12 – винт (регулирует измерительное усилие при изготовлении микрокатора)
13 – ограничители хода
14 – плоская пружина, на котрой подвешен измерительный стержень 1
15 – наконечник
16 – винты
Наконечник 15 контактирует с поверхностью измеряемой детали и смещается вместе с измерительным стержнем 1, который подвешен на плоской пружине 14 и рычаг 2.
Когда стержень 1 перемещается, рычаг 2 поворачивается, его верхний конец растягивает струну 3 в осевом направлении.
Концы струны 3 закреплены между двумя плоскостями зажима 4.
Изменение силы натяжения струны вызывает изменения частоты ее собственных поперечных колебаний. А т.к. струна, проходя через поле магнита 8 включается в мостовую схему автогенератора 9, усилителя с положительной обратной связью, то сигнал со струны подается на вход усилителя, а с выхода усилителя, через канал положительной обратной связи, сигнал поступает обратно на струну, обеспечивая режим незатухающих синусоидальных колебаний.
|
|
|
Измерительная головка имеет посадочный размер 28 мм
Диапазон измерений от 50 мкм.
Погрешность не превышает 0,25 мкм






