Схема автогенератора

Рис. 3 Схема автогенератора

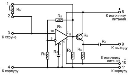
Рис. 4 Струнный автогенератор АГ-4 с автономным питанием
Вывод струны электрически изолирован от корпуса датчика и присоединяется ко входу автогенератора (АГ-4) (представлен на рис.4)
Второй вывод струны соединен с корпусом датчика и с помощью кабеля соединен со входом 4 автогенератора.
(Всё сказанное ранее относителось к классическому УИП 8: с автогенератором, частотомером.
МПСИ позволяет убрать автогенератор и снимать измерения с помощью затухающих колебаний.)
Автогенератор преобразует изменение частоты колебаний механической системы в изменение частоты электрического выходного напряжения.
В струнном автогенераторе используется операционный усилитель. Роль частотозадающего элемента выполняет струна, которая является высокодобротной механической колебательной системой с линейно-распределенными параметрами.
Резисторы R1 и R2 устанавливают режим работы операционной усителя (ОУ) по постоноянному току.
Отрицательная обратная часть черз R1 и R2 и конденсатор С1 задают коэффициенты усиления ОУ.
Резистор R5, подключённый к точкам 1 и 2 и размещенный в корпусе УИП-8, регулирует глубину положительной обратной связи,определяющей амплитуду колебаний струны и форму сигнала на выходе.
Конденсатор С2 применяется с целью развязки выхода автогенератора и перегрузки по постоянному току.
Вход 2 автогенератора подключен к струне, а вход 4 – к УИП-8
Алгоритмы контроля и обеспечения качества измерений. Составляющие погрешности измерений
Погрешнось средств измерений и результатов измерений.
Погрешность измерений следует разделить на:
- погрешность средств измерений
- погрешность результатов измерений
Погрешность средств измерений – отклонение метрологических свойств или параметров средств измерений от номинальных, влияющих на погрешность результатов измерений, создающие так называемые инструментальные ошибки измерений.
Погрешность результата измерения - отклонение результатата измерений хизм от действительного, те истинного значения измеряемой величины х0 и определяется по формуле:
Δх=хизм – х0
Погрешности средств измерений можно разделить на:
- инструментальную
- методическую
Методическая погрешность обусловлена несовершенством метода измерений или упрощениями допущенными при измерении, (например, она возникает из-за использования приближенных формул подсчеста результата или неправильной методики проведения измерения).
Выбор ошибочныой методики возможен из-за несоответствия (т.е. неадекватности) измеряемой физической величины и ее модели.
Причины методической погрешности м.б. как неучитываемое взаимное влияние объекта измерений и измерительных приборов или недостаточная точность такого учета.
(Как пример – методическая погрешность возникает при измерениях падения напряжения на участках цепи с помощью вольтметра, т.к. из-за действия вольтметра измеряемое напряжение уменьшается).
Механизм взаимного влияния м.б. изучен, а погрешности рассчитаны и учтены.
Инструментальная погрешность обусловлена несовершенством применяемых средств измерений.
Причинами ее возникновения являются неточности, допущенные при изготовлении и настройки приборов, изменение параметров элементов контрукции и схемы вследствие старения.
В высокочувствительных приборах могут сильно проявлятся их совственные внутренние шумы.
Статическая и динамическая погрешности.
Статическая погрешность – погрешность результатат измерений, свойственная условиям статического измерения (т.е. при измерении постоянных величин после завершения переходных процессов в элементах приборов и преобразователей).
Динамическая погрешность измерений – погрешность результатов измерений, свойственная результатам динамического измерения.
Динамическая погрешность появляется при измерении переменных величин и обусловлена инерционными свойствами средств измерений.
Статическая и динамическая погрешности относятся к погрешностям результата измерений.
В большинстве приборов статическая и динамическая погрешности оказываются связаны между собой, т.к. соотношение между этими видами погрешностей зависит от характеристик прибора и характерного времени измерения величины.
Систематические случайные погрешности
Систематическая погрешность измерений – составляющая погрешности измерений, остающаяся постоянной или закономерно изменяющаяся при повторных измерениях одной и той же физической величины.
Систематические погрешности являются функцией измеряемой величины, влияющих величин и времени. Величнами могут быть: температура, влажность, напряжение.
Все систематические погрешности входят при поверке и аттестации образцовых приборов.
Случайными называют составляющие погрешности измерений, изменяющиеся случайным образом при повторных измерениях одной и той же величины.
Случайные погрешности определяются совместным действием ряда причин:
- внутренние шумы элементов электронных схем
- наводки на входные цепи средств измерений
- пульсация постоянного питающего напряжения
- дискретность счета
Погрешности адекватности и градуировки
Погрешность градуировки средств измерений – погрешность действиетльного значения величны, приписаного той или иной отметке шкалы средства измерения в результате градуировки.
Погрешностью адекватности модели – погрешность при выборе функциональной зависимости.
Характерным примером может служить построение линейной зависимости по данным, которые лучше описываются степенным рядом с малыми нелинейными членами.
Погрешность адекватности относится к измерениям для проверки модели.
Если зависимость параметра состояния от уровня входного фактора задана при моделировании объекта достаточно точно, то погрешность адекватности оказывается минимальна.
Она может зависит от динамического диапазона измерений. (Например, если однофакторная зависимость у=f(х) задана при моделировании параболой, то в небольшом диапазоне она будет мало отличаться от экспоненциальной зависимости.
Если же диапазон измерений увеличить, то погрешность адекватности сильно возрастет.)
Под абсолютной погрешностью понимается алгебраическая разность между номинальным и действительным значением измеряемой величины.
Δх=хн - хд

Рис. 2.1
где, Δх и Δу – абсолютные погрешности.
В большей степени точность средств измерений характеризует относительная погрешность. Т.е. выраженное в процентах отношение абсолютной погрешности к действительному значению измеряемой или воспроизводимой данным средством измерения величины
ε=Δх/хд *100%
где отношение Δх/х и Δу/у – относительные погрешности
Если же диапазон измерения прибора охватывает и нулевое знчение измеряемой величины, то относительная погрешность обращается в бесконечность соответствуюую ему точки шкалы.
В таком случае пользуются понятием приведенной погрешности, которая равна отношению абсолютной прибора к некоторому нормирующему значению.
γ=Δх/хнорм
В качествестве нормирующего значения принимается значение, характерное для данного вида измерительного прибора (это м.б. диапазон измерий, верхний предел измерений, длина шкалы)
Δх/Х, Δу/У –есть приведенные погрешности, где Х и У – диапазоны измерения величин.
Выбор Х и У в каждом случае разный из-за нижнего предела чувствительности прибора.
Адитивные и мультиплекативные погрешности
Адитивной называется погрешность, постоянная в каждой точке шкалы.
Мультиплекативной называется погрешность, линейно-возрастающая или убываюшая с ростом измеряемой величины.
Различать адитивные и мультиплекативные погрешности легче всего по полосе погрешностей.
Если же абсолютная погрешность не зависит от измеряемой величины, то полоса определяется адитивной погрешностью (ее ещё называют погрешностью нуля) 2.2.а
Если постоянной величиной является относительная погрешность, то полоса погрешности меняется в пределах диапазона измерений – погрешность называется мультиплекативной. 2.2.б

аб