Классификация показывающих и регистрирующих приборов. Регистрация показаний.
9.3.1 Классификация по назначению:
1.Показывающие — приборы, по которым только отсчитывают измеряемую величину в данный момент времени, определяемую по отсчетному устройству (шкала и указатель) и выраженную в принятых единицах
2.Регистрирующие – предусматривает регистрацию показаний. Регистрация – представление измерительной информации в форме видимых и скрытых изображений, размещенных на некоторых материальных носителях (бумага, фотопленка)
2.1 Самопишущие (регистрирующие) приборы - снабжены устройством для автоматической регистрации (записи) значения измеряемой величины за все время работы прибора посредством диаграммы, что дает возможностьполучить данные для последующего анализа работы объекта или хода технологического процесса путем обработки картограммы прибора. Самопищущие приборы могут иметь также показывающее устройство, в этом случае они одновременно являются показывающими и самопишущими.
9.3.2 Классификация по типу структурной схемы:
1. Разомкнутая (прямого действия)

ИЦ - измерительная цепь – совокупность преобразовательных элементов для осуществления всех преобразований сигнала измерительной информации
ИМ – измерительный механизм является частью конструкции прибора и состоит из элементов, взаимодействие которых вызывает их взаимное перемещение (α - угол поворота подвижной части ИМ)
ОУ – отсчетное устройство содержит шкалу с цифровыми отметками и указатель в виде стрелки и светового луча.
РУ – регистрирующее устройство, в состав которого входят: материал, на котором производится регистрация (носитель), регистрирующий орган для нанесения знаков регистрации (точек, линий и т.п.), механизм воздействия на регистрирующий орган, устройство для перемещения носителя
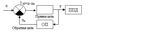
2. Замкнутая – когда выходное значение используется для уравновешивания входного
2.1 Замкнутая со статистической характеристикой – без интегрирующего звена

ПДД – прибор прямого действия
У– усилитель – для усиления поступающих сигналов
ОП – обратный преобразователь – вырабатывает значение сигнала Хк, которым компенсируется значение Х
2.2 Замкнутая с астатической характеристикой - с интегрирующим звеном – двигателем

αд - угол поворота вала двигателя – выходная величина рассматриваемого прибора
Д – двигатель
Р – редуктор
αр - угол поворота редуктора
МП – механическая передача, с помощью которой вращение выходного вала редуктора преобразуется в линейное перемещение указателя и регистрирующего органа






