Эквивалентная схема усилителя.
Любой усилительный элемент может быть представлен четырехполюсником, (рис.5.2) который характеризуется системой параметров у, z и h. В нашем курсе мы будем пользоваться системой у параметров.

Рис.5.2. Линейный четырехполюсник.
В этом случае четырехполюсник описывается системой уравнений:
(5.1)
где
- входная проводимость;
- обратная проводимость;
- прямая проводимость (S крутизна);
- выходная проводимость.
Таким образом, основные параметры усилительных элементов можно выразить через у - параметры четырехполюсника (рис.5.3.а).
Входная и выходная проводимости усилительного элемента состоят из активных и реактивных составляющих:
, (5.2)
(5.3)
Прямая проводимость определяется коэффициентом усиления БТ или крутизной проходной характеристики ПТ
. (5.4)
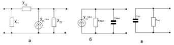
Влиянием обратной проводимости на низких частотах пренебрегают, и эквивалентные схемы усилительного элемента входной и выходной цепей рассматривают отдельно (рис. 5.3,б и 5.3,в).

Рис.5.3. Эквивалентная схема двойного усилительного элемента:
а – полная; б – выходной цепи; в – входной цепи
Свойства и характеристики усилительного каскада зависят от свойств и параметров усилительного элемента, схемы межкаскадной связи, а также от параметров нагрузки. Определение свойств и характеристик усилителя (анализ) проводят по его эквивалентной схеме. Эквивалентная схема одного каскада усилителя, приведенная на рис.5.4, состоит из эквивалентной схемы выходной цепи усилительного элемента рассматриваемого каскада, элементов схемы межкаскадной связи и эквивалентной схемы входной цепи усилительного элемента следующего каскада.

Рис.5.4. Эквивалентная схема резисторного усилителя.
Полная эквивалентная схема резистивного усилителя (рис.5.4) включает в себя, кроме выходной цепи, цепочку межкаскадной связи C1R1, входную цепь следующего усилительного элемента
и емкость монтажа
.
В ламповых усилителях и усилителях на полевом транзисторе влиянием
можно пренебречь, так как его значение очень велико и ток по этой цепи не протекает.
Емкость выходной цепи
представляет собой межэлектродную емкость между анодом и катодом или между стоком и истоком
.
Емкость монтажа
зависит от габарита выбранных элементов и составляет порядка (10¸15) пФ для ламповых усилителей и (5¸7) пФ для транзисторных. Емкость входной цепи определяется межэлектродными емкостями затвор-исток и затвор-сток следующим выражением:
.
Если просуммируем параллельно включенные емкости
,
и
, то получим общую паразитную емкость
. (5.5)
С учетом (5.5) эквивалентная схема резистивного усилителя примет вид, изображенный на рис. 5.5, где Ri=Rвых.

Рис.5.5. Эквивалентная схема резистивного каскада на ПТ.






