Общие сведения о предварительных усилителях.
Предварительные усилители напряжения
Лекция №5
Предварительные каскады усиления предназначены для усиления тока или напряжения сигнала, создаваемого источником сигнала, до величины, необходимой для подачи на вход усилителя мощности. Предварительные усилители состоят из нескольких каскадов.
Для уменьшения количества каскадов предварительного усилителя коэффициент усиления каждого каскада желательно иметь наибольшим. Для этого в каскадах предварительного усиления используют усилительные элементы с высоким коэффициентом усиления в режиме А.
Вследствие малой амплитуды сигнала в цепях каскадов предварительного усиления расчет коэффициента усиления по току и по напряжению усиливаемого сигнала производят аналитически с использованием эквивалентных схем и малосигнальных параметров усилительных элементов.
Транзисторы в каскадах предварительного усиления обычно включают с общим эмиттером и с общим истоком, так как при работе на входную цепь следующего каскада это дает возможность получить наибольшее усиление. В каскадах предварительного усиления находят широкое применение резистивные схемы на электронных лампах, полевых и биполярных транзисторах. Редко применяются трансформаторные схемы.
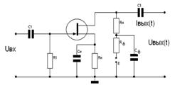
В схеме на рис.5.1. цепь
служит для создания автоматического смещения. Нагрузкой выходной цепи является активное сопротивление
. Усиленное переменное напряжение на вход следующего каскада снимается с клемм сток-корпус. Напряжение выходной цепи, кроме полезной переменной составляющей, имеет также постоянную составляющую. Чтобы на вход следующего каскада передавать лишь переменную составляющую и не пропускать постоянную составляющую, используется разделительный конденсатор С1, который должен иметь достаточно большую емкость, чтобы переменная составляющая напряжения передавалась на вход следующего каскада без заметного ослабления.

Рис.5.1. Предварительный каскад на полевом транзисторе
Сопротивление R1 создает замыкание цепи затвора по постоянной составляющей. Так как ток в цепи затвора очень мал и составляет доли пикоампера, то в результате затвор имеет ту же постоянную составляющую потенциала, что и корпус усилителя. Исток имеет положительный потенциал относительно корпуса вследствие действия цепи автоматического смещения. Поэтому между затвором и истоком возникает необходимое отрицательное напряжение смещения. Сопротивление R1 не должно быть слишком большим, но его нельзя выбирать и чересчур малым во избежание уменьшения переменного напряжения вследствие шунтирования сопротивления нагрузки.
Сопротивление
и конденсатор
образуют Г-образный фильтр, который называется развязывающим. При наличии фильтра переменная составляющая выходного тока iвых(t) замыкается через
и не протекает через источник питания, так как его цепь содержит
. Вместе с тем фильтр
отфильтровывает пульсации напряжения источника питания. Таким образом, фильтр
устраняет нежелательные связи различных каскадов, питаемых от общего источника. Для этого
и
должны иметь как можно большие величины, но величина
ограничивается допустимым падением на нем постоянного напряжения, а
ограничивается приемлемыми габаритами.
Усилители на полевом транзисторе так же, как и ламповые усилители, имеют большое входное сопротивление
, влиянием которого при анализе схем можно пренебречь. Схемы замещения для электронных ламп и полевых транзисторов в упрощенном варианте одинаковы. Характеризуются они также одинаковыми параметрами: коэффициентом усиления
, крутизной S и внутренним сопротивлением
. Между собой эти характеристики связаны соотношением
. При дальнейшем анализе усилителей схемы этих усилителей рассмотрим параллельно.
При анализе переменных составляющих токов и напряжений пользуются эквивалентной схемой замещения. При составлении эквивалентной схемы учитывают цепи только по переменной составляющей. Эквивалентная схема одного каскада включает схему замещения выходной цепи усилительного элемента, межкаскадной связи и входной цепи следующего элемента. Источник питания и элементы для подачи постоянных напряжений, как, например, сопротивление автоматического смещения
, по переменной составляющей закорачиваются через блокирующие и шунтирующие емкости и в эквивалентную схему не входят. Выходная цепь замещается генератором ЭДС или тока и внутренним сопротивлением. К выходным зажимам усилительного элемента подключается сопротивление нагрузки
.