В области высоких частот емкостное сопротивление 1/jωC1 конденсатора С1 становится еще меньше, чем в области средних частот, поэтому его можно по-прежнему заменить коротким замыканием. Однако в области высоких частот надо учитывать влияние емкостей
,
,См, так как их проводимости возрастают. Вследствие чего уменьшается емкостное сопротивление 1/jωCо, увеличивается шунтирующее действие.
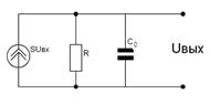
С учетом вышесказанного эквивалентная схема резистивного усилителя в области верхних частот примет вид, изображенный на рис.6.2

Рис.6.2. Эквивалентная схема резисторного каскада в области ВЧ.
По эквивалентной схеме (рис.6.2) определим выходное напряжение и комплексный коэффициент усиления
(6.4)
где τв=С0R - постоянная времени в области ВЧ.
Модуль коэффициента усиления на верхних частотах определяется выражением:
(6.5)
и представляет собой частотную характеристику усилителя в области верхних частот (рис.6.3).
|
Рис.6.3. АЧХ в области ВЧ при различных значениях С0.
С увеличением частоты
уменьшается, вследствие чего увеличивается шунтирующее действие. По этой причине уменьшается выходное напряжение и коэффициент усиления.
Найдем верхнюю граничную частоту усилителя, на которой модуль коэффициента усиления
. Следовательно, приравнивая (6.5.) к значению
, получим:
. (6.6)
Из выражения (6.6) следует, что
обратно пропорционально емкости C0. С уменьшением С0 увеличивается верхная граничная частота и полоса пропускания усилителя (см. рис.6.3). Для расширения полосы пропускания в область высших частот необходимо уменьшать постоянную времени
. Емкость C0 складывается из емкостей
,
,См и зависит от выбранного усилительного элемента. Следовательно, уменьшение постоянной времени возможно лишь за счет уменьшения
. Однако это вызывает снижение коэффициента усиления
(рис.6.4).

Рис.6.4. АЧХ в области ВЧ при различных значениях Rн.
Рассмотрим фазовый сдвиг, создаваемый усилителем в области верхних частот. Чтобы определить его, представим
в виде суммы вещественной и мнимой частей, для этого выражение
умножим и разделим на комплексную величину, сопряженную со знаменателем:
(6.7)
Тангенс угла фазового сдвига равен отношению мнимой части к
вещественной:
(6.8)
С увеличением частоты
фазовый сдвиг
асимптотически стремится к
. При
, имеем
;
, (6.9)
т. е. верхней пороговой частоте соответствует фазовый сдвиг, равный - 45° (см. рис.6.5.).

Рис.6.5. ФЧХ в области ВЧ.
Очевидно, при этой частоте модуль емкостной проводимости
равен активной проводимости 
Выражая
через верхнюю пороговую частоту, можно записать уравнение фазочастотной характеристики для области высоких частот в виде
. (6.10)
Коэффициент частотных искажений на верхней граничной частоте определяется
(6.11)
Если заданы
и
, то из выражения (6.11) можно определить необходимое значение
и рассчитать требуемое сопротивление нагрузки:
. (6.12)
Таким образом, сопротивление нагрузки рассчитывается из необходимости удовлетворения основных технических условий усилителя в области верхних частот.