Обобщим ранее изложенные методы формирования математических моделей линейных схем на нелинейные схемы. Как и прежде, рассмотрим наиболее распространенные прямые методы формирования математических моделей – обобщенный метод узловых потенциалов, табличный, модифицированный табличный, модифицированный узловой и модифицированный узловой с проверкой.
При отыскании решения по постоянному току в цепи все катушки индуктивности закорачиваются (ветвь к.з.), а все конденсаторы исключаются, т.е. заменяются ветвью х.х.
Обобщенный метод узловых потенциалов. Прежде всего заметим, что уравнения для узловых потенциалов требуют, чтобы резисторы с нелинейным сопротивлением описывались в форме
. (7.14)
Индекс
будет обозначать напряжения и токи ветвей, а индекс
используется для обозначения узловых переменных. Предполагается также, что все независимые источники представлены источниками тока.
Запишем закон Кирхгофа для токов ветвей и выразим напряжения ветвей через напряжения узлов:
, (7.15)
|
|
|
. (7.16)
Разделив все ветви на две группы – ветви независимых источников тока и другие, можем переписать соотношение (7.15) в виде
(7.17)
или, обозначив узловые токи 
, (7.18)
окончательно получим
. (7.17)
Подставив линейное уравнение ветви (7.14) в (7.17), получим
, (7.20)
а, используя (7.16), можем записать обобщенную форму узловых уравнений нелинейной цепи
. (7.21)
Для представления алгоритма Ньютона-Рафсона перепишем узловую систему нелинейной цепи в виде
. (7.22)
Дифференцированием сложной функции получаем матрицу Якоби узловой системы нелинейной цепи
. (7.23)
Вводя обозначение
(7.24)
и учитывая, что дифференцирование по
соотношений для напряжений ветвей (7.16) дает
(7.25)
получим выражение для Якобиана:
. (7.26)
Как видим, вектор функций представляет собой систему узловых компонентных уравнений ветвей, а правило формирования Якобиана из проводимостей ветвей соответствует рассмотренному ранее правилу формирования матрицы проводимостей узловой системы уравнений.
В частном случае линейных сопротивлений соотношение (7.14) примет вид
. (7.27)
Вектор узловых токов с учетом (7.17) можно записать как
, (7.28)
откуда вектор правой части системы уравнений Ньютона-Рафсона можно представить в виде
. (7.27)
Выражение для производной тока ветви по напряжению ветви, представленное через разность узловых напряжений, запишется как
. (7.30)
Откуда следует вывод, что компоненты вектора функции правой части системы уравнений Ньютона-Рафсона для линейных ветвей совпадают с линейными узловыми компонентными уравнениями ветвей, а Якобиан узловой системы уравнений для линейной цепи совпадает с дифференциальной матрицей проводимости.
|
|
|
Таким образом, формирование математической модели цепи по постоянному току узловым методом в виде линеаризованной итерационной системы Ньютона-Рафсона полностью совпадает с ранее рассмотренным случаем линейных цепей. Отличие заключается лишь в том, что формирование повторяется на каждом шаге итерации при новых уточненных значениях напряжений и токов. Компонентные уравнения нелинейных ветвей вектора функций и их производные по узловым напряжениям как проводимости нелинейных ветвей, включаемые в Якобиан, задаются аналитическими выражениями, вычисляемыми на каждом шаге итераций.
Обозначив через
начальное приближение вектора решений, распишем основные пункты алгоритма Ньютона-Рафсона в терминах обобщенного метода узловых потенциалов.
1. Установить
и вычислить вектор узловых токов
.
2. Определить напряжения на ветвях
.
3. Найти токи нелинейных
и линейных
ветвей.
4. Вычислить компонентную матрицу
. Для линейных ветвей элементы матрицы
совпадают со значениями их проводимостей.
5. Вычислить
и
.
6. Решить уравнение Ньютона-Рафсона
.
7. Уточнить вектор решений
.
8. Если точность не достигнута, то установить
и перейти к п.2.
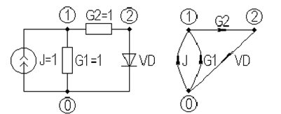
Проиллюстрируем использование алгоритма Ньютона-Рафсона в обобщенном узловом методе на примере простой нелинейной цепи, используемой нами в начале раздела (рис. 7.3).

Рисунок 7.3 – Простая нелинейная цепь и ее граф
Пусть вектор начальных узлов напряжений определен как
. Уравнение диода опишем простейшей ВАХ
.
Дополненная матрица инциденций ветвей схемы, согласно рис. 7.3, имеет вид
.
Через матрицу инциденций ветвей независимых источников можно определить вектор узловых токов

По матрице инциденций ветвей и начальному значению вектора узловых напряжений определим вектор начальных напряжений ветвей:
.
Вектор токов ветвей, согласно компонентным уравнениям, определится как
.
Матрица дифференциальных проводимостей ветвей равна
.
Через матрицу инциденций и линеаризованную матрицу дифференциальных проводимостей ветвей определим линеаризованную узловую матрицу проводимости
.
Соответственно определяется вектор функций правой части системы Ньютона-Рафсона
.
В результате система уравнений Ньютона-Рафсона на основе обобщенного узлового метода, при заданных начальных значениях примет вид
.
Решение системы на первой итерации равно
.
Соответственно уточненные значения узловых напряжений после первой итерации при весовом коэффициенте
будут равны
.
Расчет на ЭВМ с точностью до пятого знака после запятой уже на четвертой итерации привел к результатам
;
;
;
.
Таким образом, получен тот же результат, что и в первом примере данного раздела.
При выводе соотношений алгоритма Ньютона-Рафсона применительно к узловому методу был использован классический подход, основанный на совокупности компонентных и топологических уравнений. При этом топологические соотношения отображались матрицей инциденций. Однако в обобщенном узловом методе, как ранее отмечалось при изложении метода, можно использовать и формальный подход. При этом матрицу Якоби и вектор функций правой части системы Ньютона-Рафсона можно сформировать напрямую по информации о ветвях схемы.
Матрица Якоби имеет такую же структуру, что и матрица проводимости. Проводимости линейных ветвей включаются в матрицу Якоби методом добавления в соответствии с узлами подключения. Нелинейная проводимость
, включенная между узлами
и
, вызовет узловые токи 
, добавляемые в вектор функций. Дифференцируя эти соотношения по узловым напряжениям, получаем следующий фрагмент матрицы Якоби:
.
Эти производные вычисляются при напряжениях, полученных на предыдущей итерации. Аналогично вносятся и другие нелинейные проводимости. Структура Якобиана фиксирована и дает возможность использовать алгоритмы, предназначенные для разряженных матриц при расчете сложных схем.
|
|
|
Правая часть системы уравнений Ньютона-Рафсона, определяемая соотношением
, также может быть сформирована напрямую из компонентных уравнений ветвей методом добавления в соответствии с узлами подключения. Компонентные уравнения представляют собой токи линейных и нелинейных ветвей, подключенных к узлу, а также токи независимых источников тока, подключенных к узлу.
Так, диод, изображенный на схеме рис. 7.4, определит следующие элементы Якобиана и вектора правой части:


Рисунок 7.4 – Диод в качестве ветви схемы
Т.о., обобщенный узловой метод может рассматриваться как метод формирования математической модели нелинейной цепи.
Табличный метод. Перейдем к рассмотрению табличного метода формирования системы уравнений Ньютона-Рафсона.
Табличную систему как совокупность компонентных и топологических уравнений можно записать в общем виде
, (7.31)
, (7.32)
. (7.33)
Компонентные уравнения (7.32) определяют связь между токами и напряжениями ветвей в неявной форме. Для линейных ветвей компонентные уравнения, как известно, принимают обобщенную линейную форму
. (7.34)
Соответственно правая часть уравнения Ньютона-Рафсона может быть записана в виде
,
где
. Матрица Якоби на
-той итерации как производная вектора
по компонентам вектора
будет иметь вид
,
где 
.
Как видим, структура Якобиана совпадает с блочной формой табличной системы. Более того, в случае линейных цепей вместо компонентного уравнения (7.32) можно записать уравнение (7.34), и в результате дифференцирования вектора
убедимся, что Якобиан линейной цепи совпадает с традиционной матрицей коэффициентов табличной системы уравнений.
Система уравнений Ньютона-Рафсона, построенная на основе табличного метода, как обычно, имеет вид
,
где
. После определения вектора приращений уточняем вектор неизвестных
.
Таким образом, табличный метод также может рассматриваться как метод формирования математической модели нелинейной цепи.
|
|
|
Модифицированный табличный метод. В модифицированном табличном методе, в отличие от табличного метода, с целью сокращения размерности системы уравнений (7.31)-(7.33) из рассмотрения исключается уравнение связи напряжений ветвей и узлов. При этом блочное уравнение (7.31) подставляется в уравнение (7.32), в результате чего получаем модифицированную табличную систему уравнений
, (7.35)
. (7.36)
Следовательно, вектор правой части системы уравнений Ньютона-Рафсона, запишется в виде
,
где
– вектор неизвестных. Взяв производную на
-той итерации от вектора функций
, по компонентам вектора неизвестных
получим Якобиан
,
где
;
. Как видим, структура Якобиана совпадает со структурой матрицы коэффициентов модифицированной табличной системы уравнений. Более того, в случае линейных цепей, воспользовавшись компонентным уравнением (7.34) вместо (7.32), после подстановки в него (7.31) получаем
(7.37)
вместо уравнения (7.35) и, дифференцируя полученную систему (7.37) и (7.36), убеждаемся, что Якобиан линейной цепи вырождается в матрицу коэффициентов модифицированной табличной системы уравнений.
Таким образом, система уравнений Ньютона-Рафсона как математическая модель нелинейной цепи может быть сформирована модифицированным табличным методом.
Модифицированный узловой метод. В модифицированном узловом методе, объединяющем достоинства узлового и табличного методов, как известно, все ветви цепи делят на три группы:
1) группа ветвей, представимых проводимостью, причем токи этих ветвей не определяются в результате решения;
2) группа ветвей, не представимых проводимостью либо представимых проводимостью, но необходимо определить токи этих ветвей;
3) группа ветвей независимых источников тока, вносимых в вектор узловых токов.
В обобщенном виде узловые уравнения ветвей первой и третьей групп и компонентные уравнения ветвей второй группы можно записать как
, (7.38)
, (7.37)
где
;
;
.
Это позволяет записать вектор функций правой части системы уравнений Ньютона-Рафсона в виде
,
где
– вектор неизвестных. Дифференцируя на
-той итерации вектор функций по компонентам вектора неизвестных, получаем Якобиан системы уравнений Ньютона-Рафсона:
,
где
;
;
.
Как видим, структура Якобиана аналогична структуре матрицы коэффициентов модифицированного узлового метода.
Для линейных цепей узловые уравнения ветвей первой и второй групп и компонентные уравнения второй группы вместо (7.38) и (7.37) запишутся в виде
, (7.40)
, (7.41)
где
;
;
.
Дифференцированием этих уравнений можно убедиться, что Якобиан линейной цепи совпадает с обычной матрицей коэффициентов модифицированной узловой системы уравнений.
Таким образом, модифицированный узловой метод можно рассматривать, как метод формирования математической модели нелинейной цепи.
Модифицированный узловой метод с проверкой. Модифицированный узловой метод с проверкой, как известно, отличается от модифицированного узлового метода тем, что с целью снижения порядка из системы уравнений исключаются те переменные, значения которых заранее известны. Речь идет в основном о токах ветвей холостого хода и напряжениях ветвей короткого замыкания, встречающихся в идеальных управляемых источниках. При этом ветви также разбиваются на три группы, но ветви второй группы, вносимые в дополнение матрицы проводимости, предполагается заносить в соответствии с таблицей. При этом, однако, структура матрицы коэффициентов остается аналогичной структуре матрицы коэффициентов модифицированного узлового метода.
В обобщенном виде узловые уравнения первой и второй групп и компонентные уравнения ветвей второй группы можно записать как
, (7.42)
, (7.43)
где
;
;
. Это позволяет записать вектор функций правой части системы уравнений Ньютона-Рафсона в виде
,
где
– вектор неизвестных. Дифференцируя на
-той итерации вектор функций по компонентам вектора неизвестных, получаем Якобиан системы уравнений Ньютона-Рафсона
,
где
;
;
.
Как видим, структура Якобиана аналогична структуре матрицы коэффициентов модифицированного узлового метода с проверкой.
Для линейных цепей узловые уравнения ветвей первой и второй групп и компонентные уравнения ветвей второй группы вместо (7.42) и (7.43), как известно, запишутся в виде
, (7.44)
, (7.45)
где
;
;
.
Дифференцированием этих уравнений можно убедиться, что Якобиан линейной цепи совпадает с обычной матрицей коэффициентов модифицированной узловой системы с проверкой.
Т.о., модифицированный узловой метод с проверкой можно рассматривать как метод формирования математической модели нелинейной цепи.
Сходимость в диодно-транзисторных схемах. Применение метода Ньютона-Рафсона к расчету режимов диодно-транзисторных схем может привести к переполнению разрядной сетки ЭВМ. Это связано с тем, что в процессе итерационного поиска решения значения переменных, в частности напряжений, претерпевают значительные отклонения от начального значения. В то же время ВАХ-и диодов и транзисторов описываются в основном экспоненциальными зависимостями, небольшие изменения аргументов которых (напряжений на переходах) могут привести к весьма большим значениям функций (токов через переход), что и является основной причиной срыва итерационного процесса и переполнения разрядной сетки ЭВМ.
Поясним этот факт с помощью рис. 7.5, на котором изображена ВАХ диода.

Рисунок 7.5 – ВАХ диода
Пусть ток диода описывается ВАХ диода вида
. Предположим, что на
-той итерации получена точка
и алгоритм предсказал на линеаризованной характеристике новую точку
. Согласно алгоритму, необходимо определить
, что может в случае экспоненциальной характеристики повлечь переполнение разрядной сетки ЭВМ. В качестве альтернативного шага определения
предлагается брать горизонтальную проекцию на ВАХ точки пересечения вертикальной проекции точки
. Тогда
, а инверсия вольтамперной характеристики дает
. Горизонтальную проекцию на ВАХ можно использовать для всех напряжений на диоде превышающих
. Напряжение
соответствует
, что вполне представимо в современных ЭВМ.
Другое эвристическое правило рекомендует использовать горизонтальную проекцию, при
, а вертикальную в противном случае.
Трудности могут возникнуть и при отрицательных смещениях на диоде, так как при итерациях вычисляются производные от ВАХ
, которые при
могут оказаться слишком малыми. Во избежание этой ситуации при отрицательных напряжениях на диоде предлагается заменить ВАХ касательной при
.
Аналогично в качестве альтернативного подхода при прямом смещении на диоде, превышающем
, можно предложить заменять ВАХ на ее производную в точке
.
Подобные способы преодоления переполнения разрядной сетки ЭВМ, в процессе итерационного поиска решения нелинейных систем уравнений, можно рекомендовать и в схемах на биполярных транзисторах, так как вольтамперные характеристики переходов также имеют экспоненциальную зависимость от напряжений на переходах.






