РАСЧЕТ ЦЕПЕЙ ПО ПОСТОЯННОМУ ТОКУ
Определение рабочей точки или расчет электрических цепей по постоянному току является обычно первым шагом при анализе нелинейных схем. Дело в том, что от режима работы, т.е. рабочей точки, существенно зависят параметры нелинейных элементов – диодов, транзисторов и так далее и соответственно характеристики нелинейных устройств. Математической моделью цепи по постоянному току является в общем случае система нелинейных алгебраических уравнений. При расчетах цепей по постоянному току используются нелинейные статические модели элементов. Реактивные элементы схемы в этом случае исключаются – конденсаторы заменяются разомкнутыми ветвями (х.х.), а катушки индуктивности – короткозамкнутыми ветвями (к.з.). Аналитические решения нелинейных алгебраических систем, как правило, отсутствуют, и используются итерационные методы, позволяющие определить приближенное решение с любой наперед заданной точностью.
Расчет по постоянному току включает в себя определение установившихся напряжений и токов цепи при включении источников питания и требует в общем случае решения систем нелинейных алгебраических уравнений. Наиболее распространенным алгоритмом решения систем нелинейных алгебраических уравнений является алгоритм Ньютона-Рафсона. В этом разделе предстоит рассмотреть данный алгоритм применительно к наиболее известным методам формирования математических моделей электронных схем – обобщенному узловому, табличному, модифицированному узловому и модифицированному узловому с проверкой.
|
|
|
Алгоритм Ньютона-Рафсона. Алгоритм Ньютона-Рафсона часто используется как один из методов отыскания корней полиномов и имеет квадратичную сходимость при хорошем начальном приближении.
В скалярном представлении при решении в общем случае нелинейного уравнения вида f(x)=0 итерации вычисления очередного решения определяются выражением
, (7.1)
где
– номер итерации.
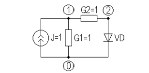
Для некоторых простейших цепей возможно исключение промежуточных переменных и сведение задачи к поиску решения одного нелинейного уравнения. Для иллюстрации итерационной природы алгоритма рассмотрим подобный пример для схемы, изображенной на рис. 7.1.

Рисунок 7.1 – Простая нелинейная схема
Пусть вольт-амперная характеристика (ВАХ) полупроводникового диода определяется упрощенным выражением
,
здесь использовано
.
Значения номиналов других ветвей приведены на рисунке 7.1.
Узловая система уравнений для данной схемы запишется в виде
,

Поскольку
входит в оба уравнения линейно, исключим это напряжение, выразив из первого уравнения
через 
,
|
|
|
и, подставив его во второе уравнение, получим

Производная от этой функции-выражения запишется как

Приняв в качестве начального значения
и подставив полученные выражения в (7.1), в результате итераций с заданной точностью получим установившееся значение
, откуда однозначно следует
.
Небольшое изменение цепи, например замена проводимости
диодом, приведет уже к двум нелинейным уравнениям, поэтому целесообразно рассмотреть развитие метода Ньютона-Рафсона применительно к системе нелинейных алгебраических уравнений.
Рассмотрим систему
нелинейных уравнений с
переменными
:

Обозначим вектор переменных через
, а вектор функций через
тогда, в общем виде эту систему можно записать как
. (7.2)
Опишем решение системы нелинейных уравнений (7.2), основанное на ее линеаризации. Линеаризация представляет собой достаточно распространенный прием преобразования нелинейной системы в линейную систему путем разложения ее в окрестности предполагаемого решения в ряд Тейлора и удержания первых линейных членов ряда, включая первые производные.
Итак, предполагая, что система имеет решение
, разложим каждую функцию системы в ряд Тейлора в окрестности предполагаемого решения:

Предположив, что
близко к
, пренебрежем членами выше первого порядка и запишем систему в линеаризованной форме:

где
-
матрица Якоби.
Если приравнять к нулю полученную систему уравнений, то решение не будет точно равно
из-за пренебрежения членами более высокого порядка и будет равно некоторому новому значению
. Отклонение от точного решения зависит от того, насколько хорошо многомерная поверхность, соответствующая нелинейной системе, аппроксимируется многомерной плоскостью в окрестности решения соответствующей линеаризованной системы. Кроме того, известно, что при соблюдении ряда условий и, в частности, при наличии хорошего начального приближения повторное решение линеаризованной системы (при использовании предыдущего решения в качестве нового начального приближения), обеспечивает снижение погрешности.
Таким образом, мы пришли к понятию итерации, основанной на повторном решении системы, и понятию сходимости решения, т.е. уменьшения ошибки при использовании предыдущего решения для вычисления нового.
Используя верхние индексы для обозначения последовательности итераций, можем записать линеаризованную систему в виде
.
Формально решение этого уравнения на текущей итерации запишется как
. (7.3)
На практике стараются обойтись без явного обращения матрицы Якоби.
Так, некоторые авторы предлагают использовать итерационные соотношения для вычисления обратной матрицы Якоби текущей итерации через известную обратную матрицу на предыдущей итерации. Если новую матрицу Якоби представить как
(7.4)
тогда с определенным приближением можно записать
(7.5)
где
– единичная матрица;
– матрица приращения компонент матрицы Якоби на
-той итерации. Для малых приращений выражение (7.5) можем переписать в виде
. (7.6)
Таким образом, получив однажды обратную матрицу, при условии малости приращений на очередной итерации можно воспользоваться соотношением (7.6) для нахождения приближенного значения обратной матрицы следующей итерации. Использование этого соотношения, однако, ограничивается требованием обеспечения малости приращений. Обозначив
, перепишем уравнение (7.3) в виде
. (7.7)
Решение уравнения, т.е. вектор приращений
, найдем, например, с помощью LU-факторизации, а новое значение вектора переменных определим из уравнения
. (7.8)
Совокупность уравнений (7.7) и (7.8) есть запись алгоритма Ньютона-Рафсона.
Отметим также, что если в соотношении (7.7) убрать знак минус в первой части, тогда знак минус появиться в соотношении (7.8) перед вторым слагаемым. Алгоритм имеет довольно быструю сходимость – квадратичную вблизи точки решения. Недостаток алгоритма заключается в необходимости вычисления матрицы Якоби на каждой итерации.
|
|
|
Можно показать, что цель алгоритма заключается в уменьшении нормы ошибки от итерации к итерации
. (7.7)
Для обеспечения сходимости зачастую используют модифицированную форму уравнения (7.8)
, (7.10)
где
– параметр, выбираемый обычно в интервале
для обеспечения сходимости таким образом, чтобы выполнялось соотношение (7.7).
Проиллюстрируем применение алгоритма Ньютона-Рафсона на примере решения системы нелинейных уравнений для двухдиодной цепи, изображенной на рис. 7.2.

Рисунок 7.2 – Нелинейная цепь на двух диодах
Пусть каждый диод представлен упрощенной ВАХ
,
а начальные значения для напряжений на диодах, совпадающие с узловыми потенциалами, примем равными 
Метод узловых потенциалов дает следующую систему уравнений

Раскрывая выражение для токов диодов и подставляя численные значения, получаем

Вектор нелинейных функций и Якобиан системы определяются выражениями


При заданных начальных значениях нелинейные функции и Якобиан равны


Решение исходной нелинейной системы дает

Прибавляя полученные значения к начальным приближениям, получим


Расчеты значений на ЭВМ с точностью до пятого знака после запятой дают следующие результаты для напряжений:
;
. Хотя начальное приближение далеко отстояло от полученного решения, алгоритм сошелся за 7 итераций.






