Эффективность ионизации газа в различных плазменных устройствах может сильно различаться. Например, в ВЧ разряде без магнитного поля она составляет 10-5 – 10-7, в ВЧ разрядах с поперечным однородным магнитным полем составляет 10-4 – 10-5, в СВЧ разрядах достигает 10-2. Применение неоднородного магнитного поля позволяет в ВЧ разрядах получать степень ионизации газа, приближающуюся к степени ионизации в СВЧ разрядах.
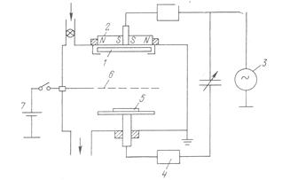
Применение техники высокочастотного распыления в магнетронных распылительных системах позволяет получать высококачественные пленки не только металлов, но и диэлектриков путем использования диэлектрических мишеней. На Рис. 6 приведена схема высокочастотной магнетронной распылительной системы с дополнительным сетчатым электродом.

Рис. 6. Схема высокочастотной магнетронной распылительной системы с дополнительным сетчатым электродом.
На Рис. 6 обозначено: 1 – мишень, 2 – магнитная система, 3 – ВЧ-генератор, 4 – блок согласования генератора с нагрузкой, 5 – подложка, 6 - сетчатый электрод, 7 – постоянное смещение.
На сетчатый электрод подается постоянное смещение, равное 100 Вольтам, в результате чего обеспечивается улавливание высокоэнергетичных электронов, способных вызвать рентгеновское излучение. Это позволяет существенно снизить радиационные дефекты в подзатворном диэлектрике SiO2 и в межслойной изоляции полупроводниковых структур. Сочетание последовательных циклов осаждения и травления позволяет получать слои диэлектриков, осажденных на алюминий, с высотой ступенек и расстоянием между ними в пределах 10 мкм.
ЛЕКЦИЯ 16. ТЕХНОЛОГИИ ФОТОЛИТОГРАФИИ.






