
Логический элемент И - НЕ для сигналов положительной полярности показан на рис.5. 1. Он представляет собой соединение через диоды Дс двух элементов: диодного элемента И и транзисторного элемента НЕ. При анализе работы элемента необходимо иметь в виду, что в схеме используется кремниевый транзистор, который переходит в режим отсечки при напряжении базы менее 0,6В. При повышении напряжения он быстро переходит в режим насыщения.
Напряжение между эмиттером и коллектором в этом случае снижается до 0,4В. Рассмотрим работу элемента. Если на все входы подано напряжение U1 (логическая 1), все диоды (Д1, Д2,Д3) будут закрыты и ток в цепи: источник E1, резистор R1, открытые диоды Дc, пройдет в базу транзистора. Вследствие падения напряжения на резисторе R1 потенциал базы окажется несколько ниже потенциала E1, но выше 0,6 В, так что транзистор будет находиться в режиме насыщения.
На выходе элемента НЕ установится низкое напряжение, соответствующее логическому 0.Если хотя бы на один вход (например, Вход 1) будет подано напряжение U°, то соответствующий диод будет открыт. Ток от источника E1 будет проходить через резистор R1. Часть тока замкнется через открытый диод Д1 , источник входного сигнала, часть — через смещающие диоды Дс, резистор R2 , транзистор.
При этом элемент рассчитывают таким образом, чтобы потенциал базы из-за падения напряжения на R1 и Дс становился бы менее 0,6 В. В этом случае транзистор будет закрыт и на выходе элемента НЕ напряжение окажется равным Eк , т.е. получим логическую 1.
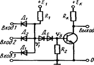
Логический элемент ИЛИ-НЕ диодно-транзисторной логики показан на рис. 5.2.
Принцип действия его состоит в следующем. Если хотя бы на один из входов подается потенциал логической единицы, то соответствующий диод открывается и этот потенциал передается на базу транзистора. Транзистор переходит в состояние насыщения и на его выходе установится низкое напряжение, т.е. U0. Если все входные сигналы нулевые, то потенциал базы менее 0,6В, транзистор в состоянии отсечки и на выходе - напряжение логической единицы.
5. 2. Логический элемент И – НЕ транзисторно-транзисторной логики (ТТЛ)
Простейший элемент И - НЕ показан на рис.5. 3. Он состоит из двух частей: элемента И на многоэмиттерном транзисторе Т1 и элемента НЕ на транзисторе Т2. Три эмиттерных перехода Т1 , подключенных к входу элемента, выполняют функции входных диодов (Д1, Д2,Д3) в схеме (рис.5. 1).
По сравнению с ДТЛ-элементами элементы ТТЛ обладают более высоким быстродействием. Элемент выполнен по технологии интегральных микросхем, поэтому он не содержит реактивных элементов. Рассмотрим принцип работы подобных схем. Если на все входы подать напряжение U1, то все эмиттерные переходы Т1 сместятся в обратном направлении. Потенциал базы транзистора Т1 будет больше потенциала коллектора.
Переход база - коллектор будет смещен в прямом направлении за счет источника +Eк . Транзистор Т1 будет в инверсном режиме, транзистор Т2 - в режиме насыщения. Коллекторный ток транзистора Т1 втекает в базу транзистора Т2, оставляя последний в режиме насыщения.
Таким образом, на выходе будет напряжение низкого уровня U0, т. е. логический 0.
Если на один из входов подано напряжение U0, то потенциал базы транзистора Т1 , станет выше потенциалов эмиттера и коллектора, поэтому Т1 окажется в режиме насыщения и ток базы замкнется через эмиттерные переходы и не поступит в его коллектор, а следовательно, и в базу Т2.
Поэтому транзистор Т2 будет закрыт, а на его выходе — напряжение высокого уровня (логическая 1). Таким образом, элемент выполняет операцию И - НЕ.