Типы зондирующих сигналов
В настоящее время принято разделять простые и сложные зондирующие сигналы. К простым относят импульсные сигналы с большой скважностью. У них длительность зондирующего импульса t в сотни и тысячи раз меньше, чем период следования импульсов T. Малая длительность t определяет разрешающую способность по дистанции, а большой период T обеспечивает максимальную дальность обнаружения цели с однозначным отсчетом.
Импульсные сигналы с малой скважностью, у которых T / t = 2¸10, используется редко, в тех случаях, когда не требуется хорошая разрешающая способность по дальности. Эти сигналы исторически появились первыми и были наиболее распространены, в силу простоты их формирования и обработки, в 50-60-х годах. Они нашли применение в доплеровских системах.
В последние два десятилетия более активно развиваются РК со сложными зондирующими сигналами. Среди них основными являются сигналы с линейной частотной модуляцией (ЛЧМ), фазовой манипуляцией и шумоподобные квазинепpерывные сигналы.
|
|
|
В РК дистанция определяется по задержке отраженного сигнала относительно зондирующего.
Для простых сигналов
D = c tз / 2, (2.12)
где c - скорость света; tз - задержка между зондирующим импульсом и отраженным, измеряемая по переднему фронту или центру тяжести импульсов; D - дистанция до наблюдаемого объекта. Приближенно задержка в одну микросекунду соответствует дистанции 150м.
Для сложных сигналов типа ЛЧМ дистанция определяется разницей частоты Df зондирующего и принимаемого сигналов:
D = c Df / 2kf , (2.13)
где kf - крутизна изменения частоты зондирующего сигнала.
В РК с фазоманипулированным или кодоимпульсным зондирующими сигналами дистанция определяется соотношением (2.12), но задержка измеряется между передним (задним) фронтом зондирующего импульса и передним (задним) фронтом отраженного сигнала после фильтра сжатия.
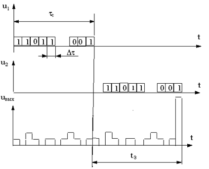
Структурная схема фильтра сжатия приведена на рис.2.5.

Рис. 2. 5
Суть его работы в том, что зондирующая последовательность сигналов u1 запоминается в первом регистре, на второй поступает принимаемая последовательность сигналов u2, обновляемая путем сдвига через каждый дискретный интервал времени Dt. Сигналы первого и второго регистров сравниваются параллельно для каждой пары ячеек и суммируются.

Рис. 2.6
Максимальным значение выходного сигнала uвых. будет в момент времени, когда модуляция (манипуляция) приемного сигнала совпадает с зондирующим.
Эпюры сигналов, поясняющие работу фильтра сжатия, приведены на рис. 2.6. Отметим, что окраска квантов сигнала (0 или 1) может быть амплитудная, частотная или фазовая.
Для более сложных типов шумоподобных сигналов задержка отраженного сигнала tз относительно зондирующего определяется по максимуму корреляционной функции R(t):
|
|
|
tc
tç = t ® max R (t) = ò u1(t) u2(t+t)dt, (2.14)
0
где tc - длительность зондирующего сигнала.
Развитие быстродействующих сигнальных процессоров и траспьютеров позволяет надеяться, что в ближайшие годы такая обработка сигналов в РК будет реальной.
Разрешающая способность РК по дистанции DD определяется длительностью импульса для простых сигналов и длительностью дискрета Dt для сложных сигналов: DD = c Dt / 2. Минимальная дистанция, которую можно измерить указанными способами, определяется длительностью зондирующего сигнала tc: Dmin = ctc/ 2.






