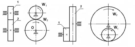
Передаточное отношение – это отношение угловых скоростей взаимодействующих (зацепляющихся) зубчатых колес. Если взаимодействие колес внешнее, то их передаточное отношение отрицательно (u1-2 < 0), (рис. 3.3), если взаимодействие внутреннее, то u1-2 > 0 (рис. 3.4). Знак «+» указывает на совпадение векторов угловых скоростей (направлений вращения колес).
Численно величина передаточного отношения ступени равна отношению угловых скоростей
, (1/с), частот вращений
, (об/мин), или обратному отношению количества зубьев колес
, радиусов начальных окружностей зубчатых колес ri:
. (3.1)


| Рис. 3.3. Пара зубчатых колес с внешним зацеплением: 1, 2 – зубчатые колеса | Рис. 3.4. Пара зубчатых колес с внутренним зацеплением: 1, 2 – зубчатые колеса |
Передаточное отношение одноступенчатого механизма целесообразно принимать не более 6...8, иначе возрастают габариты колеса и всего механизма, происходит неравномерный износ колеса (шестерня изнашивается быстрее).
Передаточное отношение сложных (многоступенчатых) зубчатых передач равно произведению передаточных отношений ступеней:
, (3.2)
где
– передаточные отношения ступеней; k – количество ступеней.