1 Специальные серии электродвигателей.
2 Тормозные устройства.
1 Специальные серии электродвигателей.
В настоящее время применяются двигатели постоянного и переменного тока, а т.к. режимы работы тяжелые, то двигатели выполняются с особым конструктивным исполнением.
Промышленность выпускает ряд серий электродвигателей, предназначенных для для работы в повторно-кратковременном режиме на переменном токе – Серия МТ (4МТ).
MTF, MTKF – крановые
MTH, MTKH – металлургические
Буква К – к.з. ротор
Мощности: 1,4-200кВт
ПВ=40%
Двигатели постоянного тока – серия Д.
| Тип | Мощность (ПВ=40%) | Назначение |
| MTKF | 1,4-22 | Крановые |
| MTF | 1,4-22 | Крановые |
| MTKH | 3-37 | Металлургические |
| MTH | 3-160 | Металлургические |
| 4MT | 2,2-200 | Краново- Металлургические |
| Д | 2,5-185 | Краново- Металлургические |
Особенности этих машин:
- специально изготовлены для работы в тяжелых режимах, частые пуски, остановки;
- удлиненная форма ротора (якоря) для снижения J;
- повышенное скольжение (MTKF, MTKH) (7-12%) (Для уменьшения потерь в переходных процессах в статоре);
|
|
|
- высокая перегрузочная способность
=(2,3-3) при ПВ=40% (4,5-5) при ПВ=100%.
Это приводит к увеличению величины относительного тока холостого хода, а, следовательно, снижаются энергетические показатели.
Также применяются двигатели нормального исполнения. Обычно для мощных механизмов. Двигатели, как правило, высоковольтные.
Если не требуется регулирование скорости, то используются быстроходные синхронные двигатели.
2 Тормозные устройства
Приводятся в действие посредством электромагнитных устройств постоянного и переменного тока.
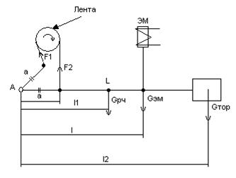
Схемы длинноходовых ленточных и колодочных тормозов:
- ленточных:
А – свободная (незакрепленная точка)
L – рычаг
Gрч – вес рычага
Gтор – вес тормоза
Gэм – вес электромагнита

- колодочных:

Под действием электромагнита рычанг Lперемещается вверх; освобождает вал, воздействуя на передачу, электромагнит включается с включением двигателя. При отключении двигателя от сети снимается напряжение с катушки электромагнита и его якорь под действием собственного веса (Gэм) перемещается с рычагом и дополнительным грузом (Gтоп), опускает рычаг – затормаживание.
Затормаживание коротко ходовых тормозных электромагнитов происходит полнопругим.
=>при наличии одного в катушке электромагнита двигатель растормаживается, а при отсутствии одного – затормаживается.
Также исполняются дисковые системы и системы с пневматическими и гидравлическими приводами.
Выбор тормозных устройств:






