Силы, создаваемые ЭС преобразователями, чрезвычайно малы и на несколько порядков меньше сил, которые можно получить в электромагнитных преобразователях. Однако ЭС преобразователи обладают рядом ценных качеств, которые обусловливают их применение в вольтметрах.
Во-первых, как видно из формулы вращающего момента ЭС преобразователя М вр=½ U 2¶ C /¶a, вращающий момент пропорционален квадрату напряжения как постоянного, так и переменного тока. Уменьшение напряжения на пластинах преобразователя (см. рис. 2-24, а) и, следовательно, частотная погрешность начнут проявляться только на частотах, при которых заметно падает напряжение на сопротивлении ввода z =
.
Сопротивление r незначительно, и им обычно можно пренебречь. Поэтому частотная погрешность может быть оценена формулой
.
Обозначив
, выражение для погрешности приведем к виду
. Частота f 0 лежит обычно в пределах 30 – 100 МГц. Соответственно при g f= 1% верхняя граница частотного диапазона ЭС преобразователей составляет 3 – 10 МГц, и эти преобразователи используются в вольтметрах с широким частотным диапазоном.
|
|
|
Во-вторых, ЭС преобразователь, обладая высоким входным сопротивлением, потребляет исключительно малую мощность: на постоянном токе его входное сопротивление R вх = 109¸1011 Ом, на переменном токе Z вх»1/(j w C). Если учесть, что входная емкость преобразователя не превышает 10 – 100 пФ, его сопротивление даже при частоте f = 1 МГц составляет не менее 10 – 1 кОм.
Наконец, в уравнение преобразования напряжения в силу или вращающий момент входят только стабильные величины – диэлектрическая проницаемость воздуха e0 и геометрические размеры, поэтому принципиально ЭС преобразователь обладает очень высокой точностью. Эти ценные качества обусловили, несмотря на малость создаваемых вращающих моментов, широкое применение электростатических вольтметров с пределами измерения 10 В – 100 кВ.
Схематическая конструкция механизма электростатического вольтметра С95 приведена на рис. 2-25. На стойке 2 укреплен на изоляционной колонке 11 неподвижный электрод 10, представляющий собой камеру из двух параллельных пластин. Между этими пластинами находится подвижный электрод 9. Подвижный электрод монтируется на оси 7, на этой же оси прикреплено зеркало 8. Подвижная часть крепится на двух растяжках 1. Растяжки крепятся к амортизационным пружинам со втулками 5. На стойке укреплен поводок корректора 4, ограничитель смещения подвижной части 6 и магнит успокоителя 3.

Рис. 2-25
Вращающий момент M вр=
.
Противодействующий момент Мпр = W a, где W – удельный противодей-ствующий момент растяжек.
|
|
|
Таким образом, угол поворота подвижной части

Шкала электростатических приборов принципиально нелинейна, линеаризации шкалы добиваются выбором специальной формы электродов. Для приборов с меняющейся площадью шкала будет близка к линейной, если удастся выбрать форму электродов так, что в рабочем диапазоне dS/d a» k/ a.
Вследствие того, что вращающие моменты электростатических измерительных механизмов очень малы, для всех конструкций характерен световой отсчет (стрелка в виде луча света) и крепление подвижной части на растяжках, причем одна из растяжек используется как токоподвод к подвижному электроду. В приборах применяются как воздушные, так и магнитоиндукционные успокоители, хотя в отдельных случаях достаточное успокоение создается уже самим подвижным электродом при его движении в узком зазоре между неподвижными электродами. Очень большое внимание при конструировании уделяется стабильности размеров, которые определяют геометрические параметры, входящие в выражение для вращающего момента. Наконец, ЭС преобразователь должен быть защищен от внешних электрических полей, поэтому в электростатических приборах применяется либо специальный экран, либо металлический корпус.
Форма электродов, приведенная на рис. 2-25, используется в вольтметрах с пределами измерения до 1 кВ.
Совершенно особую конструкцию имеют ЭС преобразователи, к которым подается напряжение 10 – 100 кВ. Внешний вид такого прибора и схематическая конструкция механизма показаны на рис. 2-26. Высоковольтный потенциальный электрод 1, размеры и форма которого рассчитываются из условий электрической прочности, закреплен на опорном изоляторе и находится на некотором расстоянии от второго электрода 2 (рис. 2-26, а). В электроде 2, который служит экраном, расположена подвижная часть и шкала измерительного механизма. Экран 2 электрически соединен с подвижным электродом 3, закрепленным на растяжках 4 (рис. 2-26, б). В экране, в области электрода 3, сделаны окна, форма и размер которых определяют шкалу измерительного прибора, так как только через эти окна электростатическое поле электрода 1 проникает через экран 2 и взаимодействует с подвижным электродом 3, создавая вращающий момент.
Электростатические обратные преобразователи. Принцип действия электростатического обратного преобразователя (ЭСОП) основан на возникновении силы между электрически заряженными телами. Сила взаимодействия между двумя пластинами конденсатора (рис. 2-27)
F =e SU2/ (2d20),
где U – напряжение между пластинами; d0 – зазор; S – площадь пластин; e – диэлектрическая проницаемость среды.

Рис. 2-27
ЭСОП нашли применение в приборах уравновешивания для измерения давления. Давление, создаваемое ЭСОП, составляет
Р b=e U 2/(2d20).
Отношение U /d0 ограничено возможностью пробоя, соответственно ограничено и давление, создаваемое ЭСОП, максимальное значение давления Р b = 100 Па.
Динамические конденсаторы, или емкостные вибрационные преобразователи, применяются при измерении мало меняющихся во времени малых токов или напряжений от источников с большим внутренним сопротивлением.
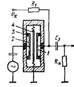
Схематическая конструкция динамического конденсатора мембранного типа с электростатическим возбуждением приведена на рис. 2-28. Неподвижные электроды 1 и 2 укреплены на изоляторах 3. Мембрана 4 служит подвижным электродом. К электроду 1 через резистор R1 подводится измеряемое напряжение Uх. K электроду 2 подводится возбуждающее переменное напряжение U ~= Um sinw t, под действием которого между электродом 2 и мембраной 4 возникает электростатическая сила

Эта сила вызывает постоянное смещение мембраны иее вибрацию с частотой 2w. Таким образом, зазор между электродом 1 и мембраной 4 также изменяется с частотой 2w и может быть определен формулой
|
|
|
d1=d01+d m cos2w t,
где d01 – средний зазор.
Емкость конденсатора, образованного электродом 1 и мембраной 4, меняется как
При включении конденсатора C 1 в режиме заданного заряда, т.е. при обеспечении условия C 01 R 1 R н>>1/(2w), напряжение на обкладках конденсатора меняется как
.
Конденсатор C 3 отфильтровывает постоянную составляющую, и выходное напряжение динамического конденсатора пропорционально UX и изменяется с частотой 2w:
U вых= kUX cos2w t.
Коэффициент преобразования k = Um вых/ UX составляетобычно не более 0,1 – 0,2.
Мощность, потребляемая динамическим конденсатором от источника измеряемого напряжения, определяется сопротивлением изоляции конденсатора, т.е. R ут. В качестве изоляторов применяется алундовая и цельзеиновая керамика. Сопротивление R ут составляет 1014–1017Ом.
Рис. 2-28 |
В качестве систем возбуждения используются системы электромагнитного, электростатического и пьезоэлектрического типов. Технологически трудно исключить все паразитные связи и добиться полной развязки между электрической цепью системы возбуждения и выходной цепью преобразователя. Поэтому в выходном напряжении преобразователя присутствует помеха, частота которой равна частоте напряжения возбуждения. Для уменьшения этой помехи путем фильтрации необходимо, чтобы частоты выходного сигнала и возбуждающего напряжения не совпадали. В рассматриваемом преобразователе, например, эти частоты отличаются в два раза.
Наиболее существенной погрешностью преобразователя является дрейф напряжения между электродами конденсатора, называемый дрейфом нуля. На величину дрейфа наибольшее влияние оказывает нестабильность контактной разности потенциалов, которая даже при применении всех мер стабилизации составляет 50—200 мкВ/сутки.
Рис. 2-28 





