Шифратор и дешифратор являются типовыми узлами ЭВМ.
Шифратор (кодер) преобразует единичный сигнал на одном из входов в n-разрядный двоичный код. Наибольшее применение он находит в устройствах ввода информации (пультах управления) для преобразования десятичных чисел в двоичную систему счисления. Предположим, на пульте десять клавиш с гравировкой от 0 до 9. При нажатии любой из них на вход шифратора подается единичный сигнал (Х0,..., Х9). На выходе шифратора должен появиться двоичный код (Y0,..., Y9) этого десятичного числа. Как видно из таблицы истинности (таблица В), в этом случае нужен преобразователь с десятью входами и четырьмя выходами.
Таблица В.
| Входы | Выходы | |||
| X | Y3 | Y2 | Y1 | Y0 |
На выходе Y0 еденица должна появиться при нажатии любой нечетной клавиши Х1, Х3, Х5, Х7, Х9, т.е. Y0=X1+X3+X5+X7+X9.
|
|
|
Y1=X2+X3+X6+X7; Y2=X4+X5+X6+X7; Y3=X8+X9.
Cледовательно, для реализации шифратора понадобится четыре элемента ИЛИ: пятивходовый, два четырех входовых и двухвходовый (рис.13.1.)

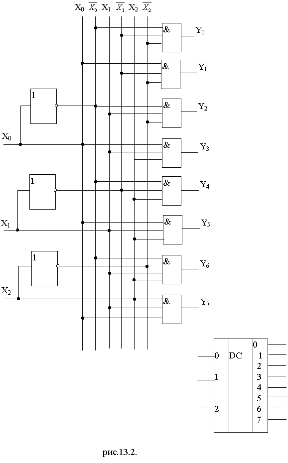
Дешифратор (декодер) - это узел, преобразующий код, поступающий на его входы, а сигнал только на одном из его выходов. Дешифраторы широко применяются в устройствах управления, в системах цифровой индикации с газоразрядными индикаторами, для построения распределителей импульсов по различным цепям и т.д. Схема используется я перевода двоичных цифр в десятичные. Дешифратор двоичного n-разрядного кода имеет 2n выходов, т.к. каждому из 2n значений входного кода должен соответствовать единичный сигнал на одном из выходов дешифратора.
Таблица истинности для дешифратора трехразрядного двоичного кода десятичных цифр:
Таблица С.
| Входы | Выходы (Y) | ||
| Х2 | Х1 | Х0 | |
Логические функции, описывающие работу такого дешифратора:
Y0=
×
×
Y1=
×
× X0
.
.
.
Y7=X2× X1× X0
На рисунке 13.2. показаны функциональная схема и условное обозначение одноступенчатого дешифратора на 3 входа.







