В АЦП входным сигналом является напряжение, выходным – соответствующий этому значению цифровой код. Для АЦП с высокочастотными сигналами часто необходимо квантование входного напряжения по времени и поддержание выбранного значения напряжения в течение всего времени преобразования. Эта операция выполняется отдельным устройством. В самом АЦП происходит квантование входного напряжения по уровням с соответствующим отображением в виде цифрового кода.
Принцип АЦП, состав и структурные схемы в значительной мере зависят от метода преобразований. АЦП по способу преобразования разделяются на последовательные, параллельные и последовательно-параллельные.
В последовательных АЦП входной аналоговый сигнал (далее входной сигнал) уравновешивается либо суммой эталонов, т.е. минимальных для данного преобразователя и равных друг другу мер (АЦП счета), либо набором из n эталонов, выработанных внутри преобразователя (где n – число разрядов АЦП) и взвешенных по двоичному счислению (АЦП сравнения). К последовательным АЦП счета относят преобразователи с накоплением, без промежуточного преобразования, с промежуточным преобразованием и интегрирующие [1].
|
|
|
К АЦП без промежуточного преобразования можно отнести преобразователи напряжение-частота. Частота повторения выходных импульсов таких преобразователей пропорциональна значению входного сигнала. Среди АЦП с промежуточным преобразованием чаще других используются преобразователи во временной интервал и частоту. В первом случае происходит последовательное преобразование входного сигнала во временной интервал и временного интервала в цифровой код. Во втором случае осуществляется последовательное преобразование входного сигнала в импульсы соответствующей частоты от генератора плавающей частоты, которые затем подсчитываются счетчиком за определенный интервал времени. Число зафиксированных им пульсов пропорционально входному сигналу.
Распространение получили интегрирующие АЦП с двухтактным интегрированием и с дискретной обратной связью. В преобразователях с двухтактным интегрированием выделяют АЦП с интегрированием входного сигнала за постоянный интервал времени и с интегрированием входного сигнала до заданной величины. Принцип их действий сводится к следующему: в первом такте интегрируется входной сигнал, во втором – противоположный ему по знаку опорный сигнал. Окончание первого такта интегрирования является началом второго. В течение выбранного такта интегрирования ведётся счет импульсов, который прекращается в момент равенства нулю сигнала на выходе интегратора. Число зафиксированных счетчиком импульсов пропорционально входному сигналу АЦП [1].
|
|
|
В интегрирующих АЦП с дискретной обратной связью осуществляется одновременное измерение входного сигнала и счет импульсов генератора в течение цикла преобразования. На входе интегратора происходят управляемый специальным устройством процесс суммирования или вычитания эталонных токов, поддерживающих выходное напряжение интегратора равным опорному. Число импульсов в счетчике пропорционально входному сигналу и определяется временем, необходимым для уравновешения заряда в конденсаторе интегратора эталонными токами. Аналого-цифровые преобразователи сравнения конвейерного типа представляют собой достаточно сложные схемы с большим числом аналоговых устройств. В последнее время они не находят широкого распространения в связи с появлением микросхем быстродействующих параллельных АЦП.
В каскадных АЦП сравнения можно выделить преобразователи с постоянными и переменными порогами, кодом Грея. В наиболее простых преобразователях с переменными порогами в каждом разряде преобразования используется компаратор. Пороговое напряжение первого компаратора (старшего разряда) постоянно и равно половине опорного напряжения 1/2Uоп. Порог срабатывания второго компаратора изменяется с помощью одноразрядного ЦАП, управляемого первым компаратором, и соответствует 3/4Uоп. Порог срабатывания n-го компаратора изменяется с помощью соответствующего ЦАП, управляемого предыдущими компараторами, и равен (2n–1)2nUоп, n – число разрядов АЦП. Цифровая информация получается с выхода каждого из nкомпараторов.
Наибольшее распространение среди АЦП сравнения получили преобразователи, реализующие принцип последовательных приближений. В АЦП последовательных приближений используются, как правило, ЦАП в цепи ОС и счетчик или регистр в качестве устройства управления. Сравнение входного сигнала с опорным ведется, начиная со значения 1/2Uоп, соответствующего старшему разряду выходного кода. Таким образом, n-разрядное преобразование выполняется всего за n тактов приближений. Разновидностью АЦП последовательных приближений являются преобразователи следящего типа, использующие реверсивный счетчик. В зависимости от результата сравнения входного и компенсирующего сигналов ОС он изменяет код на входе ЦАП в цепи ОС таким образом, чтобы код на выходе АЦП поддерживался около заданного значения с требуемой точностью.
В работе параллельных АЦП общим является то, что преобразуемый сигнал подается сразу на ряд параллельно включенных компараторов; Для получения цифрового кода сигналы с выходов компараторов обрабатываются в кодирующем устройстве. Параллельные АЦП являются наиболее быстродействующими и в последнее время получили значительное развитие в связи с достижениями в области изготовления БИС и СБИС.
В последовательно-параллельных АЦП используется сочетание методой последовательного и параллельного преобразования. В простейшем случае два и более параллельных АЦП работают последовательно во времени. Первый АЦП вырабатывает n старших разрядов выходного кода. Цифровая информация с выхода АЦП поступает на вход ЦАП, результат преобразования которого сравнивается с выходным сигналом. Получившийся остаток поступает на вход другого АЦП для получения m младших разрядов выходною кода [1].
Микроэлектронным АЦП присущи расширенные функциональные возможности, позволяющие использовать их в современных системах управления и обработки данных на основе МП и микроЭВМ.
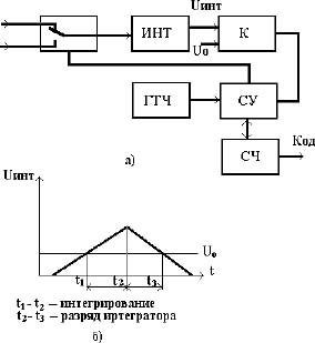
Рассмотрим структурную схему АЦП последовательного счета с двухтактным интегрированием (рис.3.9а). При пуске преобразователя входное напряжение через переключатель П подается на вход интегратора ИНТ. Напряжение интегратора Uинт поступает вместе с постоянным напряжением U0 на вход компаратора К. В момент t1 (рис.3.96), когда Uинт становится равным U0, сигнал с компаратора К подается на схему управления СУ, которая вызывает включение счетчика СЧ. На счетчик с момента t1 подаются импульсы с генератора тактовой частоты ГТЧ. Интегрирование ведется до момента t2, когда на счетчик поступает заданное число импульсов, и он будет сброшен в исходное положение. С этого момента через СУ подается сигнал на переключатель П. При этом на вход интегратора подается опорное напряжение Uоп, имеющее полярность, противоположную Uвх. Напряжение на интеграторе уменьшается до момента t3, когда Uинт станет равным U0, и с компаратора будет выдан сигнал на прекращение работы счетчика и отключение Uоп. На нем будет записан код
|
|
|
где Т - период тактовой частоты; b - число разрядов счетчика.
В рассмотренной схеме, за счет использования одних и тех же узлов на обоих этапах интегрирования Uвх и Uоп исключаются погрешности в формировании линейно изменяющегося напряжения, ошибки в срабатывании компараторов, погрешности в стабильности источника тактовой частоты, подавляются наложенные на сигнал помехи. К недостаткам преобразователя можно отнести невысокое быстродействие, обусловленное процессами интегрирования и Uвх и Uоп.
Структурная схема АЦП поразрядного кодирования показана на рис.3.10. В схему входит ЦАП, формирующий под действием кода регистра последовательного приближения эталонный сигнал Uэ. Процесс уравновешения Uвх и Uэ происходит последовательно путем сравнения этих напряжений. Сравнение начинается со старшего разряда. При этом регистр старшего разряда устанавливается в состояние лог.1, а остальные - в состояние лог.0. На выходе ЦАП появляется напряжение Uэb, соответствующее старшему разряду входного кода в ЦАП. Это напряжение сравнивается с Uвх. В зависимости от результата этого сравнения формируется окончательное значение старшего разряда кода регистра (выходного кода АЦП).
|
|
|

Рис. 3.9. АЦП последовательного счёта с двухтактным интегрированием
а) структурная схема; б) временная диаграмма
Если Uэb>Uвх, то в старшем разряде ставится 0 и далее производится сравнение Uвх с напряжением Uэ(b-l), соответствующим следующему разряду b–1. Если Uэb<Uвх, то в старшем разряде выходного кода ставится 1 и в дальнейшем производится сравнение разности Uвх–Uэb с величиной Uэ(b-1). Далее процесс преобразования идет аналогично. В результате преобразования напряжение Uвх уравновешивается суммой напряжений, снимаемых с ЦАП:
где а1 – коэффициенты 1 и 0 в разрядах выходного кода, снимаемого с регистра;
Uэi – напряжение ЦАП, соответствующее i-му разряду.

Рис. 3.10. Структурная схема АЦП поразрядного кодирования
В рассмотренном ЦАП время преобразования постоянно и определяется, в основном, числом разрядов и тактовой частотой fт.
Погрешность преобразования зависит от ошибок ЦАП и чувствительности компаратора.
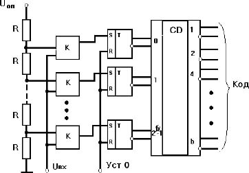
Структурная схема АЦП параллельного действия показана на рис.3.11. Принцип работы преобразователя основан на одновременном сравнении входного сигнала с 2b–1 эталонами, соответствующими b-разрядному двоичному коду, и кодировании результатов этого сравнения. В преобразователе 2b –1 формируются опорные напряжения с помощью резисторного делителя. Каждое опорное напряжение подается вместе с Uвх (UIRM) на соответствующий компаратор. Срабатывают лишь те компараторы, у которых Uвх>Uоп(UREF). Результат сравнения через фиксирующие триггеры Т подается на кодопреобразователь, преобразующий его в выходной код.

Рис. 3.11. Структурная схема АЦП параллельного действия
Подобные преобразователи являются наиболее быстродействующими, так как преобразование осуществляется за один цикл (одна операция сравнения). Недостаток этих преобразователей состоит в большом числе компараров, которое быстро нарастает с ростом числа разрядов.
При необходимости иметь повышенную разрядность (с сохранением высокого быстродействия при приемлемой сложности применяют параллельно-последовательные (комбинированные) АЦП. В них несколько малоразрядных АЦП параллельного действия соединяются последовательно между собой. Пример построения комбинированного АЦП показан на рис. 3.12.

Рис. 3.12. Структурная схема комбинированного АЦП
Входной аналоговый сигнал подаётся на первый АЦП, на выходе которого формируются старшие разряды выходного кода. Эти разряды подключаются также на вход ЦАП. Выходной сигнал ЦАП сравнивается в усилителе разности (УР) с входным сигналом. Разнос этих сигналов подается на вход второго АЦП, который преобразует его в выходной код младших разрядов.