Обычно триггер имеет два выхода: Q – прямой выход, Q ’ – инверсный, если Q =1, то Q ’=0 и наоборот. На схемах триггеры обозначаются символом D и порядковым номером на схеме (рис. 2). Входы обозначаются в соответствии с видом и назначением триггера (на рисунке не указаны).

Рис. 2 Обозначение триггера
Триггеры можно классифицировать по способам записи информации и управления, принципам построения, функциональным возможностям.
По способу записи информации различают асинхронные и синхронные триггеры.
Асинхронный триггер изменяет свое состояние в момент прихода сигнала на его информационные входы.
Синхронные триггеры меняют свое состояние под действием входных сигналов, только в момент прихода тактового сигнала на синхронизирующий вход С.
Они могут использоваться в сложных цифровых устройствах, где разделение работы на временные такты, когда выполняются определенные операции, исключает путаницу и сбои.
По способу записи информации входы триггеров разделяются на статические и динамические.
|
|
|
Первые реагируют на состояния входов (обозначение на рис. 2) и переключаются при наличии соответствующего потенциала (уровня напряжения). Динамические входы реагируют на изменения состояния на входах и управляются переходом между потенциалами. Передним фронтом импульса из 0 в 1 (варианты обозначения на рис. 3, а) или задним фронтом из 1 в 0 (рис. 3, б).

Рис. 3 Обозначения динамических входов, а:
переключение по переднему фронту,
б: переключение по заднему фронту
По функциональным возможностям различают триггеры: RS -триггер, D -триггер, T -триггер, JK -триггер, VD и VT -триггеры, а также NV- триггеры, которые после выключения напряжения питания сохраняют записанную в них информацию (энергетическая независимость).
2 Асинхронный RS -триггер
Асинхронный RS -триггер может быть реализован с помощью элементов 2ИЛИ-НЕ (рис. 4, а), таблица истинности (табл. 1). Он имеет два входа: S (et) установка (Q =1) и R (eset) сброс (Q =0).
Согласно временной диаграмме (рис. 4, б) и табл. 1, выход триггера переходит в состояние Q n +1 =1, если поступают сигналы S =1, R =0 (интервал времени t 1 – t 2) независимо от предшествующего состояния Q n.
При S =0, R = 1 выход триггера переходит в состояние Q n +1 = 0 (интервал t 3 – t 4). Когда S =0, R =0 триггер сохраняет прежнее значение Q n (интервалы t 2 – t 3; t 4 – t 5).
Комбинация сигналов S =1, R =1 запрещена, т.к. на прямом Q и инверсном Q’ выходе устанавливаются одинаковые значения, которые при переходе в режим хранения не удерживаются (интервал t 6 – t 7).

Рис. 4 Асинхронный RS -триггер на элементах 2ИЛИ-НЕ:
а – принципиальная схема; б – временные диаграммы работы
Таблица истинности RS -триггера Таблица 1
|
|
|
| № | R | S | Q n +1 | Q’ n +1 | Название режима работы |
| Q n | Q’ n | Хранение информации | |||
| Установка в 1 | |||||
| Установка в 0 | |||||
| – | – | Запрещенное состояние |
Для получения аналитического выражения при разработке схемы асинхронного RS -триггера необходимо составить полную таблицу истинности (табл. 2).
Полная таблица истинности RS -триггера Таблица 2
| № | R | S | Q n | Q n +1 |
| – | ||||
| – |
Наборам, где Q n +1= 1, соответствует характеристическое уравнение:
![]() |
В наборах 7, 8, где значение выхода не определено, можно указать 0 или 1 исходя из соображений простоты реализации схемы (рис. 4, а), которая составлена согласно полученному аналитическому выражению.
Асинхронный RS -триггер может быть собран на элементах 2И-НЕ (рис. 5, а), таблица истинности (табл. 3). В отличие от предыдущей схемы, триггер имеет инверсные входы.

Рис. 5 Асинхронный RS -триггер на элементах 2И-НЕ:
а – принципиальная схема; б – временные диаграммы работы
Таблица истинности RS -триггера Таблица 3
| № | R’ | S’ | Q n +1 | Q’ n +1 |
| Q n | Q’ n | |||
| – | – |
Анализ работытриггера (рисунки 4, а; 5, а) выполняется по следующему алгоритму:
- задать исходные значения выходов, например, Q n =0, Q’ n =1;
- выбирать значения входных сигналов R, S в соответствии с таблицей истинности;
- выполнить логические операции c заданными Q n и выбранными значениями R, S;
- новые (полученные) значения выходов Q n +1подать на входы и еще раз выполнить логические операции из-за возможности появления неустойчивых состояний.
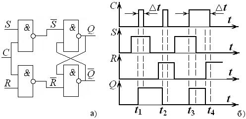
На основе RS -триггера получен ряд триггеров с различными функциональными возможностями. Например, синхронный RS -триггер (рис. 6), его таблица истинности табл. 4.

Рис. 6 Синхронный RS -триггер на элементах 2И-НЕ:
а – принципиальная схема; б – временные диаграммы работы
Таблица истинности синхронного RS -триггера Таблица 4
| № | C | R | S | Q n +1 | Q’ n +1 |
| Q n | Q’ n | ||||
| – | – | ||||
| X | X | Q n | Q’ n |
X – любое значение переменной, которая не оказывает влияния на результат.
Считывание сигналов с информационных входов R, S происходит при наличии тактового сигнала C на интервале времени D t, когда триггер работает как статическое устройство. Если в течение этого интервала по какой-либо причине происходит изменение входных сигналов R, S, то оно оказывает влияние на состояние выходов (интервал времени t 3 – t 4).
Чтобы сократить время считывания (приблизительно до пяти наносекунд) и таким образом повысить помехозащищенность триггера, тактовый вход C делают динамическим.
3 D -триггер
Схема D -триггера (рис. 7) имеет один информационный вход D и тактовый вход C, его таблица истинности табл. 5.
Триггер является простейшей ячейкой памяти и применяется только как синхронный элемент.

Рис. 7 D -триггер на элементах 2И-НЕ:
а – принципиальная схема; б – временные диаграммы работы
Таблица истинности D -триггера Таблица 5
| № | C | D | Q n +1 |
| X | Q n |
На рисунке 7 представлен синхронный потенциальный D -триггер. Если при наличии тактового сигнала C (интервал t 3 – t 5), происходит изменение входного сигнала D (в момент времени t 4), то это оказывает влияние на состояние выходов.
Чтобы повысить помехозащищенность триггера, тактовый вход C делают динамическим.
Если в схему D -триггера добавить разрешающий вход V,то такое устройство называется DV -триггером (рис. 8), таблица истинности табл. 6.
| Таблица истинности DV -триггера Таблица 6 | | |||
| № | V | C | D | Q n +1 |
| X | Q n | |||
| X | Q n | |||
| X | Q n |
Рис. 8 DV -триггер
|
|
|
Данные триггеры применяются:
- для задержки прохождения сигнала до появления тактового импульса;
- в регистрах и счетчиках;
- в запоминающих устройствах, требующих большого числа простых ячеек памяти.
4 T -триггер
Схема T -триггера (рис. 9) имеет один информационный динамический вход T, его таблица истинности табл. 7. Если в схему T -триггера добавить разрешающий вход V,то такое устройство называется TV -триггером (по аналогии с DV -триггером).
Таблица истинности T -триггера Таблица 7
| № | T | Q n | Q n +1 |
Рис. 9 T -триггер на основе RS -триггера:
а – принципиальная схема; б – временные диаграммы работы
Согласно временной диаграмме, в исходном состоянии Q =0, Q ’ =1, на входе R =0, S =1. По переднему фронту тактового импульса T =1 сигналы с выходов запишутся в триггер и установятся новые значения Q =1, Q ’ =0 (в момент времени t 1). Очередной тактовый импульс запишет их в триггер и в момент времени t 2 установятся значения Q =0, Q ’ =1.
Данный триггер применяется:
- для изменения знака двоичного числа в арифметико-логическом устройстве;
- в счетчиках, делителях частоты;
- в регистрах.







