Лекция № 8 ч.1.
Электрические характеристики электроизоляционных материалов.
Электрическими характеристиками для ЭИМ являются удельное электрическое сопротивление, электрическая прочность, относительная диэлектрическая проницаемость и угол диэлектрических потерь. Степень важности отдельных свойств зависит от применения данного материала. Для электроизоляционных материалов важнейшими являются их удельное электрическое сопротивление и электрическая прочность, а для диэлектриков в конденсаторах – относительная диэлектрическая проницаемость и угол диэлектрических потерь.
Электропроводность диэлектриков.
В электроизоляционных материалах вообще не должны были бы существовать свободные носители зарядов. Однако известно, что все ЭИМ в той или иной мере проводят электрический ток, Это означает, что они содержат определённое, хотя и очень малое количество свободных носителей зарядов. Образование свободных носителей зарядов в ЭИМ происходит по – разному в сильных и слабых электрических полях. В сильных электрических полях причиной образования свободных носителей зарядов служит само электрическое поле, Из-за высокой напряжённости электрического поля небольшая часть свободных носителей (которая всегда существует в любом веществе за счёт ионизации радиоактивными и космическими излучениями) приобретает такую скорость, при которой способны ионизировать нейтральные частицы ЭИМ. В результате возникает ударная ионизация.
|
|
|
В слабых электрических полях причиной возникновения свободных носителей заряда является диссоциация загрязнений и примесей, так как при диссоциации образуются ионы то для большинства ЭИМ электропроводимость носит ионный характер.
У электроизоляционных материала различают два вида электропроводности: объёмную и поверхностную. Объёмной электропроводностью обладают диэлектрики в любом агрегатном состоянии. Поверхностной электропроводностью обладают только твёрдые диэлектрики. Чем выше электропроводность диэлектрика тем ниже его качества как изолирующего материала.
Для сравнения различных ЭИМ между собой по электропроводности введены понятия удельного объёмного ρv, и удельного поверхностного ρs сопротивления.
|
|
|

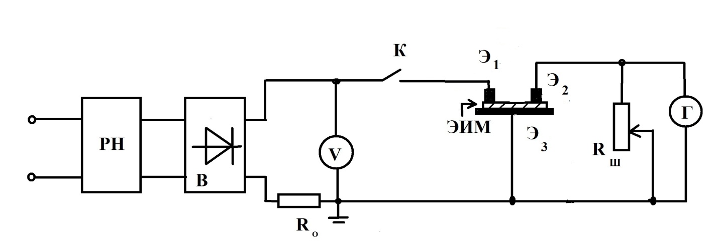
Рис. 1.
Соответственно:
РН – регулятор напряжения; В – выпрямитель; V – киловольтметр; RО – ограничительное сопротивление предназначенное для обеспечения безопасной работы; К – ключ; Э1, Э2 –электроды; ОК – охранное кольцо (исключает при измерениях поверхностные токи), ЭИМ – испытуемый материал, Rш –токоотводящий шунт (предназначен для расширения пределов измерений); Г – гальванометр.
Величина объёмного сопротивления определится по формуле:
,
где U – приложенное напряжение, Iv – измеренный ток, S – площадь электрода Э1, d – толщина ЭИМ; единица измерения ρv –
.
Удельное поверхностное сопротивление ρs равно сопротивлению квадрата любых размеров, мысленно выделенного на поверхности ЭИМ так, чтобы ток проходил через две противоположные стороны квадрата. Его значение тем выше, чем меньше полярность диэлектрика, чем лучше отполирована и чище его поверхность. Схема для измерения ρs представлена на рисунке 2:
Отличие данной схемы от предыдущей заключается в функциональной принадлежности электродов. Электроды Э1 и Э2 предназначены для приложения испытательного напряжения к ЭИМ, электрод Э3 выполняет функцию охранного кольца и исключает при измерениях объёмного тока сквозь толщу материала. Величина удельного поверхностного сопротивления будет определена:
,

где: U – приложенное напряжение, Is – измеренный ток, l - длина электродов, b – расстояние между электродами; единица измерения ρs -
.