АВТОМАТИКА, АВТОМАТИЗАЦИЯ И АСУТП
Методические указания по выполнению
Курсовой работы
для студентов
инженерно-технологического факультета
Составили: доц. Богданович П.Ф.
доц. Григорьев Д.А.
ассист. Потреба В. В.
Утверждено на заседании
кафедры ТОП и ППЖ
‹‹ ››______2012г.
Протокол №__
Гродно, 2012
УДК: 631. 171 (075.8)
Рецензент: кандидат технических наук, доцент Э.В.Заяц
Богданович П. Ф.
Григорьев Д. А.
Потреба В. В.
Автоматика, автоматизация и АСУТП Методические указания по выполнению курсовой работы.
:.
Б? Для студентов инженерно-технологического факультета /
П. Ф. Богданович, Д. А Григорьев, Потреба В. В. – Гродно: ГГАУ, 2009. -32 с.
Методические указания предназначены для студентов инженерно-технологического факультета. Приведены варианты заданий курсовой работы, изложены требования к оформлению. Даны пояснения наиболее важных теоретических положений по вопросам устойчивости линейных автоматических систем с обратной связью.
Рекомендовано методической комиссией инженерно-технологического факультета
|
|
|
«» 2012г.
Протокол №
| СОДЕРЖАНИЕ | ||
| Общие сведения | ||
| Тематика и варианты заданий | ||
| Объем и содержание курсовой работы | ||
| Методические рекомендации по выполнению и оформлению курсовой работы | ||
| 4.1 | Титульный лист | |
| 4.2 | Задание на курсовую работу | |
| 4.3 | Реферат | |
| 4.4 | Содержание | |
| 4.5 | Введение | |
| 4.6 | Описание и анализ ТП как объекта автоматизации | |
| 4.7 | Выбор и обоснование датчиков | |
| 4.8 | Описание структурной схемы САР заданного технологического процесса | |
| 4.9 | Анализ САР | |
| 4.91 | Передаточная функция САР | |
| 4.9.2 | Анализ устойчивости системы | |
| 4.9.3 | Качество управления системы | |
| 4.10 | Безопасность жизнедеятельности | |
| 4.11 | Заключение | |
| 4.12 | Использованные источники информации | |
| 4.13 | Брошюрование пояснительной записки | |
| Список рекомендуемой литературы | ||
| Приложение А Титульный лист | ||
| Приложение Б Задание на курсовую работу | ||
| Приложение В Оригиналы и изображения некоторых функций | ||
| Приложение Г Технические характеристики некоторых видов датчиков | ||
| Приложение Г.1 Датчики влажности | ||
| Приложение Г.2 Датчики температуры | ||
| Приложение Г.3 Датчики веса | ||
| Приложение Г.4 Датчики частоты вращения |
ОБЩИЕ СВЕДЕНИЯ
Целью курсовой работы является ознакомление студентов с методикой выбора, расчета и анализа простых технических средств автоматизации технологических процессов (ТП).
Выполнение курсовой работы осуществляется под руководством преподавателей кафедры. Каждый студент получает индивидуальное задание по автоматизации конкретного технологического процесса. При этом он должен выполнить:
|
|
|
- описание технологического процесса;
- обзор и анализ наиболее распространенных схем автоматизации заданного ТП;
- описать структурную схему автоматизации ТП и ее элементы;
- обосновать требования к датчику параметра САР;
- осуществить (если требуется по заданию) выбор датчика и других элементов схемы;
- выполнить анализ схемы автоматизации;
- разработать вопросы охраны труда и охраны окружающей среды согласно теме курсовой работы.
ТЕМАТИКА И ВАРИАНТЫ ЗАДАНИЙ
В качестве темы курсовой работы студенту предлагается автоматизация технологического процесса хранения или переработки растительного (или животного) сырья.
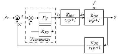
Варианты заданий, соответствующие схеме САР (Рис 2.1), приведены в табл. 2.1-2.2.

Рисунок 2.1 - Структурная схема САР ТП:
у0 – заданный параметр;
у – регулируемый параметр;
f – возмущающее воздействие;
КУ – коэффициент передачи (КП) усилительного звена;
ККЭ – КП корректирующего звена;
КИМ – КП исполнительного механизма;
КОР – КП объекта регулирования;
КОС – КП обратной связи;
ε – рассогласование между у0 и у1;
z1, z2 – промежуточные значения сигналов;
τ1, τ2, τ3 – постоянные времени.
Таблица 2.1 - Варианты заданий по автоматизации процесса
измельчения зерна.
| Скорость вращения рабочего органа - y0 = 250 ± 5 об/мин. ОС − датчик угловой скорости - тахогенератор, t3 = 0. | ||||||
| Вариант задания | Параметры звеньев (Рис. 2.1) | |||||
| КУ | КИМ ,
|
1, с
| КОР,
|
2, с
| КОС ,
| |
| 1.01 1.02 1.03 1.04 1.05 1.06 1.07 1.08 1.09 1.10 1.11 1.12 1.13 1.14 1.15 1.16 1.17 1.18 1.19 1.20 1.21 1.22 1.23 1.24 1.25 1.26 1.27 1.28 | 1,4 1,2 1,0 0,8 0,6 1,4 1,2 1,0 0,8 0,6 1,4 1,2 1,0 0,8 0,6 1,4 1,2 1,0 0,8 0,6 1,4 1,2 1,0 0,8 0,6 1,0 0,8 0,6 | 0,5 0,5 0,5 0,5 0,5 0,5 0,5 0,5 0,5 0,5 0,6 0,6 0,6 0,6 0,6 0,6 0,6 0,6 0,6 0,6 0,7 0,7 0,7 0,7 0,7 0,7 0,7 0,7 | 0,9 1,0 1,1 0,9 1,0 1,1 0,9 1,0 1,1 0,9 1,0 1,1 0,9 1,0 1,1 0,9 1,0 1,1 0,9 1,0 1,1 0,9 1,0 1,1 0,9 1,0 1,1 0,9 | 1,0 1,0 1,0 1,0 1,0 1,0 1,0 1,0 1,0 1,0 0,8 0,8 0,8 0,8 0,8 0,8 0,8 0,8 0,8 0,8 0,9 0,9 0,9 0,9 0,9 0,9 0,9 0,9 |
Таблица 2.2 - Варианты заданий по автоматизации
процесса пастеризации молока.
| Заданная температура - y0 = 90 ±1,5°С. ИМ - электропривод клапана подачи пара, t1 = 0. | ||||||
| Вариант задания | Параметры звеньев (Рис. 2.1) | |||||
| КУ | КИМ ,
| КОР,
| 2, с
| КОС,
| 3, с
| |
| 2.01 2.02 2.03 2.04 2.05 2.06 2.07 2.08 2.09 2.10 2.11 2.12 2.13 2.14 2.15 2.16 2.17 2.18 2.19 2.20 2.21 2.22 2.23 2.24 2.25 2.26 2.27 2.28 | 0,9 1,0 1,1 0,9 1,0 1,1 0,9 1,0 1,1 0,9 1,0 1,1 0,9 1,0 1,1 0,9 1,0 1,1 0,9 1,0 1,1 0,9 1,0 1,1 0,9 1,0 1,1 0,9 | 1,8 1,8 1,8 1,8 1,8 1,8 1,8 1,8 1,8 2,0 2,0 2,0 2,0 2,0 2,0 2,0 2,0 2,0 1,9 1,9 1,9 1,9 1,9 1,9 1,9 2,0 2,0 2,0 | 0,08 0,09 0,1 0,08 0,09 0,1 0,08 0,09 0,1 0,08 0,09 0,1 0,08 0,09 0,1 0,08 0,09 0,1 0,08 0,09 0,1 0,08 0,09 0,1 0,08 0,09 0,1 0,08 |
Таблица 2.3 - Варианты заданий по автоматизации
процесса охлаждения (замораживания) продукта.
| Заданная температура - y0 = – 20 ±1°С. ИМ - электропривод клапана подачи хладагента, t1 = 0. | ||||||
| Вариант задания | Параметры звеньев (Рис. 2.1) | |||||
| КУ | КИМ,
| КОР,
| 2,с
| КОС,
| 3, с
| |
| 3.01 3.02 3.03 3.04 3.05 3.06 3.07 3.08 3.09 3.10 3.11 3.12 3.13 3.14 3.15 3.16 3.17 3.18 3.19 3.20 3.21 3.22 3.23 3.24 3.25 3.26 3.27 3.28 | 0,9 1,0 1,1 0,9 1,0 1,1 0,9 1,0 1,1 0,9 1,0 1,1 0,9 1,0 1,1 0,9 1,0 1,1 0,9 1,0 1,1 0,9 1,0 1,1 0,9 1,0 1,1 0,9 | 0,05 0,05 0,05 0,05 0,05 0,05 0,05 0,05 0,05 0,05 0,06 0,06 0,06 0,06 0,06 0,06 0,06 0,06 0,06 0,06 0,07 0,07 0,07 0,07 0,07 0,07 0,07 0,07 | 0,8 0,85 0,9 0,95 0,8 0,85 0,9 0,95 0,8 0,85 0,9 0,95 0,8 0,85 0,9 0,95 0,8 0,85 0,9 0,95 0,8 0,85 0,9 0,95 0,8 0,85 0,9 0,95 |
Таблица 2.4 - Варианты заданий по автоматизации процесса
сушки продукта.
| Заданная влажность продукта - y0 = 12 ± 2%. ОС − датчик влажности, t1 = 0. | ||||||
| Вариант задания | Параметры звеньев (Рис. 2.1) | |||||
| КУ | КИМ,
| КОР,
| 2, с
| КОС ,
| 3,с
| |
| 4.01 4.02 4.03 4.04 4.05 4.06 4.07 4.08 4.09 4.10 4.11 4.12 4.13 4.14 4.15 4.16 4.17 4.18 4.19 4.20 4.21 4.22 4.23 4.24 4.25 4.26 4.27 4.28 | 0,04 0,04 0,04 0,04 0,05 0,05 0,05 0,05 0,06 0,06 0,06 0,06 0,04 0,04 0,04 0,04 0,05 0,05 0,05 0,05 0,06 0,06 0,06 0,06 0,04 0,04 0,05 0,05 | 0,5 0,6 0,5 0,6 0,5 0,6 0,5 0,6 0,5 0,6 0,5 0,6 0,5 0,6 0,5 0,6 0,5 0,6 0,5 0,6 0,5 0,6 0,5 0,6 0,5 0,6 0,5 0,6 | 0,4 0,4 0,4 0,5 0,5 0,5 0,6 0,6 0,6 0,4 0,4 0,4 0,5 0,5 0.5 0,6 0,6 0,6 0,4 0,4 0,4 0,5 0,5 0.5 0,6 0,6 0,6 0,4 |
Таблица 2.5 - Варианты заданий по автоматизации процесса
|
|
|
дозирования материала.
Скорость поступления материала - y0 = 0,5 ± 0,005 кг/с.
ОС - весовой датчик расхода; 3 = 0.
| ||||||
| Вариант задания | Параметры звеньев (Рис. 2.1) | |||||
| КУ | КИМ,
| 1,с
| КОР | 2, с
| КОС ,
| |
| 5.01 5.02 5.03 5.04 5.05 5.06 5.07 5.08 5.09 5.10 5.11 5.12 5.13 5.14 5.15 5.16 5.17 5.18 5.19 5.20 5.21 5.22 5.23 5.24 5.25 5.26 5.27 5.28 | 0,1 0,1 0,1 0,1 0,1 0,1 0,1 0,1 0,1 0,1 0,15 0,15 0,15 0,15 0,15 0,15 0,15 0,15 0,15 0,15 0,2 0,2 0,2 0,2 0,2 0,2 0,2 0,2 | 0,5 0,6 0,5 0,6 0,5 0,6 0,5 0,6 0,5 0,6 0,5 0,6 0,5 0,6 0,5 0,6 0,5 0,6 0,5 0,6 0,5 0,6 0,5 0,6 0,5 0,6 0,5 0,6 | 0,8 0,9 1,0 1,1 1,2 1,3 1,4 0,8 0,9 1,0 1,1 1,2 1,3 1,4 0,8 0,9 1,0 1,1 1,2 1,3 1,4 1,4 0,8 0,9 1,0 1,1 1,2 1,3 | 0,9 0,9 0,9 1,0 1,0 1,0 1,1 1,1 1,1 0,9 0,9 0,9 1,0 1,0 1,0 1,1 1,1 1,1 0,9 0,9 0,9 1,0 1,0 1,0 1,1 1,1 0,9 0,9 | 0,3 0,4 0,5 0,3 0,4 0,5 0,3 0,4 0,5 0,3 0,4 0,5 0,3 0,4 0,5 0,3 0,4 0,5 0,3 0,4 0,5 0,3 0,4 0,5 0,3 0,4 0,5 0,3 |
1, с






