Отличается от простейшей большим числом взаимозависимостей между работами. Кроме понятия «работа» сетевая модель ПДВ два типа зависимостей.
i. Технологическая зависимость,
, назначаемая проектировщиком и имеющая следующие формы (рис. 4) и величины:
а) |
б) |
в) |
г) |
Рис. 4. Формы технологической зависимости:
а) «Начало-начало»; б) «Окончание-окончание»;
в) «Окончание-начало»; г) «Начало-окончание».
Таким образом, разнообразие типов технологических зависимостей (12 типов) позволяет создавать модели, адекватные реальным ситуациям и процессам.
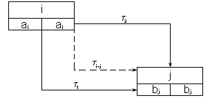
ii. Расчетная зависимость,
, всегда имеющая тип «окончание-начало», показывает, когда должна начаться следующая работа в целом по отношению окончания предыдущей работы в целом. Например, если имеются две работы, каждая из которых разделена на две захватки (рис. 5), то для определения
используется формула
,
где
- технологические зависимости между отдельными захватками;
- сумма ритмов на предыдущей работе справа от выхода стрелки;
- сумма ритмов на последней работе слева от входа стрелки.

Рис. 5. Обозначение работы, разделенной на 2 захватки
Условное обозначение работы на сетевом графике ОДВ приведено на рис. 6. Здесь приняты следующие обозначения параметров в ячейках прямоугольника:
- номер работы по порядку или ее шифр по сетевому графику;
- продолжительность работы в целом;
- количество смен работы бригады в сутки;
- количество человек в бригаде в смену;
(
) – срок раннего начала (окончания) работы;
(
) – срок позднего начала (окончания) работы;
,
- полный и частный резервы.

Рис. 6. Обозначение работы на сетевом графике ОДВ
Кроме того, существуют два вида ограничений на сроки выполнения работ:
,
- ограничения типа «не ранее», показывающие, не ранее какого срока может быть начата или закончена данная работа;
,
- ограничения типа «не позднее», показывающие, не поздней какого срока может быть начата или закончена данная работа.
Расчет сетевого графика ОДВ складывается из четырех последовательных этапов:
1) Определяются расчетные зависимости между отдельными работами
;
2) Прямой ход расчета, то есть определение сроков ранних начал и окончаний
(если нет других исходных данных),
,
;
3) Обратный ход расчета, то есть определение сроков поздних начал и окончаний
,
,
;
4) Вычисление резервов
,
.
Критический путь имеет место в том случае, если позднее окончание последней работы равно ее раннему окончанию, то есть
и
.
Если
, то имеет место путь критической продолжительности, который характеризуется работами критической продолжительности с частным резервом, равным нулю, и общим резервом, имеющим наименьшее значение по всему сетевому графику.
КАЛЕНДАРНОЕ ПЛАНИРОВАНИЕ ПРОИЗВОДСТВА РАБОТ
Календарные планы – вид проектной документации, в которых определены сроки, интенсивность и последовательность производства работ. Цель календарного планирования – разработать такой план, такое расписание производства работ, который был бы оптимален по выбранному критерию оценки с учетом ограничений на сроки выполнения некоторых работ.
В зависимости от назначения плана (текущий или оперативный), за критерий оценки принимают:
· минимальную продолжительность и максимальную прибыль – для текущего планирования;
· равномерность использования трудовых ресурсов и минимальные простои рабочих – для оперативного планирования.
Исходными данными для разработки календарного плана являются: проект организации строительства (ПОС), рабочие чертежи, сметы, данные о парке машин и механизмов, условия поставок оборудования, изделий и материалов, наличие и характеристика рабочих кадров.
Последовательность разработки календарного плана-графика производства монтажных работ следующая:
1) Анализ исходных данных на проектирование;
2) Составление номенклатуры работ;
3) Определение последовательности выполнения работ;
4) Выбор методов производства работ;
5) Определение объемов работ, трудоемкости работ, потребности в машино-сменах;
6) Назначение состава бригад (звеньев);
7) Определение производительности выполнения каждого вида работ;
8) Увязка выполнения отдельных работ во времени.
Календарный план-график производства работ следует выполнять строго по установленной форме (см. приложение IV).
Выполненный календарный план оценивают по графику потребности в рабочих кадрах. Здесь необходимо стремиться к выравниванию численности исполнителей работ. Для этого календарный план корректируют (оптимизируют) за счет сдвижки во времени некоторых работ.
Коэффициент неравномерности графика движения рабочих кадров, рассматривающийся, как отношение максимального числа рабочих к среднему, то есть
,
не должен превышать 1,5.
Здесь
.
7. Стройгенплан
Границы строительной площадки должны быть указаны на стройгенплане и ситуационном плане, а для линейных объектов - указаны в виде ширины полосы отвода.
При въезде на площадку следует установить информационные щиты с указанием наименования объекта, названия застройщика (заказчика), исполнителя работ (подрядчика, генподрядчика), фамилии, должности и номеров телефонов ответственного производителя работ по объекту и представителя органа госстройнадзора (в случаях когда надзор осуществляется) или местного самоуправления, курирующего строительство, сроков начала и окончания работ, схемы объекта.
В случае осуществления строительства на основании договора застройщик (заказчик) передает строительную площадку подрядчику (генподрядчику) как лицу, осуществляющему строительство, по акту. Площадь и состояние строительной площадки должны соответствовать условиям договора. Застройщик (заказчик) в соответствии с действующим законодательством в случаях и в порядке, предусмотренных договором, должен передать в пользование подрядчику (генподрядчику) здания и сооружения, необходимые для осуществления работ, обеспечить транспортирование грузов в его адрес, временную подводку сетей энергоснабжения, водо- и паропровода. Расстояние от пожарного гидранта до здания не ближе 5 м и не дальше 50 м, до дороги – 2,5 м При цветном выполнении генерального плана инженерные коммуникации имеют следующую цветовую гамму: сети водопровода – синий; тепловые сети – желтый; канализационные сети – коричневый; электрические сети – красный (причем сети постоянного тока обозначаются сплошной линией, а сети переменного – штриховой); телефонные сети – зеленый.
В случае необходимости по требованию органа местного самоуправления лицо, осуществляющее строительство, должно оборудовать строительную площадку, выходящую на городскую территорию, пунктами очистки или мойки колес транспортных средств на выездах, а также устройствами или бункерами для сбора мусора, а на линейных объектах - в местах, указанных органом местного самоуправления.
Временные здания и сооружения для нужд строительства возводятся (устанавливаются) на строительной площадке или в полосе отвода линейных объектов лицом, осуществляющим строительство, специально для обеспечения строительства и после его окончания подлежат ликвидации. Временные поселения, создаваемые для нужд строительства объекта, размещаются на территории застройщика или на территории, используемой застройщиком по соглашению с ее владельцем. Удаленность временных зданий от места производства работ не ближе 24 м и не далее 150 м для туалетов, 500 м для столовой, 75 м для питьевого фонтанчика и теплушки. Теплушку с гардеробом рядом не устанавливают. Проект временного поселения должен включать генеральный план, привязанный к местности, состав временных зданий, сооружений и (или) помещений, схемы электро-, водо-, теплоснабжения и канализации, схему подъездных путей для всех видов используемого транспорта, решения по обеспечению связи.
Складирование и хранение применяемых (покупных и изготавливаемых собственными силами) материалов, изделий и конструкций в соответствии с требованиями стандартов и технических условий на эти материалы, изделия и конструкции обеспечивает лицо, осуществляющее строительство.
При производстве работ, связанных с устройством временных выемок и других препятствий на территории существующей застройки, лицо, осуществляющее строительство, обеспечивает проезд автотранспорта и проход к домам путем устройства мостов, пешеходных мостиков с поручнями, трапов по согласованию с владельцем территории. После окончания работ указанные устройства должны быть вывезены с территории, а благоустройство территории должно быть восстановлено. Места работ должны быть огорожены для предотвращения несанкционированного проникновения людей и животных. Места работ, а также временных проездов и проходов должны быть освещены.
СПИСОК ЛИТЕРАТУРЫ
1. Амерханов, Р. Н. Ерошенко, Г. П. Эксплуатация теплоэнергетических установок и систем. – М.: Высш. школа, 2008. – 315 с.
2. Масловский, В. В. Технология производства комплектующих систем газотеплоснабжения и воздухообмена: учеб. пособие. – Харьков: Изд-во ХНАГХ, 2008. – 252 с.
3. Сидельковский, Л. Н., Юренев, В. Н. Котельные установки промышленных предприятий. Изд-во Бастет, 2009.
4. Соколов, Г. К. Технология и организация строительства. – М.: Издательский центр «Академия», 2008. – 528 с.
а)
б)
в)
г)