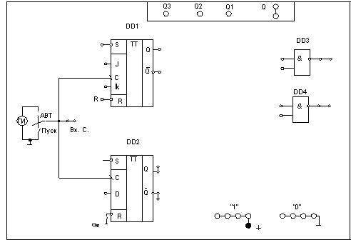
1. Макет лабораторной работы (№11).

Рисунок 4.3. - Макет лабораторной работы №4
2. Собрать схему RS–триггера на ЛЭ «2-И-НЕ» (DD3, DD4). Исследовать RS–триггер, используя индикатор Q и гнезда «1» и «0». Данные занести в табл.4.1.
Таблица 4.1-
Таблица истинности RS–триггера на ЛЭ И-НЕ
| № п.п. |
|
|
|
|
2. Исследовать тактируемый двухступенчатый JK–триггер с установочными входами, работающий по срезу тактового импульса С. Данные занести в табл.4.2.
Таблица 4.2-
Таблица истинности JK–триггера
| № п.п. |
|
| J | K | C |
|
|
3. Исследовать D–триггер. Данные занести в таблицу 4.3.
Таблица 4.3-
Таблица истинности D–триггера
| № п.п. |
|
| D | C |
|
|
4. Исследовать T–триггер (на базе JK-триггера). Данные занести в таблицу 4.4.
Таблица 4.4-
Таблица истинности Т–триггера
| № п.п. |
|
| Т | C |
|
|
5. Получить из D–триггера делитель частоты входных импульсов на 2. Для этого импульсы с генератора подать на вход С, а вход D соединить с инверсным выходом триггера
. Тогда по каждому срезу входных импульсов С триггер будет менять свое состояние на противоположное, а на его выходе будет меандр с частотой в 2 раза меньшей, чем на входе.
|
|
|






