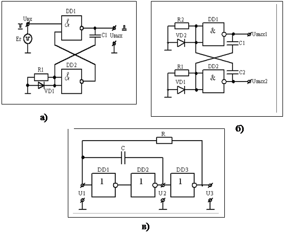
1. Макет лабораторной работы №3 представлен на рис. 3.4
![]() |
Рисунок. 3.4. – Макет лабораторной работы №3 для исследования:
а) одновибратора, б) мультивибратора, в) генератора импульсов
2. Исследование мультивибратора на ЛЭ “И-НЕ” (классическая схема).
2.1 Снять осциллограмму в контрольных точках схемы Uвх1, Uвых1, Uвых2. Построить в одной системе координат. Снять осциллограммы с помощью коммутатора. Амплитудные значения импульсов определяются без коммутатора и с коммутатором, а затем рассчитывают коэффициент передачи коммутатора.
2.2 Измерить с помощью осциллографа длительность импульса и период следования Т.
2.3 Рассчитать теоретические значения tим и Т, если R1 = R2 =510 Ом, С1 = С2 = 0.47 мкФ. Сравнить теоретические и практические значения, объяснить расхождения.
3. Исследование одновибратора на ЛЭ «И-НЕ»
3.1 Снять осцилограмму на входе и выходе схемы.
3.2 Измерить с помощью осциллографа длительность выходного импульса одновибратора
.
3.3 Определить длительность импульса
на выходе одновибратора, если R1=560 Ом, С=0,22 мкФ. Сравнить теоретические и практические значения, объяснить расхождения. Определить время восстановления работы одновибратора и сравнить его с длительностью входного импульса
.
|
|
|
4. Исследование генератора импульсов с тремя инверторами.
4.1 Снять осциллограмму в контрольных точках схемы
,
,
.
4.2 Измерить с помощью осциллографа длительность импульса и период следования Т.
4.3 Рассчитать длительность импульса
и период Т при R =560 Ом, С=0,47 мкФ. Сравнить теоретические и практические значения, объяснить расхождения.







