Устройство с положительной обратной связью, которое имеет два состояния устойчивого равновесия и может скачком переходить из одного состояния в другое под воздействием управляющего напряжения, называют триггером.
По способу логического функционирования триггеры разделяют на следующие типы: RS-триггер (триггер с установочными входами), T-триггер (со счетным входом), D-триггер (триггер задержки) и универсальный JK–триггер.
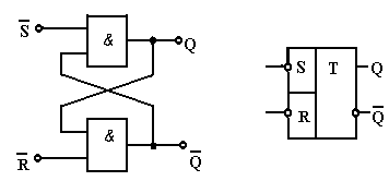
RS-триггер (рис.4.1) наиболее простой и является основой всех других триггеров.

а) б)
Рисунок 4.1.- Схема RS-триггера с инверсными входами:
а) реализация RS-триггера на на ЛЭ «2И-НЕ»; б) его условное графическое обозначение на структурных, функциональных и принципиальных схемах.
Входы
и
, на которые подаются запускающие сигналы, служат для установки триггера в состояние устойчивого равновесия (соответственно в «1» и в «0»). Триггер с инверсными входами управляется уровнем «0», а с прямым – «1». Для триггера с инверсными входами комбинация S=0 и R=0 запрещена, так как обуславливает на выходе неопределенность (для триггеров с прямыми входами S=1 и R=1). При комбинации на входе триггера с инверсными входами S=1 и R=1 на его выходе сохраняется прежнее состояние
.
|
|
|
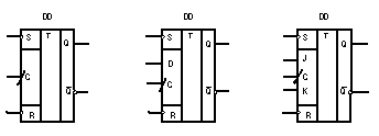
Для реализации других триггеров используется один (одноступенчатый) или два (двухступенчатый) –триггера с соответствующей входной логикой. Двухступенчатые триггеры Т, D и JK показаны на рис.4.2.
Запись информации происходит в момент поступления фронта синхронизирующего импульса С, а появление информации на выходе срезу этого импульса.
Запись информации происходит в момент поступления фронта синхронизирующего импульса С, а появление информации на выходе срезу этого импульса.

а) б) в)
Рисунок 4.2- Обозначения 2-х ступенчатых триггеров типа Т(а), D(б), JK(в).






