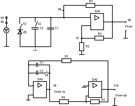
1. Макет лабораторной работы №5 приведен на рис. 5.4.
2. Исследование мультивибратора на ОУ
2.1 Переключатель S3 позволяет переводить мультивибратор либо в автоматический режим (кнопка S3 отжата), либо в ждущий режим (кнопка S3 нажата). Отжать переключатель S3 и перевести мультивибратор в автоматический режим. Снять осциллограммы в точках x6, x7,x8 мультивибратора для двух положений переключателя S2 (нажат и отжат). В точке x7 исследуются пороговые напряжения, в точке x6 – напряжение на конденсаторе С1 (S2 отжат), либо напряжение на С1+С2 (S2 нажат).

Рисунок 5.4. - Макет лабораторной работы №5
2.2 Измерить по осциллографу период следования Т и длительность
выходных импульсов и сравнить с расчетными данными при R1=16 кОм, R2=10 кОм, R3=15кОм, С1=С2=0,022 мкФ. Объяснить полученные расхождения.
3. Исследование одновибратора на ОУ.
3.1 Нажать кнопку S3 и перевести мультивибратор в ждущий режим. Соединить точки x4 и x7, снять осциллограммы в соответствии с пунктом 2.1.
3.2 Измерить по осциллографу длительность выходного импульса
и сравнить с расчетными данными (параметры элементов одновибратора взять из п.2.2). Объяснить полученные расхождения.
|
|
|
4. Исследование генератора треугольного напряжения.
4.1 Снять осциллограммы в контрольных точках схемы при нажатом и отжатом переключателе S4.
4.2 Измерить с помощью осциллографа период колебаний генератора при отжатом и нажатом переключателе S4. Получить соотношение для длительности импульса и периода следования импульсов генератора. Сравнить экспериментальные и расчетные данные (параметры элементов генератора взять из п.2.2). Объяснить полученные расхождения.






