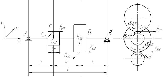
При расчете вала на прочность его конструкция (рис. 2.1 а) заменяется расчетной схемой с обозначением всех активных и реактивных сил действующих на вал (рис 2.1 б). Вал представляется как балка на двух опорах. Одна из опор выбирается неподвижной, другая – шарнирно подвижной. Положение опор определяют из чертежа вала с учетом угла контакта α по формулам таблицы 2.1
Векторы радиальных сил
переносят на вал вдоль линии их действия; векторы окружных
и продольных
усилий – параллельно самим себе. При этом от сил
появляются крутящие
, а от
– изгибающие
моменты (d- делительный диаметр колеса). Расстояние между силами, действующими на вал, определяют из чертежа вала.
Нагрузки от зубчатых колес и других деталей на валу прикладывают ориентировочно в середине ступицы (см. рис. 2.1). Силы тяжести и трения в опорах не учитывают.
Найденные нагрузки разлагаются на составляющие в двух взаимно перпендикулярных плоскостях (вертикальной YZ и горизонтальной XZ).

а

б
Рис. 2.1. Расчетная схема промежуточного вала двухступенчатого редуктора: а – конструкция вала; б – расчетная схема
Таким образом, вал работает на совместное действие растяжения (сжатия), кручения и изгиба в вертикальной (YZ) и горизонтальной (XZ) плоскостях.
При расчете на прочность, пользуясь принципом независимости действия сил, определяют отдельно касательные напряжения, возникающие в стержне при кручении, и отдельно нормальные напряжения, возникающие в стержне при изгибе и растяжении (сжатии). Касательными напряжениями при изгибе пренебрегают.
Таблица 2.1
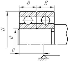
Формулы для определения установочных баз подшипников
| Тип подшипника | Эскиз подшипника | Формула |
| Радиальные | | |
| Радиальные подшипники, поставленные по два на опоре | | |
| Радиально-упорные однорядные | | |
Продолжение табл. 2.1
| Роликовые подшипники конические однорядные | | |
| Подшипники скольжения | | |
Примечание: Величины, входящие в формулы: - геометрические размеры подшипников; - угол контакта; - коэффициент влияния осевого нагружения. Численные значения перечисленных параметров приведены в каталогах |
- геометрические размеры подшипников;
- угол контакта;
- коэффициент влияния осевого нагружения. Численные значения перечисленных параметров приведены в каталогах 





