Основное назначение операции графического вписывания тепловоза - проверить возможность прохождения локомотивом кривую заданного радиуса без заклинивания и подреза гребней бандажей колесных пар или разрушения рельсовой колеи, т.е. теоретическим способом определить условия безопасного движения проектируемого тепловоза по кривым участкам пути.
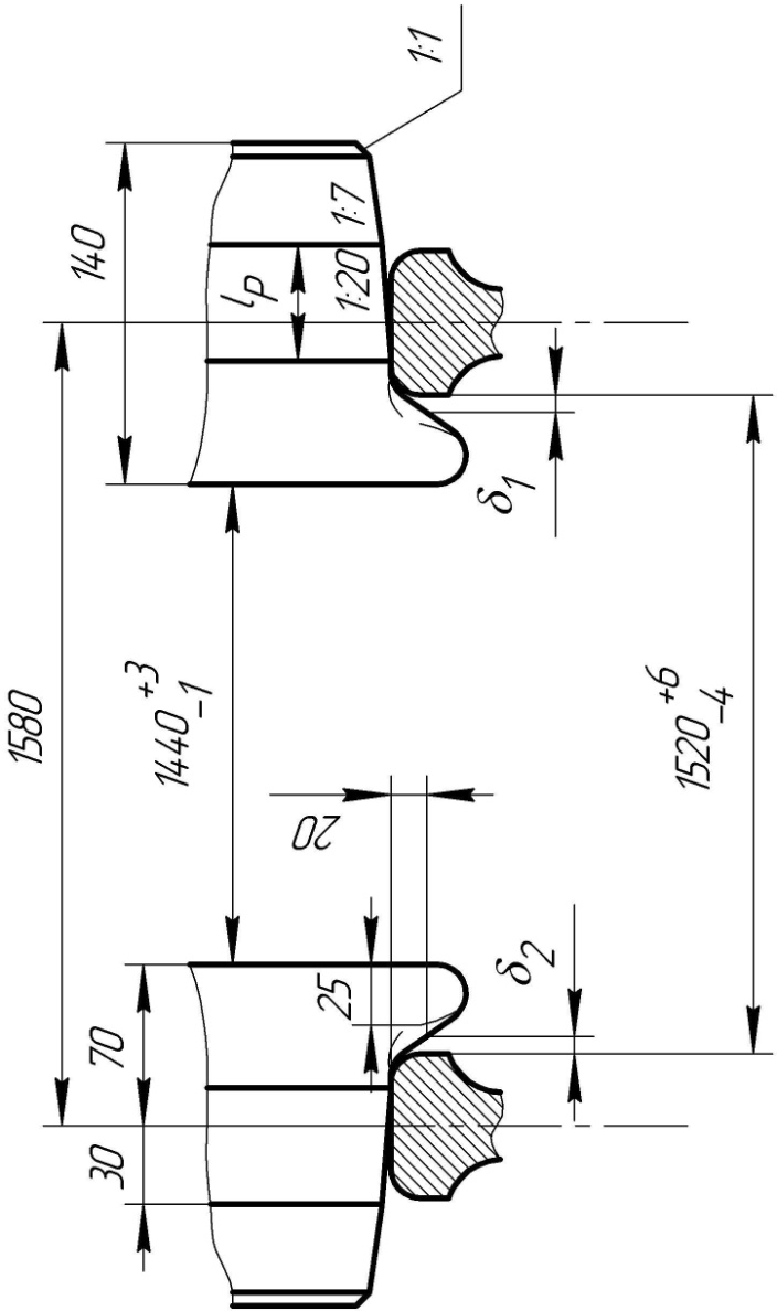
На железных дорогах России согласно действующим «Правилам технической эксплуатации железных дорог Российской Федерации» (ПТЭ) формирование колесных пар осуществляется таким образом, чтобы при установке колесной пары строго по оси пути между гребнями колес и внутренними гранями головок рельсов должны быть зазоры s1 и s2 (рис. 9)
Минимальная величина суммарного зазора 2s составляет (см. рис. 9) 2s=(1520-4)-(1440+3)-2·33=7 мм; без учета погрешностей при формировании колесных пар и укладки пути - 2s=1520-1440-2·33 = 14 мм. Необходимо отметить, что приведенные значения 2s относятся к локомотивам, имеющим конструкционную скорость до 120 км/ч.
Наличие зазоров 2s предупреждает заклинивание колесных пар в колее и приводит к произвольным поперечным перемещениям колесных пар и тележек относительно пути из-за конусности рабочих поверхностей бандажей, что в целом уменьшает силы сопротивления движению подвижного состава.
При движении локомотива в кривой радиусом R со скоростью v на него, по сравнению с движением по прямому пути, дополнительно действует центробежная сила
, в результате чего тележки поворачиваются относительно оси кузова (рамы тепловоза), а гребни бандажей первой (по ходу) оси каждой тележки прижимаются к внутренней боковой грани наружного рельса.
Для облегчения прохождения подвижным составом (локомотивов и вагонов) кривых участков пути ширину рельсовой колеи дополнительно увеличивают на величину
=15 мм в кривых радиусом до 300 м, а в кривых радиусом 300-350 м - на величину
=10 мм. Таким образом, наличие в кривых зазора 2s+D=29 мм должно обеспечивать свободное и безопасное прохождение тележек локомотива кривых участков пути.
Рис. 9. Центральное (по оси пути) положение колесной пары в рельсовой колее
В целом, ширина колеи должна соответствовать следующим требованиям:
-не допускать заклинивания и подреза бандажей, а также взбегания колеса на рельс;
- обеспечивать наименьшие величины сопротивления движению подвижного состава и, соответственно, рациональное расходование энергоресурсов на тягу поездов и оптимизацию расходов на содержание экипажной части подвижного состава и рельсовой колеи.
Различают геометрическое (статическое) и динамическое вписывание локомотива в кривую. Геометрическое вписывание локомотива в кривую заданного радиуса является наиболее простым способом, позволяющим оценить лишь саму возможность вписывания тепловоза при движении с малыми скоростями, например, по кривым малого радиуса, которые имеют место на путях тяговых территорий локомотивных депо.
Наиболее часто для геометрического вписывания применяется метод параболической диаграммы, который и рекомендуется для использования при выполнении пункта 9 задания.
Последовательность проведения геометрического вписывания методом параболической диаграммы:
1. На листе миллиметровой бумаги в масштабе mx необходимо вычертить в упрощенном виде схему экипажной части, включающую следующие элементы экипажа одной секции тепловоза: раму тепловоза, рамы тележек, колесные пары и центры поворота тележек (шкворневые узлы) с указанием основных размеров. Ось х совмещается с головкой рельсовой колеи (рис. 10).
Рекомендуемые масштабы mx для графических построений:
-для четырех- и трехосных экипажей mx =1:100;
-для двухосных тележек mx =1:50.
2. Задаемся направлением движения локомотива – вектором скорости v. Обозначаем все колесные пары по ходу движения тепловоза. В качестве примера на рис. 10 показано упрощенное изображение схемы экипажной части секции тепловоза 2ТЭ121.
3. Под схемой экипажной части проводим горизонтальную ось абсцисс х, в середине этой оси отмечаем начало координат О, от которого вниз направляется вертикальная ось ординат у. Обе оси х и у разбиваются на равные отрезки по 10 мм. Длина оси x может быть примерно равна длине тепловоза в масштабе mx.
4. Рассчитываются координаты (х, у) точек кривой, отображающей ветви параболы наружного рельса по уравнению, мм:
, (54)
где х, у – координаты точек ветвей параболы, изображающей положение наружного рельса в кривой, мм; при расчетах шаг изменения координаты х можно принять равным 10 мм;
R - радиус кривой, м;
mx - масштаб по оси х; его величина принимается в зависимости от осности тележек;
mу - поперечный масштаб; принимается равным: для двухосных тележек mу =1:2; для четырех- и трехосных экипажей - mу =1:1.
Результаты расчета координат точек ветвей параболы наружного рельса целесообразно представить в табличной форме, аналогичной табл. 6.
Таблица 6
Расчет координат точек ветвей параболы наружного рельса
| x, мм | LТ /2 | ||||
| y, мм |

Рис. 10. Геометрическое вписывание тепловоза в кривую методом параболической диаграммы
5. Из точки О (начало координат) по данным таблицы 6 строятся обе ветви параболы наружного рельса. В качестве примера на рис. 10 показано построение параболы наружного рельса «Н» для кривой радиусом R = 100 м.
6. Изображение внутреннего рельса В получается при смещении координаты точек наружного рельса по вертикали параллельно самим себе в направлении оси ординат «у» на величину (2s+D)my. Соответственно, величина (2s+D) my при поперечном масштабе mу =1:1 будет равна 29 мм (при R
) и 14,5 мм - при масштабе mу =1:2. На рис.10 показано построение ветвей парабол наружного и внутреннего рельсов при R = 100 м, mx =1:100 и mу = 1:1.
7. На параболической диаграмме в зазорах между рельсами строятся линии, изображающие положение рам тележек тепловоза в кривой.
При этом необходимо руководствоваться следующим:
- тележки изображаются в так называемом положении наибольшего перекоса, когда передняя колесная пара тележки гребнем упирается во внутреннюю грань наружного рельса Н, а последняя колесная пара тележки- во внутренний рельс В; в этом положении зазор между гребнем бандажа и соответствующим рельсом (2s+D) будет равен нулю;
- точки, показывающие на схеме экипажа положение крайний колесных пар тележки по оси х, проектируются вертикально (по оси у) на параболы, изображающие соответствующие рельсы (точки 1,3,4 и 6 на рис. 10); при этом надо иметь в виду, что первая по ходу колесная пара упирается в наружный рельс;
- точки, показывающие положение крайних колесных пар в кривой на параболах, соединяются отрезками попарно для каждой тележки (например, отрезки 1-3 и 4-6 на рис. 10); на эти отрезки проектируются точки 2 и 5, соответствующие положению средних колесных пар тележек локомотива по оси х; в результате получаем положение всех осей тележек локомотива при прохождении кривой заданного радиуса;
- на оси тележек проектируются положение их шкворней, т.е. точки Ш1 и Ш2 (см. рис. 10); соединив точки Ш1 и Ш2 прямой линией, получим положение, которое займет ось рамы (кузова) тепловоза при прохождении кривой. Следует отметить, что у тепловозов 2ТЭ10В, 2ТЭ10М, 2ТЭ116, ТЭП70, ТЭП70БС, 2ТЭ70, 2ТЭ121 центр шкворня несколько сдвинут от середины тележки к центру тепловоза;
- определяются углы поворота тележек aп и aз относительно оси рамы кузова тепловоза (см. рис. 10); при определении величин aп и aз не надо забывать,что на параболической диаграмме изображение тележек искажено из-за разных масштабов по осям х и у; соответственно при масштабе mx =1:100 отрезок по оси х надо увеличить в 100 раз.
Геометрическое вписывание проектного тепловоза в кривую заданного радиуса позволяет ответить на ряд важных вопросов.
Может ли проектируемый локомотив с выбранными параметрами экипажной части вписаться в кривую известного радиуса?
Каковы значения углов поворота тележек относительно рамы тепловоза и с помощью каких опорно- возвращающих устройств реализуется возврат тележек в соосное с рамой тепловоза положение после прохождения кривого участка пути?
Ответ на первый вопрос содержат графические построения. Если точки отрезка, показывающего положение рамы тележки, оказались вне кривой, т.е. вне параболы, то такая тележка и тепловоз, соответственно, не вписываются в кривую, и эксплуатация локомотива с экипажной частью по кривым такого радиуса невозможна. Например, при геометрическом вписывании тепловоза 2ТЭ121 в кривую радиусом 100 м (см. рис. 10) колесная пара 2 первой тележки вышла за пределы зазора между рельсами, т.е. колеи. В этом случае в конструкцию экипажа должны быть внесены изменения. Например, возможно применение колесных пар с уменьшенной толщиной гребня бандажа или безгребневых колес на центральной колесной паре (например, как на тепловозе ТГМ23В); устройств поперечных разбегов колесных пар (наиболее распространено на тепловозах), изменение базы тележек, применение тележек с радиальной установкой колесных пар в кривой и других.
Итак, если одна из колесных пар выходит за пределы параболы внутреннего рельса, студент в пояснительной записке должен предложить конструктивные мероприятия, позволяющие обеспечить безопасную эксплуатацию проектируемого тепловоза в кривой заданного радиуса.






