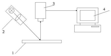
На основании материалов изложенных в первой главе возникает необходимость в разработке нового типа информационно-измерительной системы и методологических положений, которые позволяют оценивать шероховатость поверхности различных изделий на этапе их изготовления с использования оптико-электронных средств и компьютерных технологий. В связи с этим для проведения научных исследований был разработан исследовательский оптико-электронный измерительный комплекс, схема которого приведена на рисунке 2.1.

Рисунок 2.1 – Схема исследовательского комплекса: 1 – исследуемая поверхность; 2 – источник светового потока; 3 – видеокамера с оптической системой; 4 – компьютер
Комплекс состоит из оптической системы, видеокамеры, механического устройства для перемещения исследуемой поверхности относительно оптической оси видеосистемы, компьютера и специально разработанного программного обеспечения [155 - 160].
С помощью исследовательского комплекса, приведенного на рисунке 2.1, участок размером
исследуемой поверхности
считывают по строкам и столбцам строчно-кадровым растром телевизионной передающей камерой с ПЗС- матрицей ТВ – камера матричного типа преобразует оптические сигналы с поля зрения в электрические видеосигналы. С помощью аналого-цифрового преобразователя видеосигналы переводятся в цифровые дискретные значения и записываются в память ЭВМ. Следовательно, в запоминающем устройстве будет сформирован кадр исходного полутонового изображения анализируемой поверхности формата
точек дискретизации – пикселей.
Для приведённой схемы исследовательского измерительного комплекса были разработаны теоретические основы получения измерительной информации для оценки качества микрорельефа (микрогеометрии, шероховатости) исследуемой поверхности. Решение поставленной задачи в работе осуществлено с использованием аппарата операционно-параметрического моделирования [161, 162]. За входную величину первичного функционального преобразователя, входящего в исследовательский оптико-электронный комплекс (рисунок 2.1), принимается какой-либо из стандартных параметров микрорельефа, например, среднее арифметическое отклонение профиля поверхности от средней линии
. Как правило, стандартные параметры микрорельефа носят интегральный характер.
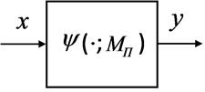
С учётом известных достоинств модельно-параметрических средств, в качестве основы для операционной модели, отображающей преобразование входной величины рассматриваемого исследовательского комплекса, может быть принята структурная схема, приведённая на рисунке 2.2 а [163].

а) б)
Рисунок 2.2 – Обобщённое представление преобразования
→
(а) и параметрическая схема преобразования
→
(б)
На этой схеме обозначено:
,
– обобщённо-физические величины входа и выхода;
– множество внутренних параметров информационно-измерительного комплекса, используемое в данном преобразовании. Само преобразование в приведённой схеме обозначено символом
.
Конкретная параметрическая схема первичного преобразования
интегрального параметра микрорельефа из
, относящаяся к элементарной площадке исследуемой поверхности конечных размеров, приведёна на рисунке 2.2, б. Отметим, что это преобразование является неотъемлемой частью общего преобразования
. Здесь через
обозначен опорный световой поток, падающий на исследуемую поверхность, а через
– уровень выходного, отраженного от исследуемой поверхности, светового потока. Этот поток поступает через оптическую систему исследовательского комплекса на вход видеокамеры, то есть на светочувствительные элементы матрицы ПЗС.
Таким образом,
можно рассматривать как выходную величину первичного преобразователя параметра
с функцией преобразования
(
,
). В рассматриваемой схеме полагается, что вся исследуемая поверхность
формата
состоит из множества элементарных площадок формата
Ч
, для которых в качестве единиц измерения длины сторон могут использоваться
или
. Обозначим количество таких площадок, расположенных на всей исследуемой поверхности, через
.
Тогда для всей контролируемой площади
, состоящей из
элементарных площадок, интегральный параметр микрорельефа
можно представить в виде
,
где
– значение
– го уровня входного параметра первичного измерительного преобразователя.
Каждый входной параметр
первичного преобразователя светового потока
согласно параметрической схеме, приведённой на рисунке 2.2, б, преобразуется в выходную величину светового потока, отражённого элементарной площадкой:
,
=1,…,
.
Таким образом, рассматриваемый первичный входной преобразователь упорядоченного набора входных параметров вида
выдаёт соответствующий набор
выходных величин вида
, порождаемый векторной функцией от многих переменных, которую можно записать как
(
,
), где
= (
,…,
,…,
).
Поскольку любой из каких либо двух несовпадающих между собой наборов элементарных площадок (обозначим их для определённости как
(1) и
(2)) имеет по сути своего образования однозначную привязку своих компонентов к значениям отражаемых световых потоков, соответственно в наборах
(1)=
(
(1),
),
(2)=
(
(2),
), то из неравенства
(1) ≠
(2) следует неравенство
(1) ≠
(2). Отсюда, в свою очередь, видна невозможность возникновения неоднозначности измерительного результата в рамках рассматриваемого контрольно-измерительного преобразования микрорельефа исследуемых поверхностей. То есть для поверхностей, имеющих разные микрорельефы, предлагаемая модель первичного преобразования должна различно преобразовывать падающий на них световой поток
.






