Для построения ЗУ больших объемов используют другую схему и другие типы ЗЭ, которые имеют не один, а два конъюнктивно связанных входа выборки. В этом случае адресная выборка осуществляется только при одновременном появлении двух сигналов. Использование таких ЗЭ позволяет строить ЗУ с трехкоординатным выделением ЗЭ. Итак, ЗУ типа 3D отличается от 2D тем, что к каждому ЗЭ подходят три линии выборки: две координатные и одна разрядная.
Запоминающий массив ЗУ типа 3D представляет собой пространственную матрицу, составленную из n плоских матриц. Каждая плоская матрица представляет собой ЗМ для запоминания j-х разрядов всех слов, т.е. запоминающие элементы для одноименных разрядов всех хранимых в ЗУ чисел сгруппированы в квадратную матрицу из
рядов по
ЗЭ в каждом. Это означает, что к записи или считыванию готов только тот элемент, для которого сигналы адресной выборки по координатам X и Y совпали. Для адресной выборки ЗЭ в плоской матрице необходимо задать две его координаты в ЗМ.
|
|
|
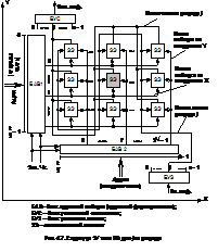
Структура матрицы j-го разряда в ЗУ типа 3D представлена на рис. 4.7. Код адреса i-й ячейки памяти разделяется на старшую и младшую части, каждая из которых поступает на свой адресный формирователь. Адресный формирователь БАВ1 выдает сигнал выборки на линию i', а БАВ2 – на линию i''. В результате в ЗМ оказывается выбранным ЗЭ, находящийся на пересечении этих линий (двух координат), т.е. адресуемый кодом i=i' / i'' (ЗЭ серого цвета). Адресные формирователи управляются сигналами Чт и Зап и в зависимости от них выдают сигналы выборки для считывания или для записи. При считывании сигнал о состоянии выбранного ЗЭ поступает по j-линии считывания к БУС (третья координата ЗЭ при считывании). При записи в выбранный ЗЭ будет занесен 0 или 1 в зависимости от сигнала записи в j-й разряд, поступающего по j-й линии от БУЗ (третья координата ЗЭ при записи). Для полупроводниковых ЗУ характерно объединение в одну линию разрядных линий записи и считывания.
Для построения n-разрядной памяти используется n матриц рассмотренного вида. Адресные формирователи здесь могут быть общими для всех разрядных ЗМ.
Запоминающие устройства типа 3D более экономичны по оборудованию, чем ЗУ типа 2D. Действительно, сложность адресного формирователя с m входами пропорциональна 2m, отсюда сложность двух адресных формирователей ЗУ типа 3D, пропорциональная
, значительно меньше сложности адресного формирователя ЗУ типа 2D, пропорциональной 2k. Поэтому структура типа 3D позволяет строить ЗУ большего объема, чем структура 2D.
5 5325 18208 4847 19038 4428 21219 4188 21219 3889 20769 3500 20631 3411 19419 2872 16338 2393 16165 2274 15508 1975 16165 1586 20700 1496 20700 1017 7512 987 8308 808 8135 539 8169 239 5400 60 935 60 519 60">
Структура типа 3D является наиболее удобной для построения статических ЗУ на многоэмиттерных биполярных транзисторах.






