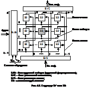
Организация ЗУ типа 2D обеспечивает двухкоординатную выборку каждого ЗЭ ячейки памяти. Основу ЗУ составляет плоская матрица из ЗЭ, сгруппированных в 2k ячеек по n разрядов. Обращение к ячейке задается k-разрядным адресом, что дает одну координату. Выделение разрядов производится разрядными линиями записи и считывания, что дает вторую координату. Очень упрощенная структура ЗУ типа 2D представлена на рис. 4.6.
1 16316 13063 15245 12989 15281 12401 17137 10634 18637 10634 20779 10303 20815 9972 19958 9862 15780 9457 15816 8279 16959 7691 18958 7691 21172 7396 21207 7028 15852 6513 15780 4747 20636 4526 20672 4158 17530 4084 15780 3569 16280 3569 17137 3201 17101 2981 17244 2392 17316 1656 13995 1214 14102 883 13745 810 11496 626 11282 37 11139 37" fillcolor="window">
Адрес из k разрядов поступает на блок адресной выборки БАВ (который называют также адресным формирователем), управляемый сигналами Чт и Зап. Основу БАВ составляет дешифратор с 2k выходами, который при поступлении на его вход адреса формирует сигнал для выбора линии i. В зависимости от сигнала Чт или Зап БАВ в общем случае выдает сигнал, настраивающий ЗЭ i-й ячейки (i-й линии) на чтение либо на запись. Выделение разряда j в i-м слове (ЗУ серого цвета) производится второй координатной линией. При записи по линии j от БУЗ поступает сигнал, устанавливающий выбранный для записи ЗЭi,j в состояние 0 или 1. При считывании на БУС по линии j поступает сигнал о состоянии ЗЭi,j.
|
|
|
Следует иметь в виду, что ЗЭ должны допускать объединение выходов для работы на общую линию с передачей сигналов только от выбранного ЗЭ. Это свойство ЗЭ используется во всех современных ЗУ.
Таким образом, каждая адресная линия выборки ячейки памяти в общем случае передает три сигнала:
- выборка при записи;
- выборка при считывании;
- отсутствие выборки.
Однако во многих современных ЗУ достаточно только двух сигналов – выборка и отсутствие выборки.
Каждая разрядная линия записи передает в ЗЭ записываемый бит информации, а разрядная линия считывания – считываемый из ЗЭ бит информации. Линии записи и считывания могут быть объединены в одну при использовании ЗЭ, допускающих соединение выхода со входом записи. В современных ЗУ широко используются совмещенные функции линий считывания и записи.
ЗУ типа 2D являются быстродействующими и достаточно удобными для реализации. Однако такие ЗУ неэкономичны по объему оборудования из-за наличия дешифратора на 2k выходов. В настоящее время структуры типа 2D используются, в основном, в ЗУ небольшой емкости (не более 1 К).






