Режим электрического пробоя p-n-перехода находит практическое применение для стабилизации напряжения. Такие приборы называются стабилитронами. Для изготовления стабилитронов используется кремний. Вольт-амперная характеристика стабилитрона приведена на рисунке.
Для работы используется обратная ветвь, где значительному изменению тока соответствует малое изменение напряжения. Точка А соответствует устойчивому пробою и определяет величину минимального тока Imin. После точки А ток резко возрастает и допустимая величина его Imax ограничивается лишь мощностью рассеяния P max:

где
– напряжение стабилизации.
Рабочую точку на характеристике выбирают посередине рабочего участка, т.е.

Рабочее напряжение стабилитрона, являющееся напряжением пробоя
p-n-перехода, зависит от концентрации примесей и лежит в пределах 4 – 200 В.
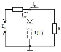
Схема простейшего стабилизатора с использованием стабилитрона показана на рисунке. Резистор r является гасящим и одновременно задаёт рабочую точку. Величина сопротивления r должна быть значительно больше величины дифференциального сопротивления стабилитрона.
|
|
|
При изменении температуры напряжение стабилизации может изменяться.
Напряжение стабилизации Uст. ном – падение напряжения на стабилитроне
при номинальном значении тока Iст. Минимальный и максимальный ток стабилизации Iст min, Iст max. Дифференциальное сопротивление
. Статическое сопротивление в рабочей точке
.
Коэффициент качества стабилитрона
. Температурный
коэффициент напряжения стабилизации – отношение относительного изменения напряжения стабилизации к изменению температуры
.