| Физическая величина | Формула |
| Закон Кулона | |
| Закон сохранения заряда | |
| Напряженность электрического поля | |
| Напряженность электрического поля точечного заряда | |
| Принцип суперпозиции | |
| Поток вектора напряженности электрического поля сквозь замкнутую поверхность | |
| Электрический момент диполя | |
| Теорема Гаусса для электрического поля в вакууме | |
| Поверхностная и линейная плотности заряда | |
| Напряженность поля, создаваемого равномерно заряженной бесконечной плоскостью | |
| Напряженность поля, создаваемого двумя бесконечными параллельными разноименно заряженными плоскостями | |
| Напряженность поля, создаваемого равномерно заряженной сферической поверхностью | |
| Напряженность поля, создаваемого объемно заряженным шаром | |
| Напряженность поля, создаваемого равномерно заряженным бесконечным цилиндром или нитью | |
| Циркуляция вектора напряженности электрического поля вдоль замкнутого контура | |
| Потенциал электрического поля | |
| Связь между потенциалом электрического поля и его напряженностью | |
| Связь между векторами электрического смещения и напряженностью электростатического поля | |
| Теорема Гаусса для электростатического поля в диэлектрике | |
| Электрическая емкость уединенного проводника | С= |
| Электрическая емкость шара | С=4πε0εR |
| Электрическая емкость плоского конденсатора | C= |
| Электрическая емкость параллельно соединенных конденсаторов | C= |
| Электрическая емкость последовательно соединенных конденсаторов | |
| Энергия заряженного уединенного проводника | |
| Энергия заряженного конденсатора | |
| Объемная плотность энергии электростатического поля | |
| Сила тока | |
| Электродвижущая сила | |
| Закон Ома для однородного участка цепи | |
| Мощность тока | |
| Закон Джоуля – Ленца | |
| Закон Ома для неоднородного участка цепи | |
| Правило Кирхгофа | |
1.Три точечных заряда q1= q2= q3= 1 нКл расположены в вершинах равностороннего треугольника. Какой заряд q4 следует поместить в центре треугольника, чтобы данная система зарядов находилась в равновесии?
2. Два небольших наэлектризованных предмета А и В находятся на расстоянии 4 см и отталкивают друг друга с силой в 4·10-5 Н. Предмет А смещают на 3 см от начального положения. Чему равна максимальная и минимальная сила взаимодействия между предметами?
3. Два одинаковых металлических шарика заряжены так, что заряд одного из них в 5 раз больше заряда другого. Шарики привели в соприкосновение и раздвинули на прежнее расстояние. Во сколько раз изменилась сила взаимодействия, если шарики были заряжены одноименно? Разноименно?
4. Два точечных электрических заряда 6·10-8 Кл и 2,4·10-7 Кл находятся в трансформаторном масле на расстоянии 16 см друг от друга. Где между ними следует поместить третий заряд 3·10-7 Кл, чтобы он под действием электрических сил оставался в равновесии?
5. Медный шар (ρ=8,93г/см3) радиусом R=0,5см помещен в масло (ρ=0,8г/см3). Найти заряд шара q, если в однородном электрическом поле шар оказался взвешенным в масле. Электрическое поле направлено вертикально вверх и его напряженность E=3,6МВ/м.
6. Стальной шар (ρ=7,8г/см3) радиусом R=0,5см, погруженный в керосин (p=0,8г/см3), находится в однородном электрическом поле напряженностью Е=35 кВ/см, направленной вертикально вверх. Определить заряд шара q, если шар находится во взвешенном состоянии.
7. Шарик массой 150 мг, подвешенный на непроводящей нити, имеет заряд q1=-10-7 Кл. На расстоянии 32 см снизу от него помещается второй маленький шарик. Каким должен быть по величине и знаку его заряд, чтобы натяжение нити увеличилось вдвое?
8. Свинцовый шарик (ρ=11,3г/см3) диаметром d=0,5см помещен в глицерин (ρ=1,26г/см3). Определите заряд шарика q, если в однородном электрическом поле он оказался взвешенным в глицерине. Электрическое поле направлено вертикально вверх и его напряженность равна Е=4кВ/см.
9. На тонком стержне длиной 20 см находится равномерно распределенный электрический заряд. На продолжении оси стержня на расстоянии 10 см от ближайшего конца находится точечный заряд 40 нКл. Сила взаимодействия точечного заряда со стержнем 6 мкН. Определить линейную плотность заряда на стержне.
10. Тонкий стержень равномерно заряжен с линейной плотностью 2 нКл/см. На продолжении оси стержня на расстоянии 10 см от его конца находится точечный заряд 0,2 мкКл. Определить силу взаимодействия заряженного стержня и точечного заряда.
11. Два точечных заряда 1 нКл и -2 нКл находятся на расстоянии 10 см друг от друга. Определить напряженность поля, созданного этими зарядами в точке, удаленной от первого заряда на расстояние 9 см и от второго заряда на 7 см.
12. Расстояние между зарядами -20 нКл и -40нКл равно 10 см. Найти напряженность поля на расстоянии 10 см от первого заряда в точке, лежащей на перпендикуляре к линии, соединяющей заряды.
13. Поверхностная плотность заряда на проводящем шаре равна 3,2·10-8 Кл/м2. Найти напряженность поля на расстоянии, равном утроенному радиусу шара.
14. Поле создано заряженной пластиной с поверхностной плотностью заряда 40 мкКл/см2 и точечным зарядом 5 мКл, отстоящим от пластины на расстоянии 10 см. Определить напряженность и направление силовых линий поля в точках, удаленных от точечного заряда на расстояние 5 см. Точки лежат на силовой линии поля пластины, проходящей через заряд, и на перпендикуляре к данной силовой линии.
15. На нити висит шарик массой 25 мг и зарядом 7 мкКл. Его помещают в горизонтальное электрическое поле с напряженностью 35 В/м. Определить силу натяжения нити, когда шарик отклонился от вертикали на максимальный угол.
16. Два одинаковых шарика массой m=20г каждый находится на некотором расстоянии друг от друга. Определите, какими равными зарядами следует зарядить шарики, чтобы их взаимодействие уравновешивало силу тяготения.
17. Тонкий стержень длиной 20см несет равномерно распределенный заряд 0,1нКл. Определить напряженность поля в точке, находящейся на оси стержня на расстоянии 20см от его конца.
18. С какой силой F1 электрическое поле заряженной бесконечной плоскости действует на единицу длины заряженной бесконечно длиной нити, помещенной в это поле? Линейная плотность заряда на нити τ=3мкКл/м и поверхностная плотность заряда на плоскости σ=20мкКл/м2.
19. Проволочному кольцу радиусом 5 см сообщили заряд 314 мкКл. Определить максимальное значение напряженности поля.
20. С какой силой FS на единицу площади отталкиваются две одноименно заряженные бесконечно протяженные плоскости? Поверхностная плотность заряда на плоскостях σ=0,3мКл/м2.
21. Электрическое поле создано бесконечно длинным цилиндром радиусом 1 см, равномерно заряженным с линейной плотностью 20 нКл/м. Определить разность потенциалов двух точек этого поля, находящихся на расстоянии 1см и 4 см от поверхности цилиндра.
22. Два точечных заряда 1,2 мКл и -0,3 мКл находятся на расстоянии 0,12 м друг от друга. Найти потенциал поля в точке, где напряженность поля, созданного зарядами, равна нулю.
23. С поверхности бесконечно длинного цилиндра радиуса R без начальной скорости вылетает α-частица. Линейная плотность заряда цилиндра 50 нКл/м. Определить кинетическую энергию α-частицы в точке, удаленной от поверхности цилиндра на расстояние 8R.
24. На тонком стержне длиной l равномерно распределен заряд с линейной плотностью 10 нКл/м. Найти потенциал, созданный распределенным зарядом в точке, расположенной на оси стержня и удаленной от его ближайшего конца на расстояние l.
25. Шар радиусом 5 см, заряженный до потенциала 100 кВ, соединили проволокой с незаряженным шаром, радиус которого 6 см. Найти заряд каждого шара и их потенциалы.
26. Какая работа А совершается при перенесении точечного заряда q=20нКл из бесконечности в точку, находящуюся на расстоянии r=1см от поверхности шара радиусом R=1см с поверхностной плоскостью заряда σ=10мкКл/м2?
27. Шарик с массой m=1г и зарядом q=10нКл перемещается из точки 1, потенциал которой φ1=600В, в точке 2, потенциал которой φ2=0. Найти его скорость в точке 1, если в точке 2 она стала равной
2=20см/с.
28. Какой минимальной скоростью должен обладать протон, находящийся далеко от заряженного кольца, чтобы беспрепятственно преодолеть плоскость кольца, двигаясь вдоль его оси? Заряд кольца равен 100 мкКл, радиус 2 см.
29. Диполь с электрическим моментом 100 пКл·м свободно установился в электрическом поле с напряженностью 200 кВ/м. Определить работу внешних сил, которую необходимо совершить для поворота диполя на угол 180°.
30. Протон, пройдя ускоряющую разность потенциалов 50 кВ, летит на ядро атома лития. На какое наименьшее расстояние протон может приблизиться к ядру атома лития?
31.Шарик, заряженный до потенциала φ=792В, имеет поверхностную плотность заряда σ=333нКл/м2. Найти радиус r шарика.
32. Два проводящих шара с радиусами 5 см и 20 см находятся на некотором расстоянии друг от друга. Заряды шаров 40 нКл и 20 нКл соответственно. Определить заряды шаров после их соединения проводником. Емкостью проводника пренебречь.
33. После зарядки до разности потенциалов 40 В и отключения от зарядного устройства конденсатор емкостью 3 мкФ соединили параллельно с незаряженным конденсатором емкостью 5 мкФ. Какая энергия высвобождается при образовании искры в момент соединения конденсаторов?
34. Конденсатор емкостью 4 мкФ заряжен до напряжения 300 В, а конденсатор емкостью 3 мкФ - до 180 В. После зарядки конденсаторы соединили между собой: 1) одноименными, 2) разноименными полюсами. Какая разность потенциалов установится между обкладками конденсаторов в первом и во втором случаях?
35. Определите работу по перемещению заряда q=1нКл вдоль линии напряженности с расстояния r1=4см до расстояния r2=2см, если электростатическое поле создается бесконечной равномерно заряженной плоскостью с поверхностной плотностью заряда σ=2мкКл/м2.
36. Два одинаковых плоских конденсатора соединены параллельно и заряжены до разности потенциалов 120 В. Определить разность потенциалов на конденсаторах, если после отключения их от источника тока у одного конденсатора уменьшили расстояние между пластинами в 2 раза.
37. Плоский воздушный конденсатор состоит из двух круглых пластин радиусом 10 см каждая. Расстояние между пластинами равно 1 см. Конденсатор зарядили до разности потенциалов 1 кВ и отключили от источника. Какую работу надо совершить, чтобы, удаляя пластины друг от друга, увеличить расстояние между пластинами до 3 см?
38. Около заряженной бесконечно протяженной плоскости находится точечный заряд q=0,66нКл. Заряд перемещается по линии напряженности поля на расстояние ΔR=2см; при этом совершается работа А=50эрг. Найти поверхностную плотность заряда σ на плоскости. 1эрг=10-7Дж.
39. Конденсатор 1 зарядили до напряжения 500 В. При параллельном подключении этого конденсатора к незаряженному конденсатору 2 емкостью 4 мкФ вольтметр показал 100В. Найти емкость конденсатора 1.
40. Электрическое поле образовано положительно заряженной бесконечно длинной нитью с линейной плотностью заряда τ=0,2мкКл/м. Какую скорость υ получит электрон под действием поля, приблизившись к нити с расстояния r1=1см до расстояния r2=0,5см?
41. Элемент, сопротивление и амперметр соединены последовательно. Элемент имеет ЭДС ε=2В и внутреннее сопротивление r=0,4Ом. Амперметр показывает ток I=1А. Каков КПД η элемента?
42. Амперметр с сопротивлением RА=0,16Ом зашунтирован сопротивлением R=0,04Ом. Амперметр показывает ток IО=8А. Найти ток I в цепи.
43. Элемент с э.д.с. ε=1,6В имеет внутреннее сопротивление r=0,5 Ом. Найти к.п.д. η элемента при токе в цепи I=2,4 А.
44. Участок цепи состоит из параллельно соединенных резисторов сопротивлениями 10 Ом и 5 Ом и включенного последовательно с ними резистора 6,7 Ом. Найти силу тока в резисторе 5 Ом, если падение напряжения на всем участке цепи равно 12 В. Найти количество теплоты, выделяющееся на этом резисторе за 1 мин.
45. Лампочка и реостат, соединенные последовательно, присоединены к источнику тока. Напряжение на зажимах лампочки равно 40 В, сопротивление реостата равно 10 Ом. Внешняя цепь потребляет мощность 120 Вт. Найти силу тока в цепи.
46. К зажимам источника тока присоединен нагреватель. ЭДС источника равна 24 В, внутреннее сопротивление 1 Ом. Нагреватель, включенный в цепь, потребляет мощность 100 Вт. Вычислить силу тока в цепи и КПД нагревателя.
47.Батарея с ЭДС ε=10В и внутренним сопротивлением r=1Ом имеет КПД η=0,8, падения потенциала на сопротивлениях R1 и R4 равны U1=4В и U4=2В. Какой ток I показывает амперметр? Найти падение потенциала U2 на сопротивлении R2.

48. Сопротивление одного проводника больше сопротивления другого в n раз. Во сколько раз сопротивление их параллельного соединения отличается от сопротивления их последовательного соединения?
49. Катушка из медной проволоки имеет сопротивление 10,8 Ом. Масса медной проволоки равна 3,41 кг. Сколько метров проволоки и какого диаметра намотано на катушке?
50. В замкнутой цепи ЭДС источника равна 20 В. Одно из двух последовательных сопротивлений постоянно, а другое является реостатом. При полностью выведенном реостате амперметр, включенный в цепь, показывает 8 А, при полностью введенном 5 А. Найти значения обоих сопротивлений.
51. Батарея двух гальванических элементов с ЭДС 3 В и 2 В и внутренним сопротивлением 0,1 Ом и 0,2 Ом замкнута проводником 10 Ом. Параллельно проводнику подключен конденсатор емкостью 1 мкФ. Определить заряд конденсатора.
52. Элемент с ЭДС ε=2В имеет внутреннее сопротивление r=0,5 Ом. Найти падение потенциала Ur внутри элемента при токе в цепи I=0,25А. Каково внешнее сопротивление R цепи при этих условиях?
53. Ток I в проводнике меняется со временем t по уравнению I=4+2t. Какое количество электричества q проходит через поперечное сечение проводника за время от t1=2c до t2=6c? При каком постоянном токе I0 через поперечное сечение проводника за то же время проходит такое же количества электричества?
54. Найти показание амперметра и вольтметра, если ЭДС батареи ε=110В, сопротивления R1=400 Ом, R2=600 Ом, сопротивление вольтметра Rv= 1 кОм.

55. Найти показание амперметра и вольтметра, если ЭДС батареи ε=110В, сопротивления R1=400 Ом, R2=600 Ом, сопротивление вольтметра Rv= 1 кОм.

56. ЭДС элемента ε=6В. При внешнем сопротивлении R=l,l Ом ток в цепи I=3А. Найти падение потенциала Ur внутри элемента и его сопротивление r.
57. Найти показание амперметра и вольтметра, если ЭДС батареи ε=110В, сопротивления R1=400 Ом, R2=600 Ом, сопротивление вольтметра Rv= 1 кОм.

58. Элемент с ЭДС ε=1,6В имеет внутреннее сопротивление г=0,5Ом. Найти КПД η элемента при токе в цепи I=2,4A.
59. Найти показание амперметра и вольтметра, если ЭДС батарей ε=110В, сопротивления R1=400 Ом, R2=600 Ом, сопротивление вольтметра Rv= 1 кОм.

60. Два последовательно соединенных элемента с одинаковыми ЭДС ε1=ε2 =2В и внутренними сопротивлениями r1=10м и r2=1,50м замкнуты на внешнее сопротивление R=0,5 Ом. Найти разность потенциалов U на зажимах каждого элемента.

61. На схеме (рис.3.4) ЭДС 25 В. Падение потенциала на сопротивлении R1 равное 10 В, равно падению потенциала на R3 и вдвое больше падения потенциала на R2. Найти ЭДС2 и ЭДС3. Сопротивлением источников тока пренебречь.

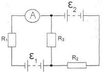
62. Два источника тока и четыре сопротивления образуют цепь, показанную на (рис.3.5). Известно: ЭДС1 = 4 В, ЭДС2 = 3 В, R1 = 4 Ом, R2 = 2 Ом, R3 = 1 Ом, R4 = 5 Ом. Определить напряжение на сопротивлении R3.

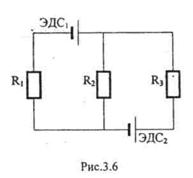
63. Разветвленная цепь состоит из двух источников тока и трех внешних сопротивлений (рис.3.6). Известно: ЭДС1 = 10 В, ЭДС2 = 8 В, г1 = 1 Ом, г2 = 1 Ом, R1 = 4 Ом, R2 = 5 Ом, R3 = 8 Ом. Определить токи в ветвях цепи.

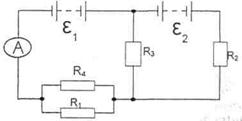
64. Для измерения величины неизвестного сопротивления применяют электрическую схему (мост Уитстона) (рис. 3.7). Известно: ЭДС = 12 В, R1 = 100 Ом, R2 = 200 Ом, R3 = 50 Ом. Какой должна быть величина сопротивления Rx, чтобы ток, протекающий через гальванометр, оказался равным нулю?

65. Для разветвленной цепи (рис. 3.8), известны следующие значения:ЭДС1 = 100В, ЭДС2 = 20 В, R1 = 20 Ом, R2 = 10 Ом, R3 = 40 Ом, R4 = 30 Ом. Найти показание амперметра. Сопротивлением источников тока и амперметра пренебречь.

66. В схеме (рис. 3.9) ЭДС1 = 2,1 В, ЭДС2 = 1,9 В, R2 = 45 Ом, R1 = R3 = 10 Ом. Найти силу тока во всех участках цепи. Внутренним сопротивлением элементов пренебречь.

67. В схеме (рис.3.10) ЭДС обоих элементов равны по 2 В, а их внутренние сопротивления 1 Ом и 2 Ом. Чему равно внешнее сопротивление, если сила тока, идущего через первый элемент, равна 1 А? Найти остальные токи.

68. Какую силу тока показывает амперметр (рис.3.11), если ЭДС1 = 2 В, ЭДС2 = 1 В, R1 = 1 кОм, R2 = 500 Ом, R3 = 200 Ом? Внутренним сопротивлением источников ЭДС пренебречь.

69. Батареи имеют ЭДС ε1=110B и ε2=220B, сопротивления R1=R2=100 Ом, R3=500 Ом. Найти показание амперметра.

70. Батареи имеют ЭДС ε1=2B и ε2=4В, сопротивление R1=0,5Ом. Падение потенциала на сопротивление R2 равно U2=1B (ток через R2 направлен справа налево). Найти показание амперметра.

71. Батареи имеют ЭДС ε1=30B и ε2=5В, сопротивления R2=10 Ом R3=20 Ом. Через амперметр течет ток I=1 A, направленный от R3 к R1 Найти сопротивлениеR1.

72. Батареи имеют э.д.с. ε1 = 3О В и ε2 = 5В, сопротивления R2 = 10 Ом, R3 = 20 Ом. Через амперметр течет ток I=1А, направленный от R3 к R1. Найти сопротивление R1.

73. Батареи имеют ЭДС ε1=2В и ε2=1В, сопротивления R1=1кОм, R2=0,5кОм и R3=0,2 кОм, сопротивление амперметра Ra=0,2 кОм. Найти показание амперметра.

74. Элементы имеют э.д.с. ε1 = ε2 = 1,5 В и внутренние сопротивления r1 = r2 = 0,5 Ом, сопротивления R1 = R2 = 2 Ом и R3 = 1 Ом, сопротивление амперметра Ra = 3 Ом. Найти показание амперметра.

75. Два элемента с одинаковыми ЭДС ε1=ε2=4В и внутренними сопротивлениями r1=r2=0,5Ом замкнуты на внешнее сопротивление R. Через элемент с ЭДС ε1 течет ток I1=2A. Найти сопротивление R и ток I2, текущий через элемент с ЭДС ε2. Какой ток I течет через сопротивление R?

76. Батареи имеют э.д.с. ε1 = 2В и ε2 = 3В, сопротивление Rз = 1,5кОм, сопротивление амперметра Ra = 0,5кОм. Падение потенциала на сопротивлении R2 равно U2 = 1В (ток через R2 направлен сверху вниз). Найти показание амперметра.

77. Батареи имеют э.д.с. ε1 = 110В и ε2 = 220В, сопротивления R1 = R2 = 100Ом, R3 = 500 Ом. Найти показание амперметра.

78. Батареи имеют ЭДС ε1=2B, ε2=4B и ε3=6B, сопротивления R1=40m, R2=60m и R3=80m. Найти токи I, во всех участках цепи.

79. Батареи имеют ЭДС ε1=ε2=100B, сопротивления R1=20 Ом, R2=10 Ом, R3=40 Ом и R4=30 Ом. Найти показание амперметра.

80. Батареи имеют э.д.с. ε1 = 2В и ε2 = 4В, сопротивление R1 =0,5 Ом. Падение потенциала на сопротивлении R2 равно U2 = 1В (ток через R2 направлен справа налево). Найти показание амперметра.

81. Две электрические лампочки с сопротивлениями R1=360 Ом и R2=240 Ом включены в сеть параллельно. Какая из лампочек потребляет большую мощность? Во сколько раз?
82. Разность потенциалов между точками А и В равна U=9В. Имеются два проводника с сопротивлениями R1=5Ом и R2=3 Ом. Найти количество теплоты Qτ, выделяющееся в каждом проводнике в единицу времени, если проводники между точками А и В соединены: а) последовательно; б) параллельно.
83. От источника с напряжением 800 В необходимо передать потребителю мощность 10 кВт. Какое наибольшее сопротивление может иметь линия передачи, чтобы потери энергии не превышали 10 % от передаваемой мощности?
84. Работа по разделению заряда, совершаемая в батарее за 2 мин, равна 2,4 кДж. Найти внутреннее сопротивление батареи, если она поддерживает напряжение 12 В на лампе мощностью 15 Вт.
85.Аккумулятор с ЭДС 12,6 В питает сеть током 4А. Найти внутреннее сопротивление источника, если КПД аккумулятора 80%. Определить ток короткого замыкания.
86. Мощность, потребляемая реостатом, равна 30 Вт, напряжение на его зажимах 15 В. Определить длину никелиновой проволоки, пошедшей на изготовление реостата, если ее сечение 0.5 мм2.
87. Конденсатор емкостью 0,3 мкФ и резистор сопротивлением 5 Ом соединены параллельно и подключены к батарее с ЭДС 12 В и внутренним сопротивлении 1 Ом. Найти заряд, накопленный конденсатором, и мощность источника тока.
88. Определить сопротивление нагревательного элемента электрического чайника, в котором 1,8 л воды с начальной температурой 10ºС нагревается до 100ºС за 22,5 мин. Электрический чайник работает от сети с напряжением 120 В и имеет КПД 80%. Чему равен ток в нагревательном элементе?
89. При силе тока 3 А во внешней цепи батареи аккумуляторов выделяется мощность 24 Вт, а при силе тока 1 А - мощность 12 Вт. Определить ЭДС и внутреннее сопротивление батареи.
90. Аккумуляторная батарея с ЭДС 18 В и внутренним сопротивлением 1,2 Ом питает внешнюю цепь. Найти значение внешнего сопротивления, для которого мощность, отдаваемая батареей, максимальна.
91. Полезная мощность, выделяемая на внешнем участке цепи, достигает наибольшего значения 5 Вт при токе 1 А. Найти ЭДС источника тока.
92. Определить количество теплоты, выделившееся за 10 с в проводнике сопротивлением 100 Ом, если сила тока в нем, равномерно уменьшаясь, изменилась от 10 А до нуля.
93. ЭДС батареи 24 В. Наибольшая сила тока, которую может дать батарея, равна 10 А. Определить максимальную мощность, которая может быть выделена во внешней цепи.
94.. За время 20 с при равномерно возрастающей силе тока от нуля до некоторого максимума в проводнике выделилось количество теплоты, равное 50 кДж. Определить среднюю силу тока в проводнике, если его сопротивление равно 50 Ом.
95. Электрокамин имеет две обмотки. При включении одной из них температура воздуха в комнате повышается на 1ºС за 10 мин, при включении другой температура повышается на 2ºС за 15 мин. На сколько минут надо включить камин, чтобы повысить температуру на 1ºС при параллельном соединении этих обмоток?
96. Какую мощность Р потребляет нагреватель электрического чайника, если объем V=1л воды закипает через время τ=5мин? Каково сопротивление R нагревателя, если напряжение в сети U=120В? Начальная температура воды t0=13,50С.
97. Два параллельно, соединенных элемента с одинаковыми ЭДС ε1=ε2 =2В и внутренними сопротивлениями r1=1 Ом и r2=1,5 Ом замкнуты на внешнее сопротивление R=1,40m. Найти ток I в каждом из элементов и во всей цепи.
98. Электрический чайник, содержащий объем V=600см3 воды при t0=90С, забыли включить. Сопротивление нагревателя чайника R=16Ом. Через какое время τ после включения вода в чайнике выкипит? Напряжение в сети U=120В, к.п.д. нагревателя η=60%.
99. За время 20 с при равномерно возраставшей силе тока от нуля до некоторого максимума в проводнике сопротивлением 5 Ом выделилось количество теплоты 4 кДж. Определить скорость нарастания силы тока.
100. Определить количество теплоты, выделившееся в проводнике с сопротивлением 10 Ом за 10 с, если сила тока в нем равномерно уменьшилась от 10 А до 2 А.
Раздел