С помощью нижеописанных лабораторных работ создайте сайт на тему (темы распределяются по списку в журнале):
1. Книга рекордов Гиннеса
2. Все о спорте
3. Семь чудес света
4. Деньги, интересные факты о деньгах.
5. Разрушители мифов
6. Штрих-код
7. Гаджеты
8. Операционные системы смартфонов
9. Развлечения
10. Технологии изображения
11. ПДД
12. Киноман
13. Сайт на свободную тему
14. История развития компьютера
15. Смеха ради
16. Моя группа
17. Авто
19. Топ технических новинок
20. Цветоводство
Обязательные требования к сайту:
1. Сайт должен соответствовать теме по списку.
2. Сайт должен содержать главную страницу, от которой можно перейти к остальным страницам и наоборот.
3. Информация на сайте должна носить тематический характер и логику построения переходов.
4. Информация на сайте должна содержать активные гиперссылки, списки, таблицы.
5. Сайт должен быть проиллюстрирован (не менее 5 картинок/фотографий/рисунков).
Изучение работы одноступенчатого поршневого компрессора.
Цель работы.
|
|
|
Целью работы является исследование характеристик одноступенчатого поршневого компрессора, анализ термодинамических процессов, происходящих при сжатии рабочего вещества (воздуха).
Теоретическое положение.
Компрессор - это теплотехническое устройство, предназначенное для повышения давления, сжатия и перемещения газов или паров.
Компрессоры можно классифицировать следующим образом:
а) компрессоры объемного статического сжатия, в которых повышение давления происходит за счет уменьшения объема рабочего вещества, нагнетаемого в специальный резервуар (ресивер);
б) компрессоры динамического сжатия, в которых рабочее вещество непрерывно перемещается через проточную часть компрессора, при этом кинетическая энергия потока преобразуется в потенциальную, обеспечивая соответствующее увеличение давления среды.
К наиболее распространенным компрессорам объемного сжатия относятся поршневые, винтовые, ротационные. В качестве компрессоров динамического сжатия применяют центробежные и осевые вентиляторы, турбокомпрессоры, эжекторы и вихревые машины.
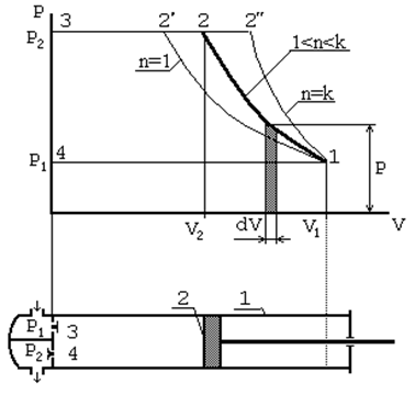
На рис. 1 представлена теоретическая диаграмма работы простейшего одноступенчатого поршневого компрессора.
Основными элементами поршневого компрессора являются: цилиндр, поршень, впускной и нагнетательный клапаны.
Возвратно-поступательное движение поршня в сочетании с работой клапанной группы обеспечивает протекание следующих рабочих процессов (рис. 1.):

Рис. 1. Теоретическая диаграмма работы поршневого одноступенчатого компрессора.
1 - цилиндр; 2 - поршень; 3 - впускной клапан; 4 - нагнетательный клапан.
|
|
|
а) процесс всасывания 4-1 при полностью открытом впускном клапане;
б) процесс сжатия 1-2 при закрытых клапанах;
в) процесс нагнетания 2-3 при открытом нагнетательном клапане;
г) условный процесс расширения 3-4, замыкающий рабочий цикл компрессора.
Работа, затрачиваемая в компрессоре на получение 1 кг сжатого рабочего вещества, складывается из суммы всех работ перечисленных процессов:
Lк = L1-2 + L2-3 - L4-1, Дж, (1)
где
- работа изменения объема, определяется площадью под кривой 1-2;
L2-3 = P2V2 - работа нагнетания, определяется площадью под линией 2-3;
L4-1 = P1V1 - работа всасывания, определяется площадью под линией 4-1 (вычитается из произведенных затрат, так как совершается внешней средой).
Площадь рабочего цикла компрессора замыкается по точкам 4-1-2-3, в этом случае:
(2)
Анализ теоретической диаграммы P-V компрессора (рис. 3.1) показывает, что в качестве процессов сжатия можно использовать политропный процесс, описываемый выражением:
PVn = const, (3)
при этом показатель политропы должен иметь значение к ³ n ³ 1.
Величина работы компрессора определяется процессом сжатия. Теоретический процесс сжатия в зависимости от теплообмена между рабочим телом и стенками цилиндра может происходить по изотерме 1-2' (n=1), при этом:
(4)
или по адиабате 1-2" (n=k):
(5)
Изотермический процесс сжатия 1-2' характеризуется минимально затрачиваемой работой, которая превращается в тепло и отводится от сжимаемого рабочего тела. Такой процесс принято считать идеальным. Реально же на практике его невозможно осуществить.
Адиабатный процесс сжатия 1-2" происходит без теплообмена с окружающей средой, поэтому затраты работы на его осуществление максимальны, а температура рабочего вещества существенно возрастает.
Уменьшить работу, затрачиваемую на привод компрессора возможно, если использовать систему принудительного охлаждения цилиндра компрессора. В этом случае будет происходить политропный процесс сжатия 1-2 (рис. 1.).
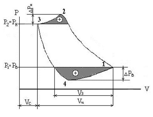
Реальные процессы сжатия отличаются от теоретических в результате действия следующих факторов:
1. Наличия мертвого пространства, которое составляет объем среды Vc, не поддающийся вытеснению поршнем и расширяющийся при обратном движении поршня (линия 3 - 4, рис. 2).
2. Наличия потерь давления DР в нагнетательном и впускном трактах, пульсаций давления (линии 3 - 4, рис. 2).
3. Перетечки рабочего вещества через различные конструктивные зазоры и уплотнения.
4. Затрат части энергии на преодоление трения в механических парах машины.
Влияние большей части перечисленных факторов учитывается при построении действительной индикаторной диаграммы работы компрессора (рис. 2.).
К основным техническим характеристикам компрессора относятся следующие показатели.

Рис. 2. Действительная индикаторная диаграмма работы компрессора.
Рв – давление всасывания; Рн – давление нагнетания.; DРв, DРн – потери давления в клапанах; Vэ – полезный объем; Vц – объем цилиндра; Vс – вредный объем.
Производительность компрессора (объемная, или массовая) – это количество рабочего вещества, проходящего через компрессор в единицу времени:
, кг/с, (6)
где r - плотность сжимаемого вещества, кг/м3;
Vц - объем цилиндра компрессора, м3;
- коэффициент подачи, учитывающий уменьшение действительной производительности компрессора по сравнению с теоретической.
Теоретическая мощность, затрачиваемая на привод компрессора:
Nк = Mк × Lк, Вт. (7)
Степень повышения давления сжимаемой среды:
(8)
Для оценки энергетического совершенства компрессора используется эффективный КПД:
(9)
где Nад - теоретическая мощность компрессора при адиабатном сжатии; Ne - действительная мощность привода компрессора.