1. Повышение Косс
Косс = Rэ/rэ; Rэ® ¥ (желательно)
-Епит
Для повышения Косс необходимо увеличивать Rэ, но при больших Rэ1 и сохранении I0 необходимо увеличивать напряжение питания, а это ограничивает использование таких усилителей. Выход из ситуации: I0 = const. По постоянному току цепь имеет небольшое сопротивление, а по переменному - очень большое. В качестве такого элемента используются источники тока.

Если VT1 º VT2
R2 = R3, то I1 = I0 = (E2 – 0,7 В)/(R1 + R2) @ E2/R1 приR1 >> R2
Такой источник тока обеспечивает режимный ток I0 для ДУ и обладает высоким эквивалентным (динамическим) сопротивлением как источник тока.
Rэ ~ rк ~ 0,1¸1МОм
Использование источника тока на согласованных транзисторах VT1 и VT2 эквивалентно использованию в цепи эмиттеров ДУ большого сопротивления Rэ, т. е. такая схема является высокоомной динамической нагрузкой в цепи эмиттера, следовательно
Косс ~ rк/ rэ ~ 103¸105
2. Увеличение Rвх
1) БТ заменяем на ПТ
Использование ДУ на ПТ (в качестве входных транзисторов).
2) Использование входных транзисторов со сверхбольшим b или составных транзисторов.
|
|
|
Rвх ~ rбэ = bjт/I0
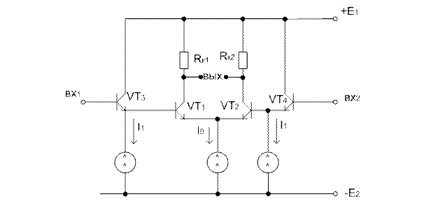
3) Использование на входе каскада с ОК.

ДУ составляют VT1 и VT2, и они обеспечивают усиление.
VT3 и VT4 -буферный каскад ОК на входе ДУ, т. к. это ОК, то
Rвх = Rвхокт3,т4 >Rвхоэ
I0 и I1 - генераторы стабильного тока
I0 - режимный ток
Источники тока I1 обеспечивают смещение и режим работы VT3 и VT4. Использование источника тока I1, а не смещающих резисторов, позволяет дополнительно обеспечить высокое Rвх схемы ОК. Однако при этом могут быть ухудшены тепловые параметры (дрейф больше, т. к. элементов на входе стало больше).
3. Увеличение Ku
Для повышения Ku необходимо увеличить Rk, а это связано с повышением питания. Кроме того, в ДУ симметричный выход, поэтому следующий каскад, желательно, чтобы тоже был симметричным. При симметричном выходе сохраняется условие баланса и можно обеспечить согласование режимов по постоянному току, если использовать p-n-p и n-p-n транзисторы. Однако интегральные p-n-p транзисторы имеют худшие характеристики, чем n-p-n.
В качестве нагрузки ДУ может быть использована динамическая нагрузка - это источник тока, в частности - токовое зеркало.
ДУ с динамической нагрузкой с использованием токового зеркала (рисунок).
VT1 VT2 - ДУ; VT3 и VT4 - токовое зеркало или нагрузка для ДУ.
Такая нагрузка обеспечивает как полное использование токов VT1 и VT2 и обеспечивает одиночный выход, что позволяет легко согласовать с последующими усилительными схемами.
Т. к. I0 = const = ik1 + ik2, тогда
Dik1 = -Dik2
Dik1 = Dik3
Если VT3 º VT4, то Dik4 = Dik3 = Dik1
DikSвых = 2Dik
Т. к. Ku ~ bRk/rэ
Rk ~ rк Þ Ku @ brk/ rэ ~ b(102¸105)
В этом случае даже при относительно небольшом b обеспечивает высокое усиление по напряжению (больше, чем в 100 раз). Предельное усиление ещё более можно повысить, если использовать многокаскадное токовое зеркало. Таким образом, использование источника тока как в цепях эмиттера, так и в цепях коллектора ДУ позволяет обеспечить высокие усилительные параметры такого ДУ. Т. к. можно на сложном ДУ обеспечивает основное усиление УПТ.
|
|
|






