|
|
Установка состоит из двух балок равного сопротивления 1 с наклеенными проволочными тензорезисторами 2, пульта управления 3, милливольтметра 4, подвеса 5, грузов 6 (рисунок 2.5).
Рисунок 2.5 – Схема лабораторной установки
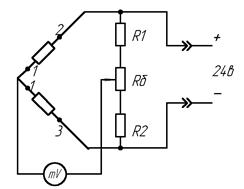
К выводам каждого тензорезистора припаяны одноцветные провода, оканчивающиеся штекерами, с помощью которых на наборном поле пульта набирается схема моста согласно рисунку 2.6. На передней панели пульта расположены ручки «баланс грубо» и «баланс точно», выключатель «сеть», а также ручки регулировки напряжения 0–10В, клеммы ±10 В, клеммы «вход преобразователя «U–f», «выход преобразователя «U–f». В комплект оборудования входит также частотомер типа Ч3-33.

Рисунок 2.6 – Схема включения тензорезисторов в мостовую схему






