1. Ознакомиться с мостовыми и дифференциальными измерительными схемами.
2. Собрать мостовую измерительную схему с тензодатчиками (по заданию преподавателя).
3. Снять и построить зависимость для собранной схемы
U вых = f(Р),
где Р – вес груза кг.
Для этого необходимо:
– набрать поочередно схемы, заданные преподавателем на наборном поле;
– к измерительной диагонали подключить милливольтметр (тумблер S 1 должен находиться в положении «грубо»);
– ручкой «баланс грубо» установить минимальное напряжение на выходе моста;
– тумблер S 1 перевести в положение «баланс точно» и ручкой «баланс точно» установить милливольтметр на «0»;
– произвести постепенное нагружение балок с тензодатчиками, записывая результаты каждого нагружения в таблицу 2.1
Таблица 2.1
| P, кг | ||||||||||
| U вых., В |
– построить зависимость для собранной схемы U вых = f(Р);
– определить чувствительность каждой схемы:
К = ∆U / ∆Р;
|
|
|
– дать заключение, о преимуществах той или иной схемы моста.
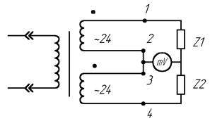
4. Собрать дифференциальную схему включения тензодатчиков на переменном токе. Для этого необходимо:
– собрать схему согласно рисунку 2.7;
– снять и построить статическую характеристику схемы по методике для мостовых схем;
– определить чувствительность схемы.

Рисунок 2.7 – Дифференциальная схема включения тензорезисторов
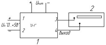
5. Изучить принцип действия преобразователя «напряжение–частота», для этого:
– собрать схему согласно рисунку 2.8.
– снять и построить статическую характеристику преобразователя напряжение–частота f = F(U).
– определить чувствительность преобразователя.

Рисунок 2.8 – Схема исследования преобразователя «U–f»






