АЦП предназначены для преобразования аналоговых (непрерывных) сигналов тока или напряжения в импульсы, длительность или частота следования которых пропорциональны напряжению или току датчика. АЦП позволяют согласовывать сигналы аналоговых датчиков с цифровыми устройствами и с цифровыми вычислительными машинами. Времяимпульсный преобразователь применяется для преобразования выходного напряжения датчика в импульсы, длительность которых пропорциональна напряжению.
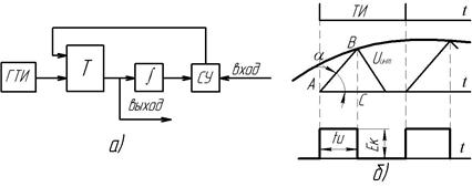
Рассмотрим работу преобразователя, функциональная схема которого показана на рисунке 2.4. Генератор тактовых импульсов (ГТИ) вырабатывает тактовые импульсы с постоянной частотой следования, которые используются для запуска преобразователя.

Рисунок 2.4 – Времяимпульсный преобразователь напряжения
Очередной тактовый импульс переводит триггер в другое устойчивое состояние. При этом напряжение на выходе триггера скачком изменяется от 0 до Ек (рисунок 2.4 б). Этот скачок напряжения интегрируется. На выходе интегратора получается линейно-нарастающее напряжение. Когда это напряжение сравняется с напряжением датчика U д, то сравнивающее устройство (СУ) выдает импульс, называемый импульсом сброса, который возвращает триггер в исходное состояние. При этом напряжение на выходе триггера скачком уменьшается от Ек до 0. В результате на выходе триггера получается импульс напряжения положительной полярности – выходной импульс. После этого напряжение на выходе интегратора уменьшается до 0. С приходом следующего тактового импульса все повторяется снова. Из треугольника АВС имеем AC = BC ctgα. Так как AC = t и и ВС = МU д, то получим
|
|
|
t и = M ctgα· U д = КU д,
где K = M ctgα – коэффициенты передачи;
М – масштаб коэффициента передачи.
Таким образом, на выходе преобразователя получаются импульсы напряжения, длительность которых t и пропорциональна мгновенному значению напряжения датчика в момент сравнения.
Преобразователь напряжения – частота предназначен для преобразования выходного напряжения датчика в частоту следования импульсов, амплитуда и длительность которых постоянна.