Установка включает токарный станок и прибор АК-3М. Датчик прибора установлен в суппорте. Электронный блок установлен на отдельных кронштейнах. В центрах станка установлен вал, проточенный уступами с уменьшением диаметра в направлении справа налево. Разница диаметров правого и левого концов вала составляет 1 мм.
В работе имитируется процесс наружного шлифования валов методом врезания. При движении суппорта с датчиком справа налево имеет место уменьшение диаметра вала, имитирующее результат шлифования.
Крайний левый участок вала применяется в качестве эталонного изделия. На этом участке прибор устанавливается на ноль микрометрическим винтом 14 датчика. При установке датчика на любом участке, находящемся справа от начального, показания прибора будут возрастать, что соответствует наличию припуска на обрабатываемой детали. При движении суппорта справа налево прибор автоматически отключает станок в момент, когда датчик окажется на эталонном участке вала, что соответствует окончанию процесса обработки.
|
|
|
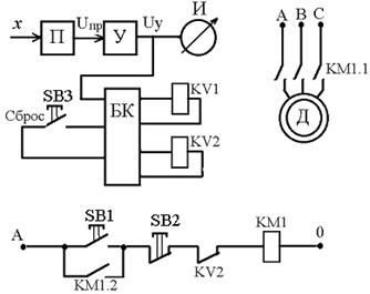
Схема системы автоматического контроля и управления станком показана на рисунке 6.3.
Станок включается кнопкой SB1 «Пуск» (установлена на станке). Срабатывает магнитный пускатель КМ1 и своими силовыми контактами КМ1.1 включает приводной двигатель Д станка (асинхронный, трехфазный). Одновременно с помощью блок-контакта пускатель КМ1 становится на самопитание.
При изменении диаметра вала изменяется входной сигнал Х индуктивного преобразователя датчика (перемещение измерительного штока). Сигнал x преобразуется преобразователем П в электрическое напряжение U пp, которое усиливается усилителем У. Выходное напряжение усилителя U y, которое усиливается U y поступает на стрелочный индикатор И прибора АК-ЗМ и одновременно на блок команд БК, находящийся в электронном блоке прибора. При достижении диаметром вала значения, соответствующего предварительной команде, срабатывает реле KV1 и включает сигнальную лампочку предварительной команды (в лабораторной установке сигнал предварительной команды для управления станком не используется).

Рисунок 6.3
При достижении диаметром вала эталонного значения, которому соответствует нулевое (с соответствующей корректировкой) показание индикатора, срабатывает реле окончательной команды KV2. Контакт реле KV2 размыкает цепь питания катушки магнитного пускателя КМ. Станок выключается. Одновременно загорается сигнальная лампочка окончательной команды. Кнопка SB3 «Сброс», установленная на кронштейне под электронным блоком, служит для возврата схемы управления в исходное состояние. Кнопка SB2 «Стоп» (установлена на станке) служит для ручного выключения станка.






