Динамический объект – это физическое тело, техническое устройство или процесс, имеющее входы – точки возможного приложения внешних воздействий, и воспринимающие эти воздействия, и выходы – точки, значения физических величин в которых характеризуют состояние объекта. Объект способен реагировать на внешние воздействия изменением своего внутреннего состояния и выходных величин, характеризующих его состояние. И воздействие на объект, и его реакция в общем случае изменяются с течением времени, они наблюдаемы, т.е. могут быть измерены соответствующими приборами. Объект имеет внутреннюю структуру, состоящую из взаимодействующих динамических элементов.
Воздействием на объект может быть некоторая физическая величина: сила, температура, давление, электрическое напряжение и другие физические величины или совокупность нескольких величин, а реакцией, откликом объекта на воздействие, может быть движение в пространстве, например смещение или скорость, изменение температуры, силы тока и др.
Математическая модель – это эквивалент динамического объекта, отражающий в математической форме важнейшие его свойства – законы, которым он подчиняется, связи, присущие составляющим его частям, и т. д.
Одним из способов задания математической модели объекта является составление дифференциальных уравнений, описывающих в динамике процесс преобразования входных величин объекта в выходные. При составлении дифференциального уравнения каждого элемента необходимо, прежде всего, выявить физический закон, определяющий его поведение. Математическое выражение соответствующего физического закона и является исходным дифференциальным уравнением данного элемента автоматической системы.
Математическим аппаратом, позволяющим представлять дифференциальные уравнения в виде степенных алгебраических уравнений, является преобразование Лапласа. Преобразование Лапласа позволяет ввести некоторую обобщенную модель объекта или системы в виде передаточной функции
.
Передаточная функция представляет собой отношение изображений по Лапласу выходного сигнала элемента САУ или объекта к изображению по Лапласу входного сигнала при нулевых начальных условиях.

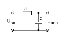
Пример.
Записать передаточную функцию для RC-цепочки (входная величина – напряжение на входе
, выходная величина – выходное напряжение
) (рисунок 1.8).

Рисунок 1.8 – Схема RC-цепочки
1 способ
Записываем уравнение по II закону Кирхгофа:
. (1)
; (2)
; (3)
. (4)
Учитывая уравнения (2-4), уравнение (1) имеет вид:
– дифференциальное уравнение (ДУ) цепи.
Переходим к форме Лапласа, заменяя
. ДУ примет вид:
. (5)
Передаточная функция цепи представляет собой отношение
. Из уравнения (5):
, где
– постоянная времени цепи.
2 способ
По закону Ома:

.
Передаточная функция цепи:
.
Запишем входное и выходное сопротивления цепи в комплексной форме:
;
.
Для перехода к форме Лапласа заменяем
:
;
.
Записываем передаточную функцию цепи:
.
Порядок выполнения лабораторной работы






