Положение

РАБОТА


При подаче напряжения (после снятия) или значительном его колебании, когда движение поезда происходит на ослабленном поле, в обмотках возбуждения возрастает э.д.с. Э.Д.С. самоиндукции, которая направлена навстречу основному току, и ток по обмоткам возбуждения какое-то время протекает незначительный или совсем исчезает. Тогда весь ток после цепи якорей, устремляется по параллельной шунтирующей цепи, через электрическое сопротивление. В этом случае магнитный поток обмоток возбуждения резко уменьшается. Э.д.с. Якорных обмоток также уменьшается, а это приводит к возрастанию тока в обмотках якорей. В результате чего появляется круговой огонь на коллекторе, опасный для тяговых двигателей. Наличие индуктивного шунта в шунтирующей цепи такой же индуктивности, как и в обмотках возбуждения, приводит к выравниванию цепей, т.е. При данных условиях возникает одинаковая э.д.с. самоиндукции, а следовательно, и распределение токов будет зависеть от электрического сопротивления в параллельных цепях.

ТЕХНИЧЕСКИЕ ДАННЫЕ

Напряжение…………………………………3000 В

Номинальный ток………………………….165 А

Электрическое сопротивление…………………………………..0,045 Ом

Размер ленты…………………………………2,26 x 25 мм

Масса………………………………………….555 кг

ИНДУКТИВНО – ЁМКОСТНОЙ ФИЛЬТР

Индуктивно – ёмкостной фильтр предназначен для защиты от радиопомех. Он состоит из индуктивного фильтра – дросселя ДрФ и конденсаторного фильтра С1. Индуктивный фильтр представляет собой высокочастотный дроссель без сердечника в виде катушки навитой из алюминиевой ленты. Катушка зажата между двумя гетинаксовыми крестовинами, стянутыми шпильками. Дроссель крепится на крыше посредством опорных изоляторов. Индуктивный фильтр включен в общую силовую цепь последовательно.

ТЕХНИЧЕСКИЕ ДАННЫЕ

Напряжение……………………………………3000 В

Длительный ток……………………………..600 А

Число витков…………………………………27

Размер ленты…………………………………3 x 40 мм.

Конденсаторный фильтр С1 представляет собой металлический ящик с помещённым внутри него высоковольтным герметическим конденсатором ёмкостью 1 мкФ. Один конец от конденсатора соединён с силовой цепью, а другой с корпусом ящика. Он рассчитан на номинальное напряжение 3000 В.

Радиопомехи, вызванные коммутацией тяговых двигателей, вспомогательных машин и аппаратов силовой цепи снижаются этим фильтром не менее чем в 10 раз, причём, дроссель является большим сопротивлением для переменного тока, а конденсатор для постоянного.

Разрядный резистор R22 служит для разряда конденсатора при установке главного разъединителя в положение «земля». Величина его 102 000 Ом.

ВИЛИТОВЫЙ РАЗРЯДНИК РМВУ – 3,3

Вилитовый разрядник предназначен для защиты силовой цепи от коммутационных и грозовых перенапряжений, которые достигают огромной величины до 1 000 000 В). Поэтому чтобы отвести повышенное напряжение применяют разрядники.

Принцип работы вилитового разрядника основан на вентильном свойстве вилита (карборунд и глина), который, чем выше напряжение, а, следовательно, и ток, тем меньше его сопротивление. При напряжении в контактной сети до 4000 В ток утечки разрядника не превышает 130 мкА. При напряжении 7,5-9кВ искровые промежутки пробиваются, и ток через вилитовые диски уходит на землю. При снижении перенапряжений, сопротивление дисков увеличивается до 140-160 Ом, ток снижается до 25-30А и дуга гасится полем магнитов. Разрядник вновь готов к действию.

Разрядник состоит из фарфорового корпуса, в верхней части которого размещены два вилитовых диска прижатых пружиной к столбику из двух постоянных магнитов и монтажных деталей. Между магнитами помещены изоляторы с двумя последовательно включёнными искровыми промежутками, зашунтированными тиритовыми резисторами.

Снизу разрядник закрыт плитой, которая имеет отверстие, плотно закрытое резиновой диафрагмой, предохраняющей цилиндр от разрыва, если давление станет выше 2-5 кгс/см2 . Разрядник герметичен.

Первый разрядник Рр-1 служит для защиты от грозовых перенапряжений на токоприёмнике, а второй Рр-2 для отвода перенапряжений возникающих на конденсаторе.

Для контроля срабатываний разрядника применяют регистраторы РВР, автоматически заменяющие плавкие вставки, перегорающие при срабатывании разрядника. Регистратор рассчитан на 9 срабатываний и имеет указатель числа срабатываний.

ТЕХНИЧЕСКИЕ ДАННЫЕ

Номинальное напряжение………………………………………3,3 кВ

Наибольшее допустимое напряжение………………4,2 кВ

Ток утечки при напряжении 5 кВ………не более 70-130 мкА

Масса ………………………………………………..22,5 кг

РЕЗИСТОРЫ

Резистор есть аппарат, предназначенный для включения в электрическую цепь с целью регулировки или ограничения тока.

Резисторы применяют для пуска тяговых двигателей при разгоне; электрическом торможении; для ослабления поля тяговых двигателей; для пуска преобразователей; в качестве добавочных.

ПУСКО-ТОРМОЗНЫЕ РЕЗИСТОРЫ ТИПА КФ состоят из 16 блоков в каждом из которых смонтировано 6 элементов из фехралевой ленты, намотанные на фарфоровые гребёнчатые изоляторы. Все резисторы составляют сопротивления 12,83+3, 45+1, 17+051 Ом.

Элементы КФ – сплав константа и фехраля, допускают перегрев по условиям размещения до 450°С.

РЕЗИСТОРЫ ОСЛАБЛЕНИЯ ПОЛЯ ТИПА КФ состоят из 6 элементов, расположенных в три ряда по два элемента и собраны в одном ящике, выполнены из фехралевой ленты, так же как и пуско-тормозные.

РЕЗИСТОР ЗАЩИТНЫЙ ТИПА КФ служит для ограничения тока короткого замыкания при отключении контактора защиты и для предваритель­ного усиления магнитного поля двигателей при отключении тяги и ре­остатного торможения. В цепи контактора КЗ он состоит из четырех элементов общей величиной 8 Ом. А в цепи контактора Ш из двух элементов или одного величиной 4 Ом.

РЕЗИСТОР ДЕМПФЕРНЫЙ (по схеме R4) состоит из 9 элементов ве­личиной 2 Ома каждый (всего 18 Ом), установлен на крыше вагона, выполнен он так же из фехралевой ленты.

БЛОК ДЕМПФЕРНЫХ РЕЗИСТОРОВ (по схеме Р5) находится в цепи запускадвигателя преобразователя. Состоит из 6 элементов по 4,8 Ом (всего 28,8 Ом). Элементы изготовлены из фехралевой проволоки, намо­танной на фарфоровые изоляторы.

ТРУБЧАТЫЕ РЕЗИСТОРЫ ТИПА ПЭВ собираются в блоки для удобства монтажа. Такие блоки находятся в цепи реле буксования, разрядный резистор R-22 в цепи РБН.

Разновидностью трубчатых резисторов типа ПЭВР, который имеет хомутик, передвижением которого можно менять величину сопротивления. Резисторы ПЭВ изготовляют из константановой или нихромовой проволоки намотанной на трубку и сверху покрытой эмалью. Так же встречаются резисторы типа РСО, которые аналогичны ПЭВ, но эмалью не покрыты. Отдельные резисторы имеет движок для изменения сопротивления.

РЕЗИСТОР ВОЛЬТМЕТРА выполнен из манганиновой или константановой проволоки изакрыт перфорированным кожухом. Его величина I 833 000 Ом.

В цепях автоматики и других применяют резисторы МЛТ.

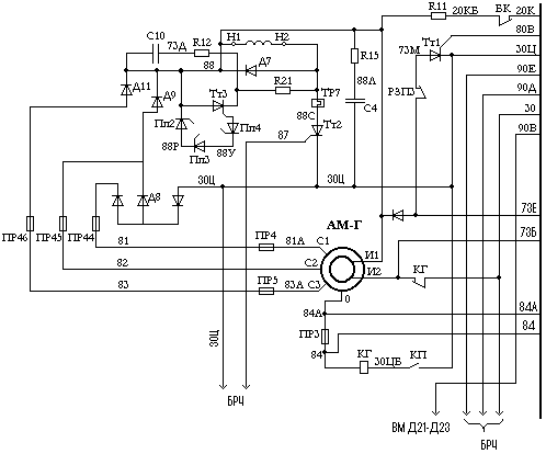
СИЛОВЫЕ СХЕМЫ

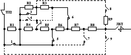
СИЛОВАЯ СХЕМА ТЯГОВЫХ ДВИГАТЕЛЕЙ

МАНЕВРОВОЕ ПОЛОЖЕНИЕ (М)

Позиции КМ % ОП в моторном режиме Сопротивление Ом Контакторные элементы, замыкаемые в моторном режиме, реостатном торможении с самовозбуждением до 11 позиции Позиция РК
М   12,83    

Для получения минимальной скорости устанавливаем контроллер машинистаКМ в "М" положение. При этом тормозной переключатель по­ворачивается в положение моторного режима, а затем включаютсяконтакторы ЛК и ЛКТ. В результате чего собирается схемачетырех последовательно включенных тяговых двигателей с введенными пуско-тормозными резисторами (12,83 Ом) и полным полем возбуждения. При этом реостатный контроллер


остаётся в первом положении. Все силовыекулачковые контакторы разомкнуты. Силовой ток проходит по следую­щей цепи; контактный провод → токоприёмник ПК→фильтр-дроссель ДРФ→ главный разъединитель ГР→

быстродействующий выключатель БВ→ первая первичная обмотка дифференцирующего трансформатора ТрД→

первая катушка дифференциального реле ДР → линейный контактор ЛК→ контактор тормозного переключателя ТП 2 → пуско-тормозные резисторы R1-R4-R5-R6-R7-R8 → линейно-тормозной контактор ЛКТ →обмотки якорей тяговых двигателей М1-М2-М3-М4→ датчик тока якоря ДТЯ→ датчик тока якоря один ДТЯ-1→контактор тормозного переключателя ТП-6→ контактор реверсора В1→ обмотки возбуждения тяговых двигателей М1-М2-М3-М4→ контактор реверсора В2→шунт амперметра три Шн3→ вторая катушка дифференциального реле ДР→ вторая первичная обмотка дифференцирующего трансформатора ТрД→ шунт амперметра один Шн1→ шунт счётчика два Шн5→ шунт счётчика один Шн4→ заземляющее устройство ЗУ.

ПОЛОЖЕНИЕ

При постановке контроллера машиниста в 1-е положение осуществляется автоматический разгон поезда под контролем ДТЯ-1 и БРУ, то есть поочередно выводятся ступени пуско-тормозных резисторов путём шунтирования их силовыми контакторами реостатного контроллера.

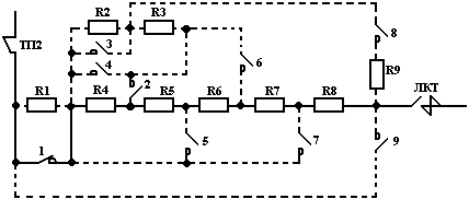
Схема пуско-тормозных резисторов обеспечивает 14 позиций реостатного пуска при использовании лишь 9 контакторов реостатного контроллера. Каждый поворот реостатного контроллера возможен только после снижения тока тягового двигателя до тока уставки (330 А). Ступени пуско-тормозных резисторов подобраны так, что после их выключения пиковый ток тяговых двигателей достигал бы не более 395-400 А.. Вращение вала реостатного контроллера производится до 14 позиции, которая является ходовой с полностью выведенными пуско-тормозными резисторами при полном поле возбуждения.

Позиции КМ % ОП в моторном режиме Сопротивление Ом Позиция РК Контакторные элементы, замыкаемые в моторном режиме и реостатном торможении с самовозбуждением до 11 позиции
                                 
  100% 10,19                              
100% 8,45                            
100% 7,24                          
100% 6,35                        
100% 5,35                        
100% 4,27                          
100% 3,62                        
100% 2,82                      
100% 2,11                        
100% 1,38                          
100% 0,84                        
100% 0,41                        
100%                          

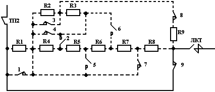
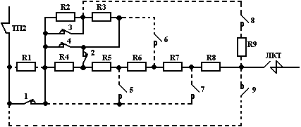
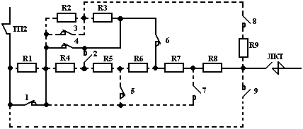
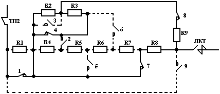
2 ПОЗИЦИЯ РК. При постановке контроллера машиниста в 1-е положение реостатный контроллер переходит во вторую позицию; приэтом замыкаются 1,16 и 17 контакторные элементы реостатного конт­роллера, шунтируя тем самым сопротивление R1. В результате образуется цепь, как и при "М" положении, только с выведенным сопротивлением R1:


… контактор тормозного переключателя ТП2 → контактор реостатного контроллера I→пуско-тормозные сопротивления R4-R5-R6-R7-R8 → линейно-тормозной ЛКТ … Общее сопротивление на 2 по­зиции реостатного контроллера = 10,19 Ом.

3 ПОЗИЦИЯ РК: На 3 позиции реостатного контроллера до­полнительно включается силовой контактор 2 реостатного контрол­лера, подключая тем самым параллельно сопротивлению R4 сопротивления R3 и R2.


… контактор тормозного переключателя ТП 2→ контактор реостатного контроллера 1→ пуско-тормозные резисторы R4-R5-Rб-R7-R8→ линейно-тормозной контактор ЛКТ… параллельно сопротивлению R4… пуско-тормозные

резисторы R2- R3→ контактор реостатного контроллера 2 → пуско-тормозные сопротивления R 5… Общее сопротивление на 3 позиции реостатного контроллера = 8,45 Ом.

4 ПОЗИЦИЯ РК: На 4 позиции включается еще один силовой контактор 3, тем самым шунтируется сопротивление R2; параллельно сопротивлений R4 остается лишь сопротивление R3: Параллельная цепь контактор реостатного контроллера 1→ контактор реостатного


Конт­роллера 3 →пуско-тормозной резистор RЗ→контактор реостатного конт­роллера 2.-пуско-тормозной резистор Р5...Общее сопротивление на 4 позиции реостатного контроллера = 7,24 Ом.


5 ПОЗИЦИЯ РК. На 5 позиции реостатного контроллера включа­ется силовой контактор 4, шунтируя тем самым сопротивления R 4 и R З. Силовой ток идет по следующей цепи:...контактор тормозного переключателя ТП-2 → контактор реостатного контроллера 1 → контактор реостатного контроллера 4 → контактор реостатного контроллера 2→ пуско-тормозные резисторы R 5- R б- R 7- R 8→ линейно-тормозной контактор ЛКТ…

Общее сопротивление на 5 позиции реостатного контроллера = 6,35 Ом.

6 ПОЗИЦИЯ РК. На 6 позиции реостатного контроллера отключается контактор 3, а контактор 5 включается. В результате контактор 5 шунтирует резистор R5. Образуется следующая силовая цепь: …контактор тормозного переключателя ТП-2 → контактор реостатного контроллера 1→ контактор реостатного контроллера 5


→ пуско-тормозные резисторы R6-R7-R8 → линейно-тормозной контактор ЛКТ… Общее сопротивление на 6 позиции реостатного контроллера составляет 5,35 Ом.

7 ПОЗИЦИЯ РК. На 7 позиции реостатного контроллера отключаются контакторы 2 и 4, а контактор 6 включается: параллельно сопротивлению R6 включаются сопротивления R2 и R3. Параллельная цепь: …контактор реостатного

контроллера 1→ пуско-тормозные резисторы R7 и R8. Общее сопротивление цепи на 7 позиции составляет 4,47 Ом.

8 ПОЗИЦИЯ РК. На 8 позиции реостатного контроллера вновь включается контактор 3, который шунтирует сопротивление R2. Параллельно сопротивлению R6 остаётся лишь сопротивление R3; …контактор реостатного контроллера 1 → контактор реостатного контроллера 3 → пуско-тормозные резисторы R7-R8… Общее сопротивление цепи на 8 позиции составляет 3,62 Ом.


9 ПОЗИЦИЯ РК. На 9 позиции реостатного контроллера вновь замыкается контактор 4, шунтируя тем самым резисторы R3 и R6. Силовой ток идёт по следующей цепи: …контактор тормозного переключателя ТП-2 →

контактор реостатного контроллера 1→ контактор реостатного контроллера 4→ контактор реостатного контроллера

6 → пуско-тормозные резисторы R7-R8 → линейно-тормозной контактор ЛКТ… общее сопротивление на 9 позиции составляет 2,82 Ом.


10 ПОЗИЦИЯ РК. На позиции реостатного контроллера контакторы 3 и 5 отключаются, а контактор 7 включается, шунтируя тем самым резистор R7. Силовой ток идёт по следующей цепи: контактор тормозного переключателя ТП-2 → контактор реостатного контроллера 1 → контактор реостатного контроллера 7 → пуско-тормозной резистор R8 → линейно-тормозной контактор ЛКТ… Общее сопротивление на 10 позиции составляет 2,11 Ом.

11 ПОЗИЦИЯ РК. На 11 позиции реостатного контроллера контакторы 4 и 6 размыкаются,


А контактор 8 замыкается, тем самым параллельно сопротивлению R8 подключая сопротивления R2 и R9. Параллельная цепь: …контактор реостатного контроллера 1 → пуско-тормозной резистор R2 → контактор реостатного контроллера 8 → пуско-тормозной резистор R9 → линейно-тормозной контактор ЛКТ… Общее

сопротивление на 11 позиции составляет 1,38 Ом.

12 ПОЗИЦИЯ РК. На 12 позиции реостатного контроллера вновь включается контактор 4, подключая, тем самым, параллельно сопротивлению R2 сопротивление R3: Общее сопротивление на 12 позиции составляет 0,84 Ом.


13 ПОЗИЦИЯ. На 13 позиции реостатного контроллера вновь включается контактор 3. Контактор 3, включившись, выводит пусковые резисторы R2 и R3. Параллельно резистору R8 остаётся лишь резистор R9. Параллельная цепь … контактор реостатного контроллера 1 → контактор реостатного контроллера 3 → контактор реостатного контроллера 8 → пуско- тормозной резистор R9 → линейно-тормозной контактор ЛКТ … Общее сопротивление на 13 позиции реостатного контроллера составляет 0,41 Ом.

14 ПОЗИЦИЯ является ходовой с полностью выведенными пуско-тормозными резисторами и полным полем возбуждения. При переходе реостатного контроллера на 14 позицию контактор 4 размыкается, а контактор 9 включается. Контактор 9, включившись, шунтирует оставшиеся пуско-тормозные резисторы R8 и R9. Силовой ток идёт по следующей цепи: контактный провод → токоприёмник ПК → фильтр-дроссель ДРФ → главный


разъединитель ГР → быстродействующий выключатель БВ → первая первичная обмотка дифференцирующего трансформатора трд → первый виток дифференциального реле ДР → линейный контактор ЛК → контактор тормозного переключателя ТП-2 → контактор реостатного контроллера 9 → линейно-тормозной контактор ЛКТ → обмотки якорей тяговых двигателей М1-М2-М3-М4 → датчик тока якоря ДТЯ → датчик тока якоря один ДТЯ-1 → контактор тормозного переключателя ТП-6 → контактор реверсора В-1 → обмотки возбуждения тяговых двигателей М1-М2-М3-М4 → контактор реверсора В-2 → шунт амперметра три ШН-3 → второй виток дифференциального реле ДР → вторая первичная обмотка дифференцирующего трансформатора ТрД → шунт амперметра один ШН-1 → шунт счётчика два ШН-5 → шунт счётчика один ШН-4 → заземляющее устройство ЗУ.

2, 3 и 4 ПОЛОЖЕНИЯ

Пози-ции КМ % ОП в мотор-номрежи-ме Сопроти-вление Ом Позиция РК Контакторные элементы, замыкаемые в моторном режиме, Реостатном торможении с самовозбуждением до 11 позиции  
                                 
  59,5%                          
41,5%                          
  32,3%                              
26,5%                              
  21,0%                              
18,0%                                
                                           


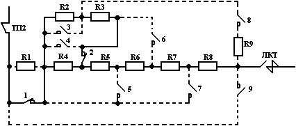
При постановке контроллера машиниста во 2-е положение реостатный контроллер под контролем ДТЯ-1 и БРУ поворачивается с 14 позиции на 15. На данной позиции включаются контакторы Ш и 10. В результате чего параллельно обмоткам возбуждения тяговых двигателей подключается шунтирующая цепь резисторов, и поле возбуждения ослабляется до 59, 5 %.

Шунтирующая цепь…датчик тока якоря один ДТЯ1 → индуктивный шунт ИШ → контактор переключателя ТП4 → контактор ослабления поля Ш → резисторы ослабления поля R10- R11- R12- R13- R14- R15 → шунт амперметра два Шн2 → второй виток дифференциального реле ДР…

При дальнейшем повороте реостатного контроллера на 16 позицию дополнительно включается контактор 11, который шунтирует ступень резисторов в цепи ослабления поля и поле возбуждения тяговых двигателей ослабляется до 41,5 %. 16 позиция является ходовой.

При постановке контроллера машиниста в 3 положение аналогичным порядком происходит дальнейшее ослабление поля тяговых двигателей. На данном положении реостатный контроллер переходит сначала на 17 позицию (не фиксированную), на которой включается контактор 12, выводя очередную ступень резисторов шунтировки поля, и ослабление поля достигает 32,3%. А затем на 18 позицию – фиксированную, на которой включается контактор реостатного контроллера 13 и ещё больше увеличивается ослабление поля – до 26,5 %. 18 позиция является также ходовой.

При постановке контроллера машиниста в 4 положение происходит более глубокое ослабление поля. Сначала на 19 позиции включается контактор 14, и поле ослабляется до 21%, а затем на 20 позиции включается контактор 15 и поле ослабляется до 18%. Эта позиция является ходовой, на которой может быть достигнута максимальная скорость.

При отключении тяги на ослабленном возбуждении сначала размыкается контактор Ш, усиливая возбуждение, а затем отключаются контакторы ЛК и ЛКТ.

Усиление возбуждения вызывает уменьшение тока в обмотках якорей, что уменьшает искрение на коллекторах тяговых двигателей при размыкании линейных контакторов.

ЭЛЕКТРИЧЕСКОЕ ТОРМОЖЕНИЕ

РЕОСТАТНОЕ ТОРМОЖЕНИЕ С НЕЗАВИСИМЫМ ВОЗБУЖДЕНИЕМ

Переход на электрическое торможение происходит при установке контроллера машиниста в 1-4 тормозных положений. В случае в 3. В силовой цепи произойдут следующие переключения: реостатный контроллер должен возвратиться на 1 позицию, тормозной переключатель поворачивается в положение «тормоз», включается контактор ОВ, подключая обмотки возбуждения к тиристорному преобразователю, включается контактор КВ, подающий питание на САУТ и через трансформатор возбуждения ТрВ на тиристорный преобразователь: включаются контакторы Т и ЛКТ и система САУТ выдаёт управляющие импульсы на тиристоры преобразователя, открывая их. Схема начинает работать в режиме реостатного торможения с независимым возбуждением. При этом образуется два контура.

1. Контур возбуждения: (+) тиристорного преобразователя → контактор возбуждения ОВ → контактор реверсора В1 → обмотки возбуждения тяговых двигателей-М1-М2-М3-М4 → контактор реверсора В2 → шунт амперметра три Шн3 → контактор защиты КЗ → датчик тока возбуждения ДТВ → (-)тиристорного преобразователя.


2. Контур якорей: обмотки якорей тяговых двигателей М4-М3-М2-М1 → линейно-тормозной контактор ЛКТ → пуско-тормозные резисторы R8-R7-R6-R5-R4 → контактор торможения Т → резистор R24 → резисторы ослабления поля R11-R12-R13-R14-R15 → шунт амперметра два Шн2 →→ контактор зашиты КЗ → контактор тормозного

переключателя ТП7 → индуктивный шунт ИШ → датчик тока якоря один ДТЯ1 → датчик тока якоря ДТЯ → обмотка возбуждения тягового двигателя М4.

Возрастает ток возбуждения двигателей- генераторов, а, следовательно, и их ЭДС.


РЕКУПЕРАТИВНОЕ ТОРМОЖЕНИЕ

Когда напряжение на двигателях-генераторах будет близким к напряжению контактной сети, срабатывает герконовое реле баланса напряжений РБН, которое включает реле включения рекуперации РВР, которое, в свою очередь, включает линейный контактор ЛК. В этот момент на реостатное торможение с независимым возбуждением накладывается рекуперативное (кратковременно). Но после включения линейного контактора происходит отключение контактора Т. В результате чего начинает действовать только рекуперативное торможение. Силовая цепь в этом случае имеет также два контура:

1. Контур возбуждения остаётся таким же, как и при торможении с независимым возбуждением: (+)тиристорного преобразователя → контактор возбуждения ОВ → контактор реверсора В1 → обмотки возбуждения тяговых двигателей М1-М2-М3-М4 → контактор реверсора В2 → шунт амперметра три Шн3 → контактор защиты КЗ → датчик тока возбуждения ДТВ → (-)тиристорного преобразователя.

2. Контур якорей: обмотки якорей тяговых двигателей М4-М3-М2-М1 → линейно-тормозной контактор ЛКТ → контактор тормозного переключателя ТП1 → линейный контактор ЛК → первый виток дифференциального реле ДР → первая первичная обмотка дифференцирующего трансформатора ТрД→ быстродействующий


выключатель БВ → главный разъединитель Гр → фильтр-дроссель ДрФ → токоприёмник ПК → контактная сеть → электроподвижной состав → рельсы → заземляющее устройство ЗУ → шунт счётчика один Шн4 → шунт счётчика два Шн5 → шунт амперметра Шн1 → вторая первичная обмотка дифференцирующего трансформатора ТрД → второй виток дифференциального реле ДР → контактор защиты КЗ → контактор тормозного переключателя ТП7 → индуктивный шунт ИШ → датчик тока якоря один ДТЯ1 → датчик тока якоря ДТЯ → обмотка якоря тягового двигателя М4.

РЕОСТАТНОЕ ТОРМОЖЕНИЕ С САМОВОЗБУЖДЕНИЕМ

Когда ток возбуждения достигнет 250 А в системе САУТ сработает реле самовозбуждения РСВ, которое переводит силовую схему из режима торможения с независимым возбуждением в режим реостатного торможения с самовозбуждением.

После включения контактора Т отключается линейный контактор ЛК и схема работает в режиме реостатного торможения с независимым возбуждением (кратковременно). В дальнейшем БРУ выдаёт команду на переключение реостатного контроллера с 1 позиции на вторую.

При переходе реостатного контроллера на 2 позицию происходит запирание тиристорного преобразователя и отключается контактор возбуждения ОВ, но зато включается контактор 16, который подключает обмотки возбуждения двигателей-генераторов к якорной цепи с постоянной величиной ослабления поля 80%, а контактор 17 реостатного контроллера шунтирует индуктивный шунт. На этом завершается переход на реостатное торможение с самовозбуждением. Цепь прохождения тока по силовой цепи будет следующей: обмотки якорей тяговых двигателей М4-М3-М2-М1 → линейно-тормозной контактор ЛКТ → пуско-тормозные резисторы R8-R7-R6-R5-R4 → тормозной контактор Т → контактор тормозного переключателя ТП3 → контактор ослабления поля Ш → контактор реостатного контроллера 16 →контактор тормозного переключателя ТП5 → контактор реверсора В1 → обмотки возбуждения тяговых двигателей М1-М2-М3-М4 → контактор реверсора В2 → шунт амперметра три Шн3 → контактор защиты КЗ → контактор тормозного переключателя ТП7 → контактор реостатного контроллера 17 → датчик тока якоря один


ДТЯ1 → датчик тока якоря ДТЯ → обмотка якоря тягового двигателя М4. Параллельно обмотке возбуждения подключена шунтирующая цепь …

→контактор Т → резистор R24 → резисторы ослабления поля R11-R12-R13-R14-R15 → шунт амперметра два Шн2 → контактор защиты КЗ.

На 3 позиции реостатного контроллера контактор КВ отключается. В дальнейшем для поддержания тормозного эффекта реостатный контроллер начинает выводить ступени пуско-тормозных резисторов под контролем БРУ в такой же последовательности, как и при тяговом режиме, только до 11 позиции реостатного контроллера. При скорости

7-5 км/ч вступает в действие ЭПТ и совместно с реостатным продолжает действовать до полной остановки.

Нулевые диоды Д30-Д40 и Тт9 облегчают условия коммутации контакторов. По диодам замыкается ток, обусловленный индуктивностью тяговой цепи.

Тт9 предотвращает протекание токов, образующихся из-за ЭДС самовозбуждения возникающих от остаточных магнитных потоков в тяговых двигателях при транспортировке вагона, если тормозной переключатель не перевёлся в тормозное положение.

ПЕРЕХОД С РЕКУПЕРАТИВНОГО ТОРМОЖЕНИЯ

НА РЕОСТАТНОЕ С НЕЗАВИСИМЫМ ВОЗБУЖДЕНИЕМ

В случае повышения напряжения в контактной сети свыше 3950В при рекуперативном торможении срабатывает реле максимального напряжения Э5-РМН, которое вызывает включение контактора Т, а он отключает контактор ЛК. В результате чего силовая схема снова переходит из рекуперативного торможения в реостатное с независимым возбуждением, при котором происходит аналогичное регулирование тока цепи двигателей-генераторов, то есть таким же порядком, как и при рекуперативном торможении.

СИЛОВЫЕ ВСПОМОГАТЕЛЬНЫЕ ЦЕПИ

ГОЛОВНОЙ ВАГОН

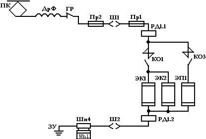
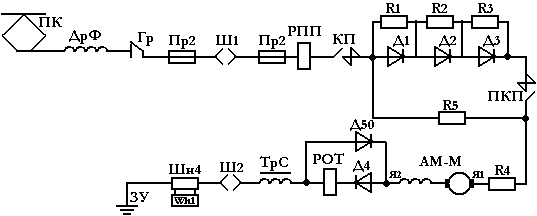
Вспомогательные цепи головного вагона состоят из: 1. Цепь двигателя преобразователя, в которую входят предохранитель Пр2, катушка реле перегрузки преобразователя РПП, контактор преобразователя КП, демпферный резистор R4 (18 Ом), пусковой резистор R5 (28,8 Ом), запирающие диоды Д1-Д3, пусковой контактор преобразователя ПКП, реле обратного тока РОТ, диоды Д4, Д50, первичная обмотка стабилизирующего трансформатора ТрС.


Цепь двигателя преобразователя: контактная сеть → токоприемник ПК → фильтр-дроссель Дрф → главный разъединитель ГР → высоковольтный плавкий предохранитель Пр2 → межвагонное соединение Ш1 → высоковольтный плавкий предохранитель Пр2 → катушка реле перегрузки преобразователя РПП → контактор преобразователя КП → пусковой резистор R5 → демпферный резистор R4 → обмотка якоря двигателя преобразователя АМ-М → обмотка возбуждения двигателя преобразователя → диод Д4 → катушка реле обрат­ного тока РОТ → первичная обмотка стабилизирующего трансформатора ТрС → межвагонное соединение Ш2 → шунт счетчика один Шн4 → заземляющее устройство ЗУ.

R5 служит для ограничения токапри пуске двигателя преобра­зователя. По мере разгона двигателя R5 шунтируется пусковым кон­тактором преобразователя ПКП иток идет, минуя резистор R5 по сле­дующейцепи:... Контактор преобразователя КП → диоды Д1-Д2-Д3 → пусковойконтактор преобразователя ПКП → демпферный резистор R4...

R5 также служит для ограничения тока при генераторном режиме дви­гателя с помощью диодов Д3-Д1, когда в контактной сети происходит снятие напряжения или резкое его понижение,

R4 служит для снижения бросков тока при колебаниях напряже­ния в контактной сети.


2. Цепи отопления включают в себя электрические калориферы ЭК1, ЭК2, электрические печи ЭП1, контакторы отопления KOI, КО3, Реле дифференциальное РД1, плавкий предохранитель ПР1, кроме того, имеются

межвагонные соединения Ш1 и Ш2.

3. Параллельно цели отопления салона подключена цель служеб­ного отопления, в которую входят нагревателя Н10, Н11, контакторы отопления К02, К04, реле дифференциальное РД2.


Контактор КО2 подк­лючает "Нормальное отопление кабины", а контактор К04 шунтирует нагреватель KI0,. Подключая "усиленное отопление кабины".

4. Параллельно целям отопления подключена цепь вольтметра V1 (рис. 58), в которую входят сам вольтметр V1 и резистор R29 сопротивлением 1.333.000 Ом.

МОТОРНЫЙ ВАГОН

На моторном вагоне силовые вспомогательные цепи включают в себя: высоковольтные предохранителя ПР1, ПP2, межвагонные соеди­нения Ш1 и Ш2; цепь отопления - электрические калориферы ЭКI и ЭК2, электрические печи ЭП1, контакторы отопления KОI, КОЗ, реле дифференциальное РД1, резисторы R27 и R29 с катушками напряжения счетчиков Wh1 и Wh2, датчик напряжения Э6-РН с резистором R28 и шунты с токовыми катушками счетчиков

ПРИЦЕПНОЙ ВАГОН

В высоковольтные цепи прицепного вагона входят все цепи головного, кроме цепей служебного отопления и вольтметра.

ЭЛЕКТРИЧЕСКИЕ ЦЕПИ УПРАВЛЕНИЯ

РЕЛЕ

Реле служит для контроля за работой отдельных аппаратов, а также создает последовательность включения или выключения аппа­ратов, подачи сигналов в кабину машиниста.

ПРОМЕЖУТОЧНОЕ РЕЛЕ ТИПА МКУ-48С

Реле имеет П- образный магнитопровод с плоскимсердечником, на котором установлена включающая катушка. Блокировки выполнены в виде набора пластинок с серебряными напайками. В схеме данное реле обозначено:

ПРО - промежуточное реле отопления

ПТР1 - промежуточное термореле

ПТРС - промежуточное температурное реле сигнализации

ПТРК - промежуточное температурное реле кабины

ПТР2 - промежуточное термореле

ПЛК - повторитель линейного контактора

ПЛКТ - повторитель линейно-тормозного контактора

ПТ - повторитель тормозного контактора

ПШ - повторитель контактора ослабления поля

ПТП-М - повторитель тормозного переключателя моторный режим

ПТП-Т - повторитель тормозного переключателя торможения

ПРД1 - повторитель реле дифференциального один

ПРД2 - повторитель реле дифференциального два

РТП - реле торможения промежуточное

РКТ - реле контроля тормоза

РКО - реле контроля отпуска

РК31 - реле контактора защиты

РББ1- реле блокировок безопасности

РББ2- реле блокировок безопасности

РНК- реле напряжения компрессора

РКВ- реле контактора вентиляторов

РНВ- реле напряжения вентиляторов

ПРМН - повторитель реле максимального напряжения

РВР- релевключения рекуперации

РСВ- релесамовозбуждения

РСФ- реле симметрии фаз

ПРРБ - повторитель реле разносного боксования

РЗТ - реле замещения торможения

РНВ1 - реле напряжения вентиляторов кабины

РБР - реле блокировок резервирования

РЗП1 - реле защиты преобразователя

ПРТ - промежуточное реле торможения

ПРБ - повторитель реле боксования

ПРН - повторитель реле напряжения

ПРТ1 - промежуточное реле торможения

РТП1 - реле торможения промежуточное

ПРП - промежуточное реле переключения

ПРИМЕЧАНИЯ:

1. Реле- повторитель реле максимального напряжения. ПРМН включается при напряжении 3950± 50В.

2. Реле включения рекуперации РВР срабатывает при разности напряжения в контактной сети и ЭДС двигателей 200± 50В.

3. Реле самовозбуждения РСВ срабатывает при токе 250± 10А.

4. Реле замещения РЗТ срабатывает при токе 55 ±10А.

РЕЛЕ ТИПА Р-101 выполнено аналогично механизму возврата реле РП, но не имеет специальной пластинки-защёлки. Это реле имеет Г- образный магнитопровод на сердечнике, которого установлена включающая катушка. На якоре смонтированы изоляционные планки для крепления контактных мостиков. Регулировку реле осуществляют регулировочной пружиной и упорным винтом. Это реле в схеме обозначено:

РВК - реле вспомогательного компрессора

РТ - реле торможения

РО - реле отпуска

РОМ – реле обогрева маслоотделителей

РЕЛЕ ТИПА Р-103 состоит из двух частей: верхней высоковольтной, которая контролирует ток перегрузки и нижней низковольтной, которая выполняет функции механизма возврата. Реле типа Р-103 состоит из магнитопровода, катушки с сердечником и якоря. Катушка включена в силовую цепь последовательно. При прохождении по катушке тока перегрузки якорь притягивается и укрепляется на нём, изоляционная планка воздействует на низковольтную блокировку.

В схеме реле обозначено РПП – реле перегрузки преобразователя. Оно защищает преобразователь от токов перегрузки и токов короткого замыкания. При срабатывании воздействует на реле защиты преобразователя РЗП-3, а оно отключает контакторы КП и ПКП. Силовая катушка имеет 11,5 витков. Ток уставки 100± А.

РЕЛЕ ТИПА Р-305. Конструктивно оно выполнено на базе низковольтных контакторов КМ-3Д, с той лишь разницей, что главная контактная система с дугогашением заменена на блокировки такого же типа, как и на нижнем конце якоря. В схеме данное реле обозначено:

ОС - освещение

КВК - контактор вентилятора кабины машиниста

РКБ - реле контроля безопасности

РПТ - реле пневматического тормоза

РЗП-3 – промежуточное реле защиты преобразователя.

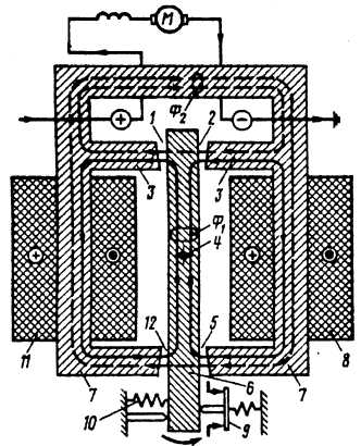
ДИФФЕРЕНЦИАЛЬНОЕ РЕЛЕ Р-104М (по схеме ДР) служит для защиты силовой цепи тяговых двигателей от токов короткого замыкания, когда он менее тока уставки БВ.

Когда в силовой цепи появится короткое замыкание, диффреле срабатывает и разрывает свою блокировку в проводе 601-601А в цепи блока управления контактором защиты БУКЗ и контактор защиты КЗ отключается, отключая БВ. Принцип действия реле основан на не балансе магнитных потоков, создаваемых входной катушкой (1-й виток), установленной в начале силовой цепи и выходной (2-ой виток) установленной в конце силовой цепи.

Реле имеет стальной трёх - стержневой наборный сердечник, на вертикальных сторонах которого находятся подмагничивающие катушки, включённые последовательно, а поэтому ток по ним протекает одинаковый. В верхнем окне магнитопровода помещаются входной и выходной силовые витки. При отсутствии короткого замыкания ток по входному и выходному виткам протекает одинаковый, и поэтому магнитные потоки направленные встречно, уничтожают друг друга; получается баланс магнитных потоков. В средней части магнитопровода помещается якорь, имеющий ось вращения. За счёт регулировочного винта и пружины якорь устанавливают так, чтобы его воздушные зазоры 3 и 4, 5 и 6 были одинаковыми.

При возникновении короткого замыкания величиной 75-100А и более по входной катушке потечёт больший ток, чем по выходной. В результате чего получается небаланс магнитных потоков. Вокруг входного витка образуется большое электрическое поле, образуется больше силовых линий. Они гасят силовые линии выходного витка, и ещё остаётся для пронизывания сердечника по обоим контурам. Поэтому в зазорах 3 и 6 больше силовых линий. В результате чего якорь поворачивается против часовой стрелки, нажимает на контактный мостик и блокировка диффреле ДР размыкается подавая сигнал в БУКЗ.

После сброса контроллера машиниста в ноль диффреле ДР обесточивается и пружина возвращает якорь в исходное положение.


1. Сердечник

2. Подмагничивающие катушки

3. Выходной виток

4. Входной виток

5. Якорь

6. Упор.

Дифференциальное реле 1Р.006. Принцип работы герконового реле 1Р.006 и его действие совпадают с электромагнитным диффе­ренциальным реле Р-104Б, но конструкция реле совершенно иная. Реле 1Р.006 состоит из каркаса 1, в котором находятся две высоковольтные катушки 2 и 3, залитые эпоксидным компаун­дом. Одна катушка установлена в начало силовой схемы, другая — в конец защищаемой цепи, обе катушки включены встречно. Внутри катушек расположен геркон 4 с припаянными выводами 5.

При нормальной работе силовой схемы через катушки про­текают одинаковые токи, они создают встречно направленные магнитные потоки, компенсирующие друг друга (контакты геркона разомкнуты). При возникновении короткого замыкания «на землю» в катушках начнут протекать разные токи. Появит­ся некомпенсированный магнитный поток, что вызовет мгно­венное замыкание контактов геркона. Дифференциальное реле при срабатывании обесточивает блок защиты, который отклю­чает быстродействующий контактор КЗ. Контактор защиты, в свою очередь, отключает БВ, разрывая силовую схему. После отключения цепи контакты геркона размыкаются, т.е. приходятв исходное состояние.

Реле 1Р.006 монтируют на изоляционной панели в под­вагонном ящике. Оно не тре­бует ежедневной подготовки к работе. Реле обслуживают после снятия напряжения, со­блюдая правила техники бе­зопасности: визуально прове­ряют отсутствие механичес­ких повреждений, положение геркона (что определяется це­лостностью эмалевого по­крытия в местах выхода трубки из каркаса реле). Запрещается прикладывать усилия к выводам геркона во избежание его поломки или

Реле 1Р.006 монтируют на изоляционной панели в подвагонном ящике. Оно не тре­бует ежедневной подготовки к работе. Реле обслуживают после снятия напряжения, со­блюдая правила техники безопасности: визуально проверяют отсутствие механических повреждений, положение геркона (что определяется целостностью эмалевого покрытия в местах выхода трубки из каркаса реле). Запрещается прикладывать усилия к выводам геркона во избежание его поломки или нарушения настройки.


Дифференциальное реле 1Р.006 (а) и его магнитные потоки (б):

1 — каркас герконового реле; 2, 3 — катушки;

4 — геркон; 5 — выводы

В силовой схеме реле 1Р.006 работает совместно с шунтом-датчиком, в высоковольтных схемах отопления — самостоятельно: оно обесточивает катушку контактора отопления и отключает соответствующий контактор.

Технические данные реле 1Р.006

Напряжение главной цепи, В

Максимальное………………………………………..4000

Номинальное…………………………………………3000

Номинальный ток катушек, А………………………22

Разность токов в катушках,

при которой срабатывает реле (уставка реле),А……3,5

Напряжение вспомогательной цепи, В……………..110

Коммутируемый ток, А, не более……………………0,5

Сопротивление катушек, Ом…………………………0,0067

Сопротивление изоляции, мОм

между катушками…………………………………….50

между катушками и цепью управления…………….50

между цепью управления и «землей»………………10

Масса, кг………………………………………………0,6

РЕЛЕ ТИПА 1Р 009 служит для защиты двигателя преобразователя от больших токов как после снятия напряжения в контактной сети и новой подачи, так и при возникновении генераторного режима путем введения в цепь резистора

R5 (реле обратного тока срабаты­вает, отключая свою блокировку в проводе 15И-20Е. В результате БУП - блок управления преобразователем - обесточивает катушку кон­тактора ПКП, ПКП отключается). Ток в силовой катушке реле обрат­ного тока РОТ при срабатывании составляет 2А и более, а при отпа­дании 0,1А и менее. В настоящее время вместо этого реле установле­но герконовое реле.

РЕЛЕ ТИПА 1Р 006 (по схеме РД1, РД2) Реле дифференциаль­ное служит для защиты электрокалориферов и электрических печей от токов короткого замыкания.

Реле состоит из каркаса, в котором установлены и залиты эпоксидным компаундом две высоковольтные встречно направленные катушки. Первая включается в начале защищаемой цепи, вторая - в конце. В полости каркаса расположен геркон с припаянными выводами. При нормальной работе по катушкам протекает одинаковый ток, создающий равные встречные магнитные потоки, компенсирующие друг-друга. При этом геркон находится в разомкнутом состоянии.

При возникновении короткого замыкания (на землю) в катушках будут протекать разные токи, геркон сработает, схеме произой­дет отключение контакторов. После обесточивания силовых катушек геркон вернется в исходное положение.

Разность токов, то есть уставка срабатывания реле состав­ляет для РД1- 3.5А, а для РД2 - 1.6А.

ПРИМЕЧАНИЕ:

Такие реле также устанавливают в силовой схеме тяговых двигателей вместо обыкновенного диффреле.

РЕЛЕ ТИПА 1Р.008 (по схеме РБ1, РБ2, РБЗ, РРБ1, РРБ2, РРБ3, РБН, РМН, РН - ГЕРКОНОВЫЕ РЕЛЕ).

РН - реле напряжения срабатывает при токе 1,7-2,4ма, а отпа­дает при токе 0,6 - 1.8 мА и менее;

РМН - реле максимального напряжения срабатывает при токе2,9 - 4 мА, включается реле при напряжении 3950В и более;

РБН - реле баланса напряжений отключается при токе 0.5-2.2мА. Что соответствует напряжению 50-200В;

РБ1, РБ2, РБЗ - включаются при напряжении 60В и более;

РРБ1, РРБ2,РРБЗ - реле разносного боксования, срабатывает при токе 25,4 мА;

РМТ - реле моторного тока служит для перевода схемы ЭДТ из рекуперативного торможения в реостатное с независимым возбуждением, при появлении моторного тока.

При замыкании реле РВР его блокировка в проводе 035 – 035А замыкается, открывается Тт1, срабатывает РМТ, шунтируя своей блокировкой обмотки ДТЯ1, при этом срабатывает РЗТ.

УСТРОЙСТВО РЕЛЕ

Реле состоит из каркаса, катушки, изолированной эпоксидным компаундом. В полости каркаса расположен геркон с припаянными выводами. При подаче напряжения на катушку геркон замыкается и при снятии размыкается. Реле устанавливают на гетинаксовых платах.

РЕЛЕ ВРЕМЕНИ ТИПА РЭВ. Реле РЭВ-811, РЭВ-812, РЭВ-813 отличаются друг от друга величиной выдержки времени. Реле времени – это такое реле, у которого замыкание или размыкание блокировок происходит с выдержкой времени от 0,25 до 4 секунд после отключения катушки реле. Применение таких реле необходимо по условиям работы схемы.

Выдержку времени регулируют изменением толщины немагнитной прокладки (грубая регулировка) или натяжением пружины (плавная регулировка).

Реле РЭВ-811 по схеме РВТ3 – реле времени торможения, служит для подключения ЭПТ в конце реостатного торможения с самовозбуждением. Время отпадания якоря составляет 1 сек.

Реле РЭВ-812 по схеме РВТ2 служит для замещения электрического торможения ЭПТ при отказе электрического торможения. Время отпадания составляет 1,8 сек.

Реле РЭВ-813 по схеме РВТ1 служит для обеспечения выдержки времени, необходимой для включения всех аппаратов при электрическом торможении, то есть, задерживает включение ЭПТ. Выдержка времени при отпадании составляет 3,5 сек.

ТЕПЛОВОЕ РЕЛЕ ТИПА ТРТП служит для защиты от перегрузки двигателей переменного тока. Смонтировано оно в пластмассовом корпусе и состоит из U – образной биметаллической пластины, на правый конец которой опирается витая цилиндрическая пружина, соединённая с изоляционной колодочкой, на которой находится подвижной контакт. Левый конец биметаллической пластины соединён с механизмом изменения тока уставки, позволяющем регулировать ток уставки.

При достижении тока срабатывания пластины, последняя нагреваясь, изгибается и поворачивает колодочку, которая и размыкает контакты. Возврат реле производится вручную нажатием кнопки на изоляционную колодочку, которая поворачивается в исходное положение.

Тепловые реле ТРТП-114, ТРТП-115, ТРТП-135 и другие аналогичны по устройству, но отличаются только техническими данными тока уставки.

В схеме они обозначены:

ТР11, ТР12…………. установлены в цепи мотор-вентилятора кабины МВК;

ТР1, ТР2, ТР3, ТР4….установлены в цепи мотор-вентиляторов МВ1 и МВ2:

ТР5, ТР6……………. установлены в цепи мотор-компрессора МК:

ТР5 (моторн.вагон)…установлен в цепи контактора КВ:

ТР7………………….. установлен в цепи низковольтной обмотки двигателя преобразователя.

ПНЕВМАТИЧЕСКИЙ ВЫКЛЮЧАТЕЛЬ УПРАВЛЕНИЯ

Пневматический выключатель управления служит для автоматического замыкания и размыкания цепей управления тяговыми двигателями в зависимости от давления воздуха в тормозной магистрали.

Пневматический выключатель управления ПВУ состоит из привода, шариковых фиксаторов, механизма переключения и кулачкового контактора. Сжатый воздух, подведённый под поршень, преодолевая усилие пружины и нижнего шарикового фиксатора, перемещает поршень со штоком вверх до упора его в корпус. Шток при перемещении поворачивает рычаг, который включает контактор. При снижении давления пружина отжимает поршень вниз, преодолевая давление сжатого воздуха и усилие верхнего шарикового фиксатора. Поршень перемещается вниз, рычаг поворачивается в обратном направлении, выключая контактор.

Регулировка ПВУ происходит путём затягивания пружины шарикового фиксатора. По схеме ПВУ обозначены АВУ и АВТ.

Автоматический выключатель торможения АВТ применяется для прекращения электрического торможения и устранения опасности заклинивания колёсных пар при одновременном действии электропневматического и электрических тормозов на моторном вагоне в тех случаях, когда давление в тормозных цилиндрах выше установленного. АВТ отличается от АВУ тем, что при движении поршня вверх контактор выключается, а при движении вниз включается.

Замыкание контактов АВУ происходит при давлении 4,5-4,8 кгс/см2, размыкание при давлении 2,7-2,9 кгс/см2.

Замыкание контактов АВТ происходит при давлении от 0 до 0,4 кгс/см2 , а размыкание при давлении 1,8-2 кгс/см2.

ЦЕПИ УПРАВЛЕНИЯ ДВИГАТЕЛЕМ ПРЕОБРАЗОВАТЕЛЯ

1.
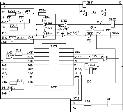
1. После включения ВУ ПРУ получает питание по следующей цепи: провод 15→ плавкий предохранитель Пр54 → провод 22 → моторный вагон предохранитель Пр19 → провод 22П → прямая блокировка реле блокировок безопасности РББ1 (катушка реле РББ1 под питанием) → обратная блокировка реле безопасности блокировок РББ2 (провод 26 без питания, а следовательно и катушка реле РББ2) → провод 17 → прицепной вагон катушка промежуточного реле управления ПРУ → провод 30. Катушка ПРУ, получив питание, притягивает якорь и замыкает свой главный контакт, а также прямую блокировку в проводе 20Г-20В. В результате чего катушка контактора преобразователя КП получает питание.

2. Катушка контактора КП получает питание по следующей цепи: Провод 15 → предохранитель Пр26 → кнопка В1 «Выключатель преобразователя» → прямая блокировка промежуточного реле управления ПРУ → обратная блокировка пускового контактора преобразователя ПКП → катушка контактора преобразователя КП → обратная блокировка реле защиты преобразователя РЗП3 → замкнутая блокировка теплового реле ТР7 → провод 30АЯ → блок управления преобразователем БУП → провод 30. Контактор КП включается и подаёт напряжение на двигатель преобразователя.

3. Под действием пускового тока включается реле обратного тока РОТ, которое своей блокировкой подаёт питание на провод 20Е, а он через БУП на контактор ПКП по проводу 20Ш по следующей цепи: → провод 15 →предохранитель Пр26 → провод 15Ж → резистор R26 → провод 15И → прямая блокировка реле обратного тока РОТ → провод 20Е → БУП → провод 20Ш → катушка контактора ПКП → провод 30.

4. Контактор ПКП включается и своей блокировкой разрывает цепь питания контактора КП, но контактор КП остаётся включённым за счёт блокировки контактора генератора КГ, так как за это время синхронный генератор успевает начать вырабатывать трёхфазный ток.

Цепь включения контактора: → провод 84А (нулевой провод синхронного генератора) → предохранитель Пр3 → провод 84 → катушка контактора КГ → провод 30ЦБ → прямая блокировка контактора КП → провод 30Ц → выпрямительный мост Д8-Д12 → провод 82Х (или 83Х) → предохранитель Пр44 (или Пр45) → провод 81 (или 82) → предохранитель Пр4 (в фазе С2 нет) → фаза синхронного генератора С1 (или С2).

5. Чтобы синхронный генератор начал вырабатывать трёхфазный электрический ток необходимо на обмотки возбуждения подать напряжение. В период пуска двигателя преобразователя напряжение на обмотку возбуждения синхронного генератора подаётся от батареи по следующей цепи: → провод 15 → предохранитель ПР26 → прямая блокировка контактора КП → провод 20КА → обратная блокировка контактора ПКП (включена только пока не включился ПКП) → провод 20К → обратная блокировка контактора батареи БК → резистор R11 → обмотки возбуждения синхронного генератора И1-И2 → обратная блокировка контактора КГ → провод 30.

После того, как сработает контактор батареи БК и разомкнёт свою блокировку в проводе 20К-20КБ и контактор генератора КГ отключит свою блокировку, отсоединяя тем самым обмотки возбуждения от батареи, обмотки возбуждения синхронного генератора будут питаться по следующей цепи (через Тт1): → плюс двухфазного тиристорного выпрямительного моста → обмотки возбуждения синхронного генератора И1-И2 → провод 73Е → плюс диодного моста ВМ Д61-Д64 → минус ВМ Д61-Д64 → провод 73Е → обратная блокировка РЗП3 → провод 73М

→тиристор Тт1 → провод 30Ц → минус выпрямительного моста Д8-Д12.

6. При срабатывании реле перегрузки преобразователя РПП получает питание катушка реле защиты преобразователя РЗП3 по следующей цепи: → провод 15 → предохранитель ПР26 → прямая блокировка реле перегрузки преобразователя РПП → катушка реле защиты преобразователя РЗП3 → провод 30. РЗП3 сработав одной блокировкой в проводе 20В-20Д становиться на самоподхват, другой в проводе 30АЭ-30АЮ обесточивает катушку контактора КП, третьей в проводе 73Е-73М снимает питание с обмоток возбуждения синхронного генератора, четвёртой в проводе 73В-73Г шунтирует компаундирующий трансформатор. В результате чего контактор КП отключается, а БУП отключает ПКП.

ПРИМЕЧАНИЕ:

Если контактор КГ не включается, то запуск повторить путём переключения ВУ или нажатием кнопки «Выключение преобразователя».

ЦЕПИ УПРАВЛЕНИЯ ДВИГАТЕЛЕМ КОМПРЕССОРА

Управление мотор-компрессорами осуществляется по проводу 27 при включённом регуляторе давления АК на головном вагоне по цепи: → провод 22 → предохранитель ПР17 → провод 22К → регулятор давления АК → провод 27 → обратная блокировка реле защиты преобразователя РЗП1 → прямая блокировка контактора ПКП → предохранитель ПР25 → прямая блокировка реле напряжения компрессора РНК → катушка контактора К → провод 30.


Контактор К включается, подключая двигатель компрессора к трёхфазному напряжению 220В.


Как только синхронный генератор начнёт вырабатывать электрическую энергию - получит питание реле напряжения компрессора РНК.

Реле защиты преобразователя РЗП1 исключает пуск двигателя компрессора в момент электрического торможения с независимым возбуждением. Цепь питания РЗП1: → провод 40 → выключатель В8 «торможение» → провод 40А → РУМ → замкнутая блокировка РСФ → замкнутая блокировка повторителя реле разносного боксования ПРРБ → замкнутая блокировка контактора возбуждения КВ → провод 46 → сопротивление R14 → катушка реле защиты преобразователя РЗП1 → провод 30.

Контактор ПКП подключает двигатель компрессора при полностью запущенном преобразователе.

При срабатывании теплового реле ТР5 или ТР6 отключается реле напряжения компрессора РНК, а оно отключает контактор К.

КОНТРОЛЛЕР МАШИНИСТА 1 КУ. 019

Контроллер машиниста служит для дистанционного управления тяговыми двигателями.

Контроллер машиниста имеет два основания: верхнее и нижнее, соединённые между собойтремя стойками, и закрывается кожухом. В верхней части имеются главная и реверсивная рукоятки. Главная рукоятка имеет нулевое положение и 10 рабочих (5 тормозных и 5 тяговых). Угол поворота составляет от нуля 142, 5°. Главная рукоятка имеет кнопку безопасности. Реверсивная рукоятка имеет 3 положения и угол поворота от нуля 30°. Внутри имеются главный и реверсивный валы с текстолитовыми кулачковыми шайбами различного профиля. При помощи шайб происходит включение и выключение низковольтных контакторов. Всего имеется 21 контактор: 5 реверсивного вала и 16 главного, 4 последних главного вала находятся в цепи ЭПТ (55В), а один – 17 в це





Подборка статей по вашей теме: