Чтобы собралась схема маневрового положения необходимо: реверсор развернуть в положение "Вперед" - тормозной переключатель развернуть в положение "Тяга", включить линейный контактор ЛК, линейно-тормозной контактор ЛКТ. Управление тяговыми двигателями осуществляется контроллером машиниста. Для включения тяговыхдвигателей в работу надо:
1. Нажать на кнопку безопасности, блокировка которой подает питание на реле контроля безопасности РКБ по следующей цепи: →провод 15 → предохранитель Пр51→ провод I5A (рис. № 22) → контактор контроллера машиниста К6 → замкнутую кнопку безопасности КнБ→ катушка реле контроля безопасности РКБ → провод 30 (рис. № 57). РКБ срабатывает и замыкает свои блокировки:
1 - в проводе 15А-15АС-шунтнрует контактор контроллера машиниста 6,
2 - в проводе З0ТВ-З0-шунтирует контактор контроллера машиниста 1,
3- в проводе 22Е-2-подготавливает цепь питания-2 провода.
Шунтирование контакторов 1 и 6 необходимо для обеспечения электрической зависимости контроллера машиниста.
|
|
|
2. Затем переводим реверсивную рукоятку в положение "Вперед". В результате чего замыкаются контакторы реверсивного вала 2, 3 и 4, а контактор I размыкается. Теперь напряжение подается на провод 22В, а он на провод 42 по следующей цепи: → провод 15 → выключатель управления ВУ → предохранитель Пр54 → провод 22 (рис. № 28) → переключатель пневматического тормоза ППТ → провод 22Д (рис. №31) → кнопка "Возврат защиты" → контактор реверсивного валаконтроллера машиниста 3 → контактор главноговала контроллера машиниста 16 → провод 42 (рис. №67) → реле времени торможения РВТ1 → провод 30 (рис. №69).
Устанавливаем контроллер машиниста в "М" положение, при этом замыкаются контакторы главного вала контроллера машиниста 7, 9, 17. Напряжение с провода 22В через контактор 9 подается на провод 22Г (плюсовая шина), а с него через контактор 7 на катушкуконтактора КВХ: → провод 22Г → контактор главного вала контроллера машиниста 7 → провод 22У → катушка контактора КВХ → провод ЗОК → обратная блокировка реле пневматического тормоза РПТ → провод З0Л → ключ ЭПК-К → провод 30. Контактор КВХ включается и своим контактом через контактор реверсивного вала 4 подает питание на провод 11 и на сигнальную лампу ЛКиТ, минус которой создает провод 60: → провод 22М → сигнальная лампа ЛКиТ→ → резистор R109 (или кнопка B4I) → провод 60 → РУМ → прямая блокировка повторителя линейного контактора ПЛК → обратная блокировка повторителя тормозного контактора ПТ → замкнутый блок-контакт реле времени РВТ1 → провод 30. Другой контакт КВХ совместно с блокировками РКБ подает питание на провод 2. Провод 11получивпитание, возбуждает вентиль реверсора "Вперед" и реверсор поворачивается в заданное положение (рис. №68). После чего замыкается его блокировка "Вперёд" и включается промежуточное реле переключения ПРП: → провод 11 → РУМ → замкнутая блокировка реверсора "Вперед" → замкнутая обратная блокировка контактора 0В → провод 11Г → сопротивление R97 → провод 11Д → катушка промежуточного реле переключения ПРП → провод З0А → РУМ → провод 30. ПРП включившись, замыкает свою блокировку в проводе 2Д-2К и вентиль тормозного переключателя ТП-М получает питание по цепи: → провод 2 → РУМ → провод 2А → автоматический выключатель управления АВУ (при наличии воздуха в тормозной магистрали) → провод 2Б → обратная блокировка линейно-тормозного контактора ЛКТ → провод 2Д → замкнутая блокировка ПРП → провод 2К → вентиль тормозного переключателя ТП-М → провод З0А → РУМ → провод 30, и тopмозной переключатель устанавливается в режим тяги. Как только тормозной переключатель развернулся в положение "Тяга" замкнулся его низковольтный контактор ТП-10, подавая питание на повторитель тормозного переключателя - моторный режим ПТП-М. Реле ПТП-М включается по цепи: → провод 22 → предохранитель ПР19 → провод 22П → контактор тормозного переключателя ТП-10 → сопротивление R44 → катушка реле ПТП-М → провод З0А → РУМ → провод 30. После чего замыкается его блокировка в проводе 2Б-2В и линейный контактор получает питание по цепи: →провод 2 → РУМ → блокировка автоматического выключателя управления АВУ → прямая блокировка повторителя тормозного переключателя - моторный режим ПТП-М → обратная блокировка повторителя реле разносного буксования ПРРБ → прямая блокировка повторителя реле напряжения ПРН → прямая блокировка быстродействующего выключателя БВ → катушка вентиля линейного контактора ЛК → замкнутая блокировка реостатного контроллера РК1 → провод ЗОА → РУМ → провод 30. Линейный контактор, включившись одной блокировкой включает линейно-тормозной контактор ЛКТ: → провод 11 → РУМ → замкнутую блокировку реверсора "Вперед" → замкнутая блокировка линейного контактора ЛK→ катушка вентиля линейно-тормозного контактора ЛКТ → провод З0А → РУМ → провод 30; а другой отключает повторитель линейного контактора ПЛК, линейно-тормозной контактор ЛКТ включившись, одной своей блокировкой включает свой повторитель ПЛКТ: → провод 22 → предохранитель Пр19 → провод 22П → замкнутая прямая блокировка ЛКТ → резистор R38 → катушка повторителя линейно-тормозного переключателя ПЛКТ → провод З0А → РУМ → провод 30, а другой блокировкой обесточивает вентиль тормозного переключателя ТП-М.
|
|
|
Блокировки повторителя тормозного переключателя ПТП-М и линейно-тормозного контактора ЛКТ обеспечивают питание линейного контактора ЛК на 2-20 позициях реостатного контроллера на этом сбор схемы в положении "М" заканчивается.
Мгновенное загорание сигнальной лампы ЛКиТ свидетельствует о том, что линейные контакторы на всех моторных вагонах включились, а их повторители ПЛК отключились.
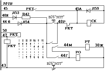
4. Срывной клапан СК при тяге получает питание по следующей цепи: → провод 44 → контактор главного вала контроллера машиниста 21 → провод 44А (рис. № 67) → переключатель пневматического тормоза ППТ → провод 44Б → диод Д54 → выключатель В26 "ЭПТ" → обратная блокировка реле контроля торможения РКТ → катушка срывногоклапана СК → провод 30ТВ (рис. № 71) → блокировка реле контроля безопасности РКБ → провод 30 (рис. № 67).
ПРИМЕЧАНИЕ:
Конденсатор CI3 создает выдержку времени на отключение контактора КВХ.






