Средства, с помощью которых осуществляется диагностирование технического состояния объекта, называются техническими средствами диагностирования [7]. Средства могут быть аппаратурными или программными, внешними или встроенными, ручными, автоматизированными или автоматическими, специализированными или универсальными и т.д. В качестве средств диагностирования может выступать оператор — человек, контролер, наладчик. Выбор и разработка средств тестового диагностирования должны осуществляться с учетом многих факторов: наличия серийного выпуска требуемых средств, наличия подходящих средств на заводе-изготовителе, массовости выпуска объекта и его сложности, требуемых качеств средства (точности, производительности, надежности и т.д.).
Средства функциональной диагностики являются, как правило, встроенными и создаютя одновременно с объектом. Для сложных объектов существенными становятся проблемы повышения контролепригодности. Контролепригодность — свойство объекта, характеризующее его приспособленность к проведению контроля заданными средствами (ГОСТ 19919—74). Уровень контролепригодности объектов определяет степень эффективности решения задач тестового диагностирования их технического состояния, влияет на производительность процесса их производства и качество. При эксплуатации уровень контролепригодности определяет их коэффициент готовности и затраты, связанные с ремонтом. Коэффициент готовности — показатель надежности ремонтируемых объектов, характеризующий вероятность того, что объект будет работоспособен в произвольно выбранный момент времени в промежутках между выполнениями планового технического обслуживания.
|
|
|
Кг = Т/(Т+Тв), где Т — наработка на отказ; Тв — среднее время восстановления работоспособности.
Вместе с тем дополнительные технические средства диагностирования делают объект более дорогим и менее надежным и тоже должны диагностироваться. Контролепригодность обеспечивается преобразованием структуры проверяемого объекта к виду, удобному для проведения диагностирования. Для этого в объект еще на этапе его проектирования и конструирования вводят дополнительные элементы (аппаратуру) — встроенные средства тестового диагностирования. К встроенным средствам тестового диагностирования можно отнести:
– дополнительные контрольные точки;
– дополнительные входы для блокировки сигналов и задания требуемых значений сигналов;
– аппаратные средства, которые при диагностике изменяют структуру объекта;
– аппаратные средства, которые генерируют тесты и анализируют результаты.
|
|
|
Технические средства для диагностики сложного автоматизированного технологического оборудования в зависимости от назначения подразделяются на встроенные и внешние. Внешние системы (средства) диагностики в свою очередь могут быть мобильными и стационарными. Мобильные средства предназначены для контроля параметров и диагностирования объектов при приемосдаточных испытаниях, при эксплуатации и ремонте. Стационарные (стенды) используются в основном для исследования и испытания объектов в процессе их создания.
При разработке и использовании технических средств диагностики (ТСД) важное значение имеет метрологическая подготовка и обеспечение метрологического обслуживания средств, включающие проверки (атестацию), юстировку и ремонт этих средств. Юстировка (от нем. justieren — выверять, регулировать; от лат. justus — правильный) — совокупность операций по доведению погрешностей средств измерений, приборов, механизмов до значений, соответствующих техническим требованиям. Таким образом, основная цель применения ТСД — обеспечение качества оборудования систем автоматизации при его выпуске и эксплуата ции путем своевременного и достоверного контроля технического состояния, качества сборки, наладки и регулировки, качества выполнения основных функций при эксплуатации, а также обнаружение, локализация и последующее исправление дефектных состояний агрегатов, модулей, узлов и элементов изделия и установления причин их появления. Назначение ТСД — определение с заданной достоверностью, регистрация и принятие решения о соответствии или несоответствии текущего технического состояния контролируемого оборудования номинальному. Наиболее часто ТСД используются для реализации следующих методов диагностирования:
– метод временных интервалов;
– метод контрольных осциллограмм;
– метод контроля параметров.
Метод временных интервалов направлен на контроль времени цикла работы системы автоматизации, а также его отдельных составляющих. Для диагностирования сложных систем автоматизации применяют метод контрольных (эталонных) осциллограмм. Метод основан на использовании графиков функций различных параметров во времени, на основании анализа которых делается заключение о работоспособности и техническом состоянии системы и ее отдельных элементов. Метод контроля параметров сводится к определению (измерению) тех или иных параметров, нахождение которых в установленных границах определяет работоспособность системы или ее отдельных элементов.
Конвертор сигналов типа "NAMUR"
В последнее время все настойчивее ставится задача постоянного контроля исправности линий связи, идущих от датчиков дискретных сигналов. Промышленностью уже освоен выпуск приборов с датчиками типа «NAMUR», для которых разработаны соответствующие приемники преобразователи. Эквивалентная схема датчика типа «NAMUR» представлена на рисунках, они просты, но преобразователи сигналов для таких датчиков требуют более сложной схемотехники. Задачей преобразователей является определение как состояния датчика: включен отключен так и постоянная диагностика состояния линии связи норма, обрыв, короткое замыкание. Диагностика состояния линии связи является особенно важной для ответственных сигналов систем противоаварийной защиты ПАЗ. Отсутствие информации об отказах линий связи может приводить к нарушению выполнения отдельных функций систем ПАЗ или ложному срабатыванию защиты. Причина этому – невозможность в обычных схемах приема сигналов различить состояние датчика «отключено» от обрыва линии и состояние «включено» от короткого замыкания в линии. Наличие диагностики состояния линий связи позволяет системе принимать различные решения, включая предупредительные меры обеспечения безопасности.
|
|
|
Есть различные способы реализации контроля линий связи и состояния датчиков дискретных сигналов. Одним из самых полных и удачных методов диагностики линий связи является метод обтекания цепи датчика постоянным током. В данном методе для всех состояний датчика и сопротивления линии связи должны быть определены диапазоны токов, протекающих в линии с датчиком. Так например, для широко распространяющегося стандарта датчика типа «NAMUR» определены следующие параметры:


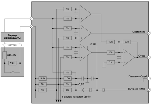
Рисунок 1.
На рисунке 1 показан не дорогой вариант реализации схемы приёма дискретных сигналов и диагностики линий связи. Метод основан на компарировании порогов напряжения, вызванных протеканием тока в цепи датчика и линии связи. В схеме используется самый простой счетверенный операционный усилитель в одном корпусе, диоды резисторы и конденсаторы. Для заданных значений токов в цепи датчиков типа «NAMUR» произведены расчеты опорных напряжений для компараторов и значения сопротивлений, указанных в электрической схеме на рисунке 1 и 2. Выходные сигналы операционного усилителя можно в дальнейшем усилить либо транзисторным усилителем, либо включить оптопару, а также подключить светодиодные индикаторы – зеленый для отображения «состояния», красный для отображения «отказ». Такая схема рекомендуется при приеме постоянных или импульсных сигналов, с частотой не более 20 кГц (например сигналы турбинных расходомеров). Предложенная схема может работать как с обычными датчиками так и датчиками типа «NAMUR». При работе с обычными датчиками вывод «отказ» не используется.
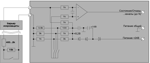
При приеме сигналов, не требующих быстрого реагирования можно построить схему с одним компаратором и поочередной установкой для всех групп компараторов (датчиков) различные уровни порогов срабатывания компараторов с последующим запоминанием значения сигналов компараторов и логической обработкой результатов, как показано на рисунке 2.

Рисунок 2.
|
|
|
Рассчитанные значения токов в цепи датчика учитывают возможность изменения сопротивления в линии и установку дополнительного сопротивление (например в виде пассивного барьера искрозащиты (260 Ом.)). Сопротивление цепи датчика, цепи линии и др. последовательно соединенных с ними приборов при замкнутом контакте датчика может принимать суммарно значение от 400 ом до 2,0 кОм. Для приведенного расчета тока в цепи датчика на схеме, в его цепи, установлено последовательно сопротивление 1 кОм, включающее в себя суммарно: собственное сопротивление установленного в датчик резистора, сопротивление линии связи и сопротивление барьера искрозащиты.
Напряжение питания цепи датчика может варьироваться, рекомендуемый диапазон от 7 до 9 вольт, соответственно этому изменению будет изменяться ток, протекающий через датчик, и пропорционально изменению напряжения пороги срабатывания компараторов. Диапазон изменения напряжения питания датчика входит в расчетные значения токов.
Для использования возможности контроля линий связи в существующих системах можно установить в цепи обычного датчика два резистора, как показано на рисунках, максимально приближенно к месту установки датчика. При этом необходимо учитывать допустимые токи в цепи датчика и в соответствии с этими ограничениями производить расчет токов в цепи и выделяемые тепловые потери на резисторах датчика и преобразователя.
Подводя итоги данной статьи, хотелось бы отметить необходимость закрепления в нормативных документах Ростехнадзора, регулирующих требования к системам безопасности, важного требования об обязательном применении средств диагностики состояния линий связи от датчиков дискретных сигналов.
Наша компания предлагает недорогое готовое решение стыковки датчиков типа "NAMUR" с имеющимся оборудованием.

Конвертор сигналов на 8 каналов
Конвертор сигналов типа "NAMUR"
В последнее время все настойчивее ставится задача постоянного контроля исправности линий связи, идущих от датчиков дискретных сигналов. Промышленностью уже освоен выпуск приборов с датчиками типа «NAMUR», для которых разработаны соответствующие приемники преобразователи. Эквивалентная схема датчика типа «NAMUR» представлена на рисунках, они просты, но преобразователи сигналов для таких датчиков требуют более сложной схемотехники. Задачей преобразователей является определение как состояния датчика: включен отключен так и постоянная диагностика состояния линии связи норма, обрыв, короткое замыкание. Диагностика состояния линии связи является особенно важной для ответственных сигналов систем противоаварийной защиты ПАЗ. Отсутствие информации об отказах линий связи может приводить к нарушению выполнения отдельных функций систем ПАЗ или ложному срабатыванию защиты. Причина этому – невозможность в обычных схемах приема сигналов различить состояние датчика «отключено» от обрыва линии и состояние «включено» от короткого замыкания в линии. Наличие диагностики состояния линий связи позволяет системе принимать различные решения, включая предупредительные меры обеспечения безопасности.
Есть различные способы реализации контроля линий связи и состояния датчиков дискретных сигналов. Одним из самых полных и удачных методов диагностики линий связи является метод обтекания цепи датчика постоянным током. В данном методе для всех состояний датчика и сопротивления линии связи должны быть определены диапазоны токов, протекающих в линии с датчиком. Так например, для широко распространяющегося стандарта датчика типа «NAMUR» определены следующие параметры:


Рисунок 1.
На рисунке 1 показан не дорогой вариант реализации схемы приёма дискретных сигналов и диагностики линий связи. Метод основан на компарировании порогов напряжения, вызванных протеканием тока в цепи датчика и линии связи. В схеме используется самый простой счетверенный операционный усилитель в одном корпусе, диоды резисторы и конденсаторы. Для заданных значений токов в цепи датчиков типа «NAMUR» произведены расчеты опорных напряжений для компараторов и значения сопротивлений, указанных в электрической схеме на рисунке 1 и 2. Выходные сигналы операционного усилителя можно в дальнейшем усилить либо транзисторным усилителем, либо включить оптопару, а также подключить светодиодные индикаторы – зеленый для отображения «состояния», красный для отображения «отказ». Такая схема рекомендуется при приеме постоянных или импульсных сигналов, с частотой не более 20 кГц (например сигналы турбинных расходомеров). Предложенная схема может работать как с обычными датчиками так и датчиками типа «NAMUR». При работе с обычными датчиками вывод «отказ» не используется.
При приеме сигналов, не требующих быстрого реагирования можно построить схему с одним компаратором и поочередной установкой для всех групп компараторов (датчиков) различные уровни порогов срабатывания компараторов с последующим запоминанием значения сигналов компараторов и логической обработкой результатов, как показано на рисунке 2.

Рисунок 2.
Рассчитанные значения токов в цепи датчика учитывают возможность изменения сопротивления в линии и установку дополнительного сопротивление (например в виде пассивного барьера искрозащиты (260 Ом.)). Сопротивление цепи датчика, цепи линии и др. последовательно соединенных с ними приборов при замкнутом контакте датчика может принимать суммарно значение от 400 ом до 2,0 кОм. Для приведенного расчета тока в цепи датчика на схеме, в его цепи, установлено последовательно сопротивление 1 кОм, включающее в себя суммарно: собственное сопротивление установленного в датчик резистора, сопротивление линии связи и сопротивление барьера искрозащиты.
Напряжение питания цепи датчика может варьироваться, рекомендуемый диапазон от 7 до 9 вольт, соответственно этому изменению будет изменяться ток, протекающий через датчик, и пропорционально изменению напряжения пороги срабатывания компараторов. Диапазон изменения напряжения питания датчика входит в расчетные значения токов.
Для использования возможности контроля линий связи в существующих системах можно установить в цепи обычного датчика два резистора, как показано на рисунках, максимально приближенно к месту установки датчика. При этом необходимо учитывать допустимые токи в цепи датчика и в соответствии с этими ограничениями производить расчет токов в цепи и выделяемые тепловые потери на резисторах датчика и преобразователя.
Подводя итоги данной статьи, хотелось бы отметить необходимость закрепления в нормативных документах Ростехнадзора, регулирующих требования к системам безопасности, важного требования об обязательном применении средств диагностики состояния линий связи от датчиков дискретных сигналов.

Конвертор сигналов на 3 канала
Очевидно, что для работы мажоритарной схемы число "голосов" должно быть нечетным. Однако в системах безопасности возможно применение любого числа "голосов". Вместо недостающего голоса используется условие, что система считается работоспособной, если отказ является безопасным. Это позволяет использовать системы, в которых выбирается один голос из двух и такие системы по стандарту МЭК 61508 [МЭК] обозначаются как 1oo2 (1 Out Of 2). Используются также системы 2оо2 - (два голоса из двух), 2оо3 (два голоса из трех), 2оо4 (два голоса из четырех), 3 oo4 (три голоса из четырех).