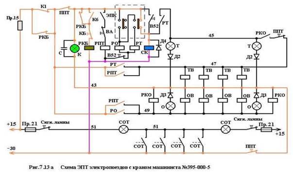
Выключатель ЭПТ «В52», имеющий два положения: «ЭПТ» и «Выключено».
При включении в головной кабине ППТ в положение «Головной вагон», а в хвостовой кабине - «Хвостовой вагон» создается электрическая цепь на сигнальную лампу «К» - контроля целостности обратного провода:
Ø провод (+)15, Пр. 15, контакт К1(0) реверсивного барабана контроллера машиниста, замкнутый при нейтральном положении реверсивной рукоятки, контакты ППТ (гол.), лампа «К», провод 43, контакты ППТ (хв.), провод (-)30.
Катушка СК в этом случае будет получать питание по цепи:
Ø провод (+)15, Пр.15, контакт К1(0), контакты 11111 (гол.); контакты В52 (верхние по схеме на рис. 7.13), катушка СК, провод (-)30;
и по параллельной цепи через контакты ККМ V-VI, замкнутые в правом положении (по рис. 7.13.).
Чтобы ЭПТ действовал, необходимо перевести выключатель В52 в положение «ЭПТ». При этом верхний (на схеме рис. 7.13) контакт В52 размыкается, а нижний - замыкается и катушки РО и РТ подключаются к проводу (-)30.
При I-м и II-ом положениях ручки КМ № 395 (рис. 7.13.а) цепь питания СК будет следующей:
|
|
|
Ø провод (+)15, Пр.15, контакт К1(0) (или контакт РКБ, если рукоятка контроллера машиниста находится в ходовом положении), контакты ППТ (гол.), контакты ККМ V- VI, катушка СК, провод (-)30.
Цепь питания лампы «К» остается прежней.
При III-м и IV-ом положениях ручки КМ № 395 (рис. 7.13 б) цепь питания СК сохраняется. Через контакты ККМ III-IV - они переключаются в левое положение (по рис. 7.13.) при переводе ручки КМ в перекрышу - подается напряжение на катушку реле РО, которое замыкает свой контакт в цепи отпускного провода 49. По этому проводу получают питание вентили ОВ ЭВР всех вагонов и катушки РКО. РКО хвостового вагона готовит электрическую цепь с провода 47 (без тока) на провод 45. Одновременно по параллельным цепям загораются сигнальные лампы «О» головного и хвостового вагонов:
Ø провод (+)15, Пр.15, контакты РКБ, контакты ППТ (гол.), контакты ККМ III-IV, катушка РО, контакты В52 (нижние по схеме на рис.8.13), провод (-)30.
Ø провод (+)15, Пр.15, контакты РКБ, контакты РО, провод 49, катушки ОВ (лампы «О»), провод 43, контакты ПТ (хв.), провод (-)30.
Лампа «О» головного вагона сигнализирует о подаче напряжения на провод 49, а лампа «О» хвостового вагона - о целостности провода 49.
При VА, V-ом и VI-ом положениях ручки КМ № 395 (рис. 7.13 в) контакты V-VI ККМ переключаются в левое положение (по схеме на рис. 7.13.). Через эти контакты получает питание катушка реле РТ (цепь питания катушки РО сохраняется), которое замыкает свои контакт в цепи тормозного провода 47. Следовательно, получают питание катушки вентилей ТВ ЭВР всех вагонов:
Ø провод (+)15, Пр.15, контакты РКБ, контакты ППТ (гол.); контакты ККМ III-IV, контакты ККМ V-VI, катушка РТ, контакты В52, провод (-) 30.
|
|
|
Ø провод (+)15, Пр.15, контакты РКБ, контакты РТ, провод 47, катушки ТВ, провод 43, контакты ППТ (хв.), провод (-)30.


Замкнутые ранее контакты РКО хвостового вагона пропускают ток с тормозного провода 47 на блокировочный провод 45, с которого включаются лампы «Т»:
Ø провод (+)15, Пр.15, контакты РКБ, контакты РТ, провод 47; контакты ППТ (хв.), контакты РКО, провод 45, лампы «Т», провод 43, контакты ППТ (хв.); провод (-)30.
Изменяется и схема цепи питания СК:
Ø провод (+)15, Пр.15, контакты РКБ, контакты РТ, провод 47, контакты ППТ (хв.), контакты РКО, провод 45, контакты РТ; катушка СК, провод (-)30.
Лампа «Т» хвостового вагона сигнализирует о целостности провода 47, а лампа «Т» головного вагона - о целостности проводов 47 и 45.
После срабатывания ЭВР на торможение происходит наполнение ТЦ и контакты СОТ замыкаются, создавая электрическую цепь сигнальной лампы «СОТ»:
Ø провод (+)15, Пр.21, контакты выключателя «Сигнальные лампы», провод 51, лампы «СОТ», провод (-)30.
В случае срабатывания ЭПК получает питание катушка промежуточного реле торможения (РПТ) по цепи:
Ø провод (+)15, Пр.15, контакты РКБ, контакты ППТ (гол.), контакты ЭПК, контакты выключателя ВА, катушка РПТ, провод (-)30.
При этом через замкнувшиеся контакты РПТ подается напряжение на отпускной и тормозной провода 49 и 47 напрямую от источника питания (минуя контакты ККМ), то есть имеет место торможение ЭПТ.
Контакты выключателя «ВА» служат для отключения реле РПТ при выходе из строя ЭПК.







