Более высокий коэффициент стабилизации (несколько сотен или тысяч единиц) можно получить, применив компенсационные стабилизаторы. Различают стабилизаторы параллельного и последовательного типов (рисунок 5)

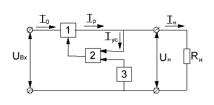
Рисунок 5 – Блок-схема компенсационного стабилизатора
Как наиболее экономичный, чаще применяется компенсационный стабилизатор последовательного типа, который исследуется в данной лабораторной работе.
В компенсационных стабилизаторах напряжения, как отмечалось выше, производится сравнение фактической величины
с его заданной величиной и в зависимости от величины и знака разности между ними автоматически осуществляется соответствующее воздействие на элементы стабилизатора, направленное на уменьшение этой разности. То есть компенсационный стабилизатор напряжения последовательного типа представляет собой систему автоматического регулирования.
Основными элементами таких стабилизаторов является: источник опорного напряжения 3, сравнивающий и усилительный элемент (УПТ) 2 и регулирующий элемент (транзистор или электронная лампа) 1.
С опорным напряжением сравнивается выходное напряжение стабилизатора или часть его. В качестве источника опорного напряжения в большинстве случаев используются параметрические стабилизаторы. Усилитель постоянного тока 2 сравнивает и усиливает разность между опорным и выходным напряжениями до величины, необходимой для управления регулирующим элементом 1 – мощным транзистором.
Регулирующий элемент 1 исполняет роль балластного сопротивления. Схема усилителя постоянного тока 2 строится так, чтобы при возрастании напряжения на выходе стабилизатора (например, за счет увеличения входного напряжения или уменьшения тока нагрузки) выходной сигнал усилителя запирал регулирующий элемент. При этой внутреннее сопротивление регулирующего элемента 1 возрастает, падение напряжения на нем увеличивается, а
остается практически неизменным. При уменьшении выходного напряжения реакция стабилизатора будет обратной. В стабилизаторах последовательного типа на регулирующем элементе падает напряжение равное
.






