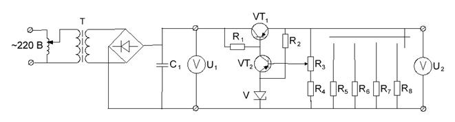
Принципиальная схема экспериментальной установки приведена на рисунке 8. В качестве вольтметра
для измерения
используется электронный цифровой вольтметр ВК 2-20. Выходное напряжение
измеряется цифровым вольтметром В 7-38. Оба прибора подключены к клешам макета. В качестве трансформатора
применяется автотрансформатор.

Рисунок 8 – Принципиальная схема экспериментальной установки






