Системы автоматического регулирования всегда находятся под влиянием двух видов воздействий: задающего и возмущающего. Задающее воздействие определяет, каким должен быть выходной процесс, и оно единственное. Возмущающих воздействий может быть много и прикладываются они к различным точкам системы, но в линейных системах всех их можно привести к входу и заменить одним, более или менее сложным, возмущающим воздействием.
В следящей системе требуется, чтобы выходной процесс y (t) совпадал с задающим воздействием x з(t). Разница между ними является ошибкой δ(t) = x з(t) – y (t). Модель для расчета ошибки приведена на рис. 23.
Изображение ошибки
Δ(p) = X з(p) – Y (p) = X з(p) – [ X з(p) + X в(p)] K з(р) =
= [1 – K з(p)] X з(p) – K з(p) X в(p) = K ош(p) X з(p) – K з(p) X в(p). (10)
Как видим, ошибка состоит из двух составляющих. Первая зависит от задающего воздействия и будет отсутствовать, если К з(j ω) = 1 во всем диапазоне частот, занятых спектром задающего воздействия. На практике частотная характеристика К з(j ω) отличается от 1 в области верхних частот. Значит, будут с ошибкой отрабатываться высокочастотные изменения задающего воздействия, и ошибка поэтому называется динамической. Вторая составляющая связана с возмущающим воздействием и появляется, если в области частот, занятых спектром возмущающего воздействия, АЧХ замкнутой системы будет отлична от нуля.
Ошибка может определяться при самых разнообразных задающем и возмущающем воздействиях. Обычно воздействие берется одним из типовых: скачкообразным, гармоническим, полиномиальным или стационарным случайным процессом. Рассмотрим ошибки при двух последних воздействиях.
Если задающее воздействие является медленно меняющимся процессом, то в течение некоторого временного интервала его можно описать полиномом: x з(t) = α0 + α1 t + α2 t 2 +… Ошибку удобно представить в виде ряда по производным входного воздействия:
,
где коэффициенты Si определяются по передаточной функции ошибки К ош(p):

.
Если S 0 ≠ 0, система называется статической, если S 0 = 0, – астатической. Число первых нулевых коэффициентов определяет порядок астатизма.
Ниже в таблице приведены выражения для первых трех коэффициентов для систем с различными передаточными функциями К р(р).
| Тип системы
| Статическая
| Астатическая 1-го порядка
| Астатическая 2-го порядка
|
| K p(p)
| K
(1+ p)(1+ pT)
| K
p (1+ pT)
| K (1+ p)
P 2(1+ pT)
|
| S 0
|
1+ K
|
|
|
| S 1
| K (1+ T)
(1+ K)2
|
K
|
|
| S 2
| K [(1+ K) T -(1+ T)2]
(1+ K)3
| KT – 1
K 2
|
K
|
Практический интерес представляют ошибки для каждого из слагаемых полиномиального воздействия. Если воздействие постоянно (x з = = x 0), то ошибку называют статической δст; если x з(t) = Vxt, – скоростной δск, а при x з(t)= а x t 2/2 – ошибкой по ускорению δуск. Так как эти воздействия имеют конечное количество производных, то ошибки определяются первыми членами ряда:
δст = S 0 x 0,
δск = S 0 Vxt + S 1 Vx, (11)
δуск = S 0 axt 2/2 + S 1 axt + S 2 ax.
Для расчета этих ошибок надо знать только три первых коэффициента.
На рис. 24 показано, как отрабатываются постоянное и линейное воздействия в статической и астатических системах. Видим, что статическая система обладает наибольшими ошибками. Чем выше порядок астатизма, тем точнее система отрабатывает полиномиальное воздействие.
Рассмотрим теперь ошибки при случайных воздействиях. Задающее воздействие описывается медленно меняющимся случайным процессом, спектральная плотность Sx з(ω) которого сосредоточена в области низких частот. Возмущающее воздействие является широкополосным процессом со спектральной плотностью Sx в(ω), и его часто считают белым шумом. Если задающее и возмущающее воздействия некоррелированы, то в соответствии с выражением (10) энергетический спектр динамической ошибки
S дин(ω) = Sx з(ω)| К ош(j ω)|2.
Дисперсия динамической ошибки
.
Дисперсия ошибки по возмущению
.
Рассмотрим, как влияет тип системы (статическая или астатическая) на ошибки при случайных воздействиях. На рис. 25,а изображены ЛАХ и ЛФХ разомкнутой системы для трех типов систем, передаточные функции которых приведены в таблице. Эти характеристики различаются лишь в области нижних частот, а в области средних и верхних частот одинаковы. Если коэффициент передачи разомкнутой системы К достаточно большой, то

и АЧХ замкнутой системы для всех трех типов будут близки друг к другу (см. рис. 25,б). Следовательно, статическая и астатические системы будут иметь примерно одинаковые ошибки.
Как правило, изменение какого-либо параметра системы (коэффициента передачи К или постоянной времени Т) приводит к противоположному изменению дисперсий динамической ошибки и ошибки по возмущению. Рассмотрим это на примере астатической системы первого порядка.
Допустим, задающее воздействие формируется из белого шума с спектральной плотностью S з0 пропусканием его через интегрирующую цепь с постоянной времени Tx. Тогда дисперсия задающего воздействия
.
Для расчета дисперсии динамической ошибки нужно знать частотную характеристику ошибки К ош(j ω):
.
Дисперсия динамической ошибки:
.
Вводя относительные величины α = 1/ Tx и β = T/Tx и учитывая выражение для дисперсии задающего воздействия, получаем:
. (12)
Видим, что при К = 0 дисперсия динамической ошибки равна дисперсии задающего воздействия. Это объясняется тем, что при К = 0 выходной процесс y (t) = 0 и ошибка становится равной задающему воздействию. С увеличением коэффициента передачи К дисперсия уменьшается и стремится к постоянной величине, равной β. На первый взгляд может показаться, что получен результат, противоречащий здравому смыслу. Ведь с увеличением коэффициента передачи разомкнутой системы расширяется полоса пропускания замкнутой системы, значит, должны лучше отрабатываться высокочастотные составляющие задающего воздействия, и ошибка должна стремиться к нулю. Но никакого противоречия нет. Результат объясним, если учесть форму частотной характеристики ошибки. С увеличением К уменьшается запас устойчивости по фазе и, следовательно, увеличивается подъем АЧХ замкнутой системы в области верхних частот. А так как К ош(j ω) = 1 – К з(j ω), то уменьшение спектральной плотности задающего воздействия компенсируется увеличением модуля частотной характеристики ошибки.
Дисперсия ошибки по возмущению при условии, что возмущающее воздействие является белым шумом со спектральной плотностью S в0, равна:
.
Дисперсия пропорциональна коэффициенту передачи разомкнутой системы и не зависит от постоянной времени Т. Это объясняется следующим образом. При малом К, когда К < 1/ T, частота среза равна К и полоса пропускания замкнутой системы растет пропорционально К. Когда К > 1/ T, частота среза увеличивается в меньшей степени, чем растет К, но из-за уменьшения запаса устойчивости по фазе в АЧХ замкнутой системы появляется подъем в области верхних частот. Это иллюстрируется частотными характеристиками, представленными на рис. 26. Площадь под | К з(j ω)|2 остается неизменной, а именно она определяет дисперсию ошибки по возмущению.
Дисперсия суммарной ошибки при некоррелированных задающем и возмущающем воздействиях σ2Σ = σ2дин + σ2воз. Зависимость дисперсий
ошибок от коэффициента передачи К приведена на рис. 27.Видим, что существует оптимальный коэффициент передачи К, при котором дисперсия суммарной ошибки минимальна, хотя этот оптимум не очень ярко выражен и при изменении коэффициента передачи в 2 раза дисперсия практически не изменяется. Если задающее и возмущающее воздей
ствия коррелированы, то при расчете ошибок нужно учесть составляющие, связанные с взаимными энергетическими спектрами воздействий.
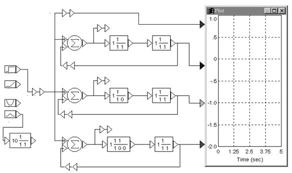
Исследование проводится параллельно на трех идентичных моделях (рис. 28). Модель содержит два линейных звена, задаваемых передаточными функциями. Передаточную функцию второго звена принять равной К/ (1 + pT), а первого – в зависимости от типа системы: для статической – 1/(1 + p), для астатической первого порядка – 1/ p, для астатической второго порядка – (1 + р)/ p 2.
Рис. 28
На вход системы можно подать любое из воздействий: постоянное, линейное, квадратичное или узкополосный случайный процесс, подсоединив выход соответствующего блока к входу системы.
Дополнительная информация по тематике лабораторной работы изложена в [1, §§6.4, 6.5, 6.6], [3, §2.3].