
Из ранее полученных расчетов






Сила давления муфты на вал
= (0,2…05)
,
где
- окружная сила на муфте; для двухступенчатого редуктора

Из первого этапа компоновки

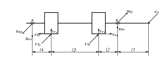
Определяют реакции опор
Плоскость YOZ:








Проверка:



Плоскость ХОZ:








Проверка:



Определяют величину изгибающих моментов и строят эпюры
Плоскость YOZ:








ПлоскостьXOZ:












Определяют суммарный изгибающий момент и строят эпюру








Рис. 1.1 Эпюры моментов быстроходного вала
Определяют крутящий момент и строят эпюру

Определяют приведенные моменты и строят эпюру








Определяют диаметр вала в опасном сечении



Поскольку
, то условие прочности выполняется.






