
Из ранее полученных расчетов







Из первого этапа компоновки


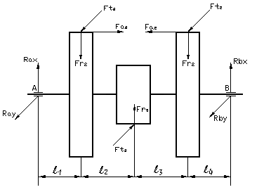
Определяют реакции опор
Плоскость YOZ:








Проверка:



Плоскость ХОZ:








Проверка:



Определяют величину изгибающих моментов и строят эпюры
Плоскость YOZ:








ПлоскостьXOZ:












Определяют суммарный изгибающий момент и строят эпюру








Определяют крутящий момент

Определяют приведенные моменты и строят эпюру









Рис 1.2 Эпюры моментов промежуточного вала
Определяют диаметр вала и опасном сечении по теории прочности
Диаметр вала в месте посадки косозубого колеса

Поскольку
(диаметр вала под колесом), то условие прочности выполняется.






